Tongenerator mit IC CD4093 (NAND)

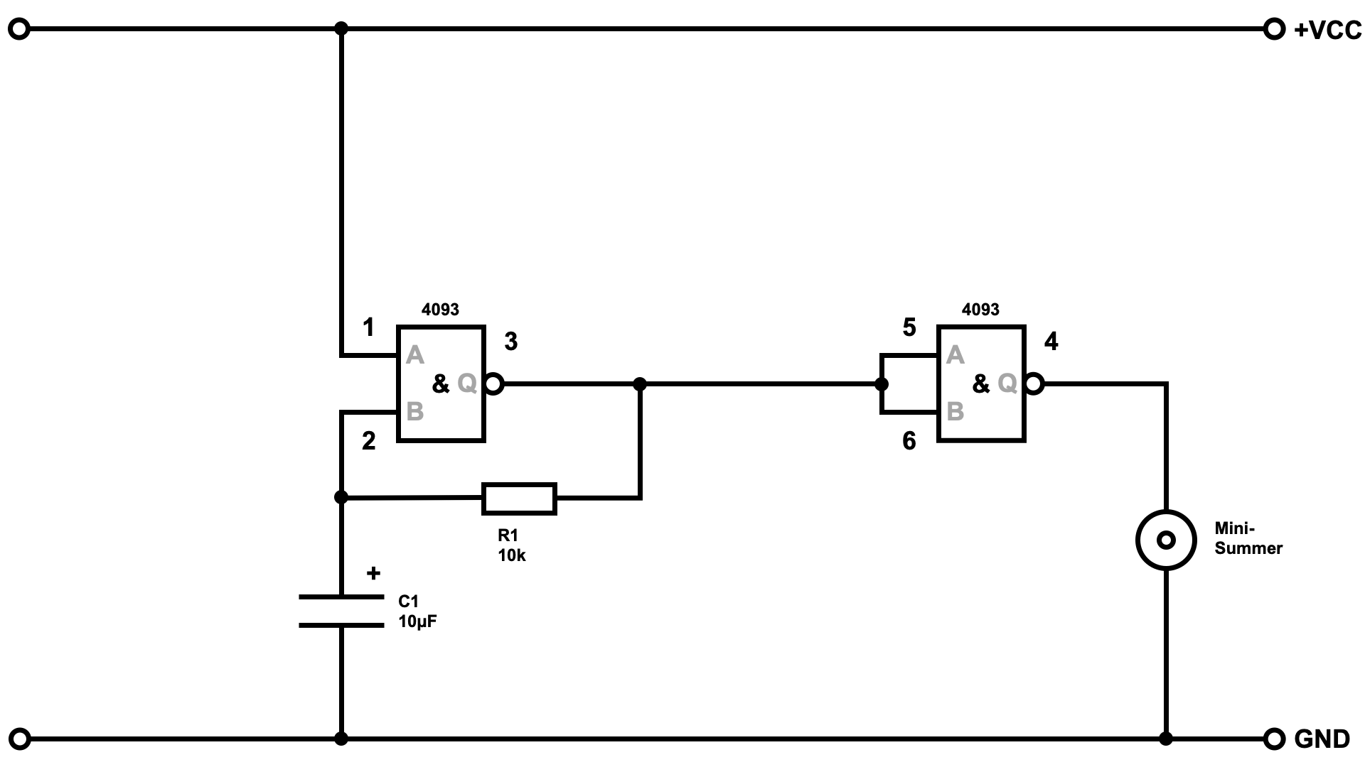
Diese Schaltung ist ein Tongenerator mit dem CMOS-IC CD4093. Das IC CD4093 enthält vier NAND-Gatter mit je zwei Schmitt-Trigger-Eingängen. Über den Kondensator und den Widerstand ist ein NAND-Gatter zu einer astabilen Kippstufe zusammengeschaltet und zusammen mit einem Summer ein Tongenerator.
Dadurch kann ein ziemlich nerviges Piepen erzeugt werden. Es muss also nicht immer eine Leuchtdiode blinken. Eine astabile Kippstufe kann auch Töne erzeugen.
Es kann sein, je nach Summer, dass statt einem Piepen, eher ein rythmisches Klackern oder Schnarren zu hören ist. Zugegeben, diese Schaltung funktioniert nicht immer so wie erwartet.
Bauteile
Liste
- IC1: CMOS-IC 4093 (z. B. CD4093)
- R1: Widerstand, 10 kOhm (4 Ringe: Braun-Schwarz-Orange-Gold)
- C1: Elektrolyt-Kondensator, 10 µF
- Summer
Zum Experimentieren:
- R1: Widerstand, 1 kOhm (4 Ringe: Braun-Schwarz-Rot-Gold)
- R1: Widerstand, 100 kOhm (4 Ringe: Braun-Schwarz-Gelb-Gold)
- R1: Fotowiderstand (LDR)
- C1: Elektrolyt-Kondensator, 100 µF
Kennzeichnung und Anschlussbelegung
Erweiterung
Du hast vielleicht schon festgestellt, dass der Ton, den diese Schaltung erzeugt, sehr leise ist. Zum Experimentieren ist das noch Ok. Es müssen ja nicht gleich Tote geweckt werden. Allerdings ist das in der Praxis natürlich untauglich, weil viel zu leise. Allerdings enthält der 4093er die Lösung in sich. Man kann die NAND-Gatter parallelschalten und als Treiber verwenden. Dadurch wird der Ton etwas lauter.
Alternativen
Ok, ganz ehrlich, diese Schaltung überzeugt nicht so ganz. Tatsächlich missbraucht man den 4093er für etwas für das er nicht gemacht ist. Der 4093er als Tongenerator ist jetzt nicht der typische Anwendungsfall. Mit anderen Bauteilen, wie der NE555, funktioniert das besser und lauter. Probiere es aus.
Weitere Schaltungen:
- Einfacher Taktgenerator mit IC 4093 (NAND)
- Einstellbarer Taktgenerator mit IC 4093 (NAND)
- Lichtabhängiger Taktgenerator mit IC 4093 (NAND)
- Metronom mit IC 4093 (NAND)
Diese Schaltung selber aufbauen und experimentieren
Entdecke die Welt der digitalen Technik mit unserem Elektronik-Set Digital Edition. Es ist perfekt für Einsteiger, die ohne Vorkenntnisse in der Elektronik digitale Technik besser verstehen möchten.
Das Elektronik-Set Digital Edition enthält 15 Bauteile mit 10 unterschiedlichen elektronischen Bauelemente mit dem digitalen IC CD4093, mit denen du 15 Schaltungen aufbauen und erste Erfahrungen mit digitaler Technik und Elektronik sammeln kannst.
Frag Elektronik-Kompendium.de
Elektronik-Set Digital Edition
Entdecke die Welt der digitalen Technik
Unser Elektronik-Set Digital Edition ist perfekt für Einsteiger, die ohne Vorkenntnisse digitale Technik besser verstehen möchten.
Das Elektronik-Set Digital Edition enthält 15 Bauteile mit 10 unterschiedlichen elektronischen Bauelemente mit dem digitalen IC CD4093, mit denen du 15 Schaltungen aufbauen und erste Erfahrungen mit digitaler Technik und Elektronik sammeln kannst.
Elektronik-Set Starter Edition
Elektronik erleben mit dem Elektronik-Set Starter Edition
Perfekt für Einsteiger und Wiedereinsteiger
Elektronik-Set jetzt bestellen
Keine Lust alleine zu experimentieren?
Dann buche einen Online-Workshop Elektronik Starter zum Elektronik-Set dazu. Unsere Online-Workshops sind praxisorientiert und bietet eine grundlegende und fundierte Einarbeitung in die Elektronik.
Elektronik-Fibel
Elektronik einfach und leicht verständlich
Die Elektronik-Fibel ist ein Buch über die Grundlagen der Elektronik, Bauelemente, Schaltungstechnik und Digitaltechnik.



