Nachtschaltung mit IC CD4093 (NAND)

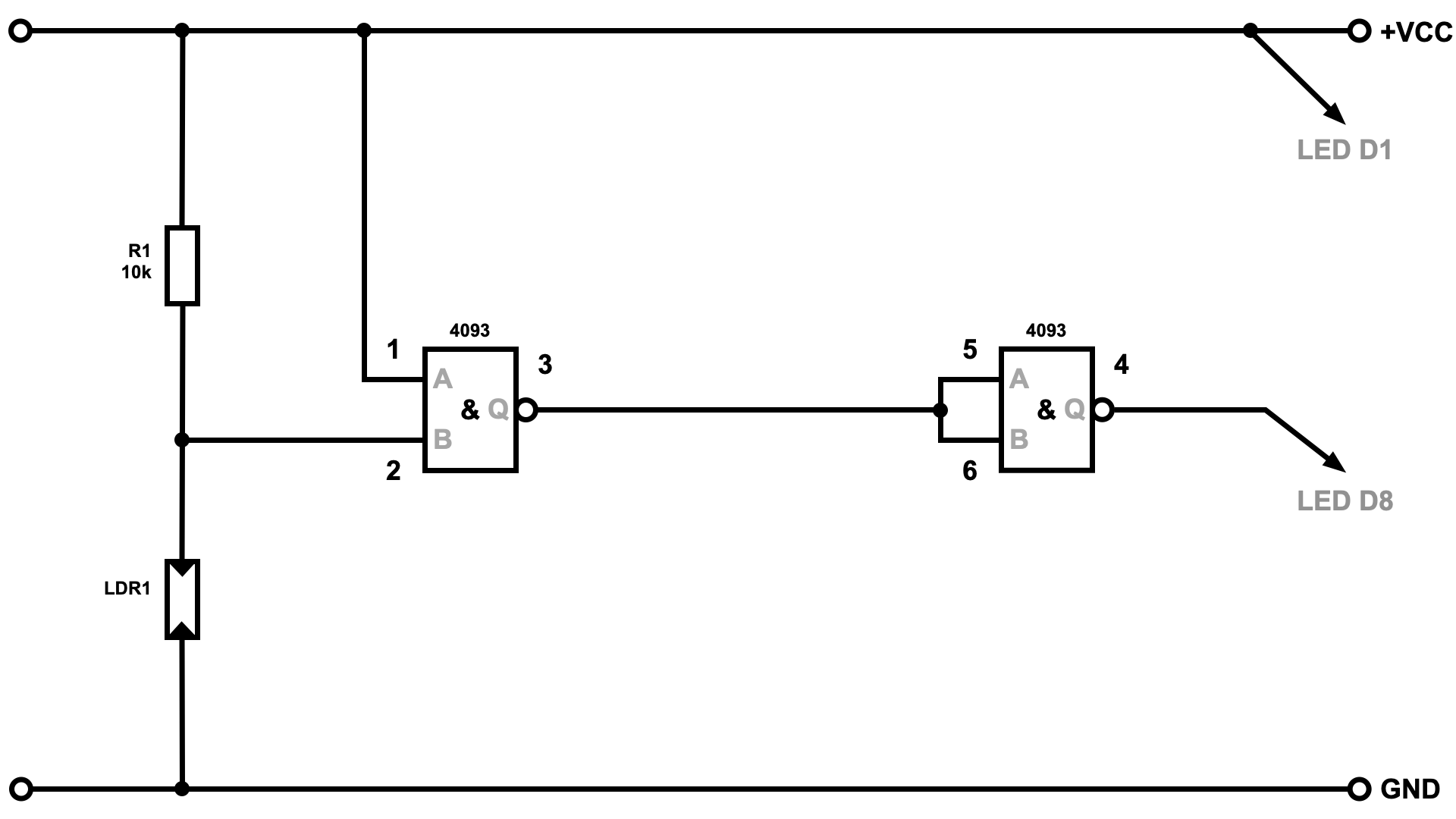
Diese Schaltung ist eine Nachtschaltung mit dem CMOS-IC CD4093. Das IC CD4093 enthält vier NAND-Gatter mit je zwei Schmitt-Trigger-Eingängen.
Die Grundschaltung dieser Nachtschaltung ist der Schmitt-Trigger, an dessen Eingang ein lichtabhängiger Widerstand (Fotowiderstand, LDR) gegen GND geschaltet ist.
Eine Nachtschaltung oder Dämmerungsschaltung ist eine Schaltung, bei der etwas eingeschaltet wird, wenn das Licht aus ist bzw. Dunkelheit erkannt wird. In dieser Schaltung leuchtet eine Leuchtdiode bei Dunkelheit.
Hinweis: Je weniger Licht, desto größer der Widerstandswert des Fotowiderstands, desto kleiner der Strom durch den Fotowiderstand und größer der Spannungsabfall am Fotowiderstand.
Bauteile
Liste
- IC1: CMOS-IC 4093 (z. B. CD4093)
- D1...8: LED-Leiste (oder LED mit Vorwiderstand)
- R1: Widerstand, 10 kOhm (4 Ringe: Braun-Schwarz-Orange-Gold)
- LDR1: Fotowiderstand (LDR)
Kennzeichnung und Anschlussbelegung
Alternativen
Hat dich diese Schaltung nicht ganz überzeugt? Tatsächlich missbraucht man den 4093er für etwas für das er nicht gemacht ist. Der 4093er als Nachtschaltung ist jetzt nicht der typische Anwendungsfall. Es gibt Alternativen, die vielleicht besser funktionieren.
Weitere Schaltungen:
- Monostabile Kippstufe mit IC 4093 (NAND)
- Schmitt-Trigger mit IC 4093 (NAND)
- Tagschaltung mit IC 4093 (NAND)
Diese Schaltung selber aufbauen und experimentieren
Entdecke die Welt der digitalen Technik mit unserem Elektronik-Set Digital Edition. Es ist perfekt für Einsteiger, die ohne Vorkenntnisse in der Elektronik digitale Technik besser verstehen möchten.
Das Elektronik-Set Digital Edition enthält 15 Bauteile mit 10 unterschiedlichen elektronischen Bauelemente mit dem digitalen IC CD4093, mit denen du 15 Schaltungen aufbauen und erste Erfahrungen mit digitaler Technik und Elektronik sammeln kannst.
Frag Elektronik-Kompendium.de
Elektronik-Set Digital Edition
Entdecke die Welt der digitalen Technik
Unser Elektronik-Set Digital Edition ist perfekt für Einsteiger, die ohne Vorkenntnisse digitale Technik besser verstehen möchten.
Das Elektronik-Set Digital Edition enthält 15 Bauteile mit 10 unterschiedlichen elektronischen Bauelemente mit dem digitalen IC CD4093, mit denen du 15 Schaltungen aufbauen und erste Erfahrungen mit digitaler Technik und Elektronik sammeln kannst.
Elektronik-Set Starter Edition
Elektronik erleben mit dem Elektronik-Set Starter Edition
Perfekt für Einsteiger und Wiedereinsteiger
Elektronik-Set jetzt bestellen
Keine Lust alleine zu experimentieren?
Dann buche einen Online-Workshop Elektronik Starter zum Elektronik-Set dazu. Unsere Online-Workshops sind praxisorientiert und bietet eine grundlegende und fundierte Einarbeitung in die Elektronik.
Elektronik-Fibel
Elektronik einfach und leicht verständlich
Die Elektronik-Fibel ist ein Buch über die Grundlagen der Elektronik, Bauelemente, Schaltungstechnik und Digitaltechnik.



