Synchronisation mit dem
230-VAC-Sinus-Nulldurchgang
Zero-Crossing-Synchronization
- Elektronik-Minikurse: Inhaltsverzeichnis WICHTIG: Diverse technische Infos
- Elektronik-Minikurse: Philosophie (Sinn, Vorwissen, Praxisbezug)
- Hilfe bei Leserfragen. (WICHTIG: Unbedingt zur Kenntnis nehmen!)
- Simulieren und Experimentieren, ein Vorwort von Jochen Zilg
- Autor: Thomas Schaerer Opamp-Buch Timer555-Buch
Inhaltsverzeichnis
-
1. Anregung zum Mitmachen
2. Gefahren für den Anfänger
3. Einleitung
4. Schmitt-Trigger und Komparator
5. Der Einfluss des Netztrafo auf den Phasenwinkel
6. Eine trafolose Methode
7. Dimensionieren, Messen und Testen
8. Das Übersteuerungsproblem bei Opamps
9. Phase oder Inversion, das ist hier die Frage
10. Fehltriggerung durch überlagerte Störung
1. Anregung zum Mitmachen
Ursache zu diesem Elektronik-Minikurs waren E-Mails von ELKO-Lesern die zum Ausdruck brachten, dass sie Probleme mit der Anwendung von Impulsen haben, die mit dem 230-VAC-Sinus-Nulldurchgang synchronisiert sein müssen. In der Diskussion stellte sich jeweils heraus, dass es darum ging die steigende oder fallende Flanke dieser Impulse mit dem Sinusnulldurchgang so genau wie möglich zu synchronisieren. Es geht also nicht nur um die Frequenzsynchronisation. Diese alleine genügt jedoch, wenn z.B. nur eine Frequenzmultiplikation mittels einer PLL-Schaltung wichtig ist. Ich habe mich mit diesem Problem zur Synchronisation des Sinusnulldurchganges befasst und daraus entstand dieser Elektronik-Minikurs. Die Anregung zum Experimentieren geht aus dem Kapitel 6 "Eine trafolose Methode" hervor.
2. Gefahren für den Anfänger
Das Hauptthema ist ein möglichst minimaler Phasenwinkel zwischen dem Nulldurchgang der 230-VAC-Netzspannung und der Triggerspannung im Niederspannungsteil einer Steuerschaltung. Bei einer Schaltung, wie dies Bild_5 zeigt, besteht das Risiko, dass man beim Experimentieren und Realisieren mit lebensgefährlicher Spannung in Berührung kommt. Daher ist es dem unerfahrenen Bastler untersagt, irgend etwas im Bereich der 230-VAC-Netzspannung zu unternehmen! Bild 5 und der Text dazu dienen ihm lediglich der theoretischen Anschauung und dem theoretischen Lernen! Zuwiderhandlung erfolgt auf eigenes Risiko!
3. Einleitung
Dieser Elektronik-Minikurs zeigt wie man mit dem Timer-IC
LMC555_und_TLC555
(CMOS-Version des NE555) eine Synchronisation mit der 50-Hz-Frequenz von
der 230-VAC-Netzspannung realisieren kann. Der Minikurs beschreibt
anschaulich auch das Innenleben dieses Timer-IC, der im Wesentlichen aus
zwei Komparatoren in der Funktion als
Fensterkomparator
und einem RS-Flipflop besteht. Der LMC555 stammt ursprünglich von
National-Semiconductor-Corporation (NSC). Beide sind aktuell von
Texas-Instruments (TI).
Diese ICs arbeiten mit einem Widerstandsnetzwerk aus drei gleich grossen
Widerständen, das zwei Referenzspannungen erzeugt. Es folgt der
Fensterkomparator. Das nachgeschaltete RS-Flipflop macht aus diesem Teil
der Schaltung einen Komparator mit Hysteresefunktion und exakt dies ist
ein Schmitt-Trigger. Diese Funktion macht dieses IC zum Timer-IC oder
Taktgenerator, je nach externer Beschaltung. LMC555 und TLC555 eignen
sich ebenso als Schmitt-Trigger mit der intern definierten Hysterese und
diese ist vollständig unabhängig von der Ausgangsspannung, weil es keine
Rückkopplung gibt, wie bei der herkömmlichen
Schmitt-Trigger-Schaltung
mittels Opamp oder Komparator.
(Der Komparator unterscheidet sich vom Opamp, dass der
Komparator keine Frequenzgang-Kompensation enthält, bzw.
benötigt!)
Die Abhängigkeit von
LMC555
und
TLC555
von der Betriebsspannung ist nur minimal, weil es zählt das Verhältnis
von den drei in Serie geschalteten Widerständen, wie es dieses
TLC555-Blockschaltbild
zeigt.
Ein Schmitt-Trigger im Einsatz als 230-VAC-Netzfrequenzsynchronisator
eignet sich dann sehr gut, wenn die Synchronisation mit dem
Sinus-Nulldurchgang (Zero-Crossing-Synchronization) gleichgültig, also
nur die Frequenz alleine wichtig ist. Die Hysterese hat hierbei eine
wichtige Funktion: Sie reduziert das Risiko, dass überlagerte
Störspannungen im Sinne von Fehltriggerungen wirksam werden können, wenn
die Amplitude der Störspannung am Eingang der Synchronisationsschaltung
kleiner als die Hysterese ist. Eine solche Synchronisationsschaltung
eignet sich z.B. dort wo das Vielfache der exakten 50-Hz-Netzfrequenz
benötigt wird.
Im folgenden Beispiel geht es um einen PLL-Frequenzmultiplier, der die
Taktfrequenz einer SC-Filterbank mit der 50-Hz-Netzfrequenz
synchronisiert. Es geht hier darum, dass die Sperrfrequenz
(Notchfrequenz) im Signalpfad stets mit der Netzfrequenz korrespondiert,
um eine möglichst optimale Dämpfung einer 50-Hz-Störspannung
(Brummspannung) zu erreichen. Dies ist nur möglich, wenn sich die
Filtersperrfrequenz automatisch der augenblicklichen Netzfrequenz
anpasst. Die Details dazu liest man in den folgenden beiden
Elektronik-Minikursen:
- 50-Hz-Notchfilterbank in SC-Filter-Technik (Teil 1)
- 50-Hz-Notchfilterbank in SC-Filter-Technik (Teil 2)
Eine ganz andere sinnvolle Anwendung mit der 230-VAC-Netzfrequenz-Synchronisation ist die Erzeugung hochstabiler Langzeittimern, ohne dass man Quarzoszillatoren einsetzen muss. Auch hier ist die Zero-Crossing-Synchronization irrelevant:
Es gibt aber immer auch wieder Anwendungen bei denen die Zero-Crossing-Synchronization eine wichtige Rolle spielt, wie z.B. bei der typischen Phasenanschnittssteuerung, z.B. für die Helligkeitssteuerung von Hallogen-Glühlampen. Hier muss die Referenz für die Erzeugung des Phasenwinkels, der Sinus-Nulldurchgang, der Schaltung bekannt sein. Wenn die 230VAC-Sinusspannung mit 50 Hz durch eine höher frequente Wechselspannung (AC-Spannung), z.B. durch ein Rundsteuersignal - manchmal auch als Kommandosteuersignal bezeichnet - überlagert und diese überlagerte Frequenz mit der Netzfrequenz nicht synchronisiert ist, erzeugt dies oft eine sehr niederfrequente Interferenz-Frequenz. Dies führt bei einer solchen Lampensteuerung dazu, dass, während der Dauer des Rundsteuersignales, die Helligkeit der Lampen rythmisch ganz langsam leicht dunkler und wieder leicht heller wird. Eine Art Schwebung. Diesen Effekt kann man vermeiden, wenn man ein aktives Tiefpassfilter dazwischenschaltet, welches das Rundsteuersignal wirksam unterdrückt und gleichzeitig aber eine Phasenverschiebung von exakt 180° aufweist. Eine volle Sinusperiode von 360° ist nicht nötig, ausser die Steurschaltung benötigt dies. Eine solche Schaltung mit einem Tiefpassfilter 4. Ordnung und einer Phasenverschiebung von 180º zeigt dieses Bild. Den TCA785 gibt es leider längst nicht mehr.
4. Schmitt-Trigger und Komparator

Teilbild 1.1 zeigt oben im Signaldiagramm die typische
Hystereseeigenschaft bei der amplitudensymmetrischen Detektion einer
Sinusspannung. Als Referenz dient der GND-Pegel. Ob diese
Schmitt-Triggercharakteristik mit einem 555-CMOS-Timer-IC (LMC555 oder
TLC555) oder mit einem positiv rückgekoppeltem Komparator realisiert
wird, ist im Prinzip egal. Die Hysterese bewirkt, dass die Flanke des
Rechtecksignales dem Sinus-Nulldurchgang stets nacheilt. Also ganz
ähnlich wie wenn man ein Tiefpassfilter und ein nachgeschalteter
Komparator einsetzt, allerdings mit dem Unterschied, dass bei der
Methode mit der Hysterese der Phasenwinkel frequenzunabhängig ist.
Teilbild 1.2 zeigt die reine Komparatorfunktion, hier analog zu Teilbild
1.1 ebenso invertierend. Natürlich ohne Phasenwinkel.

Teilbild 2.1 wiederholt Teilbild 1.2. In Teilbild 2.2 sind die Eingänge beim Komparator vertauscht. Das Ausgangssignal ist zum Eingangssignal nicht invertiert. Es gibt Anwendungen bei denen dies eine Rolle spielt. In beiden Teilbildern ist das Rechtecksignal zeitsymmetrisch. Der Tastgrad ist exakt 0.5, wenn die AC-Spannung am Eingang amplitudensymmetrisch auf GND referenziert ist.
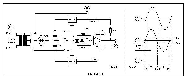
5. Der Einfluss des Netztrafo auf den Phasenwinkel

Teilbild 3.1 zeigt das prinzipielle Schaltbild wie mit einem Komparator
auf der Sekundärseite des Trafo TR der Sinus-Nulldurchgang detektiert
wird und dies, wie man es bei reiner Komparatorfunktion und ohne Einsatz
von Tiefpassfiltern erwartet, frei von einer Phasenverschiebung ist.
Titelbild 3.2: Nun, stimmt das wirklich? Nun ja, wenn man das
Rechtecksignal (C) mit der Sinus-AC-Sekundärspannung (B) vergleicht,
stimmt das. Allerdings nützt das kaum etwas, wenn z.B. eine Triac- oder
Thyristorschaltung auf dem 230-VAC-Netz sehr präzise gesteuert werden
soll, weil es zwischen der Primär-(A) und Sekundärspannung (B) an TR
eine nicht zu unterschätzende, wenn auch kleine Phasenverschiebung gibt.
Sekundärseitig unbelastet ist ein Trafo primärseitig stets eine
Drossel, weil eine Sekundärwicklung die nicht belastet ist, kommt auf
das selbe heraus, wie wenn es diese Wicklung gar nicht gibt. Je mehr der
Trafo sekundärseitig belastet ist, hier angedeutet mit
RL, um so geringer ist der induktive Anteil.
Theoretisch wird ein Trafo zur ohmschen Last, wenn er mit der Nennlast
belastet ist. Wie auch immer, es gibt für den Präzisionsfall ein
Problem, wenn ein 50-Hz-Taktsignal erzeugt wird, das nicht nur synchron
mit der Frequenz der 230-VAC-Netzspannung, sondern auch mit dem
Nulldurchgang dieser Sinuswechselspannung synchron arbeiten muss.
Teilbild 3.2 zeigt die induktiv typisch voreilende Phasenverschiebung im
Vergleich von (A) und (B).
R3 zwischen dem Ausgang des Komparators und +Ub dient als
Pullup-Widerstand für den Fall, dass ein Komparator mit Open-Kollektor-
(z.B. LM393)
oder Open-Drain-Ausgang (CMOS-Version) zum Einsatz kommt. Deshalb ist
diese Verbindung punktiert.
78xx und 79xx in Bild 3 und Bild 4 sind die wohl bekannten
3-pin-Spannungsregler mit unterschiedlichen positiven und negativen
Fixspannungen. Bei der Wahl muss man die maximal zulässige Spannung ±Ub
für den verwendeten Opamp oder Komparator berücksichtigen. Das ist nur
ein Beispiel, man kann nach Bedarf auch andere Spannungsregler
einsetzen.

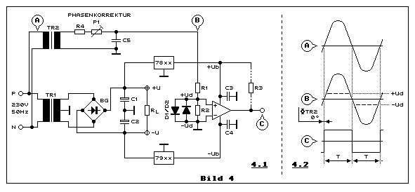
Teilbild 4.1 zeigt eine Schaltung, bei der unterschiedliche Lastströme
des Haupttrafo TR1, über RL, auf den Phasenwinkel
keinen Einfluss haben, weil die Sekudärspannung von TR1 nicht als
Referenz für den Phasenwinkel benutzt wird. Dazu dient ein zweiter
kleiner Trafo TR2, der mit dem nachfolgend einstellbaren passiven
Tiefpassfilter erster Ordnung (R4, P1, C5), die Aufgabe hat, einen auf
0° kompensierten Phasenwinkel zu liefern, wie dies Teilbild 4.2 zeigt.
Für TR2 kann man sich den kleinst erhältlichen (Print-)Trafo
aussuchen. Es gibt solche mit einer Wirknennleistung von 1 VA und sogar
weniger. Mit P1 muss etwa in Mittelstellung ein nacheilender
Phasenwinkel eingestellt werden, der dem voreilenden Phasenwinkel von
TR2 unter seiner sehr geringen Belastung entspricht. Der Wert von
R1+R2 sollte dabei mindestens 10 mal grösser gewählt werden als
R4+P1, damit der Phasenwinkel durch R1+R2 nicht
signifikant beeinflusst wird.
Störimpulse unerwünscht: Ein paar Worte zu R1 und R2. R1 benötigt
es damit die Phasenkorrektur funktioniert, denn wenn +Ud oder -Ud ab
etwa +0.6 V oder -0.6 V Strom leiten, muss dieser so klein sein, damit
die Laufzeit, bzw. Grenzfrequenz des Phasenkorrektur-Tiefpassfilter
möglichst nicht beeinflusst wird. Da wir es hier mit 50 Hz, also sehr
niedrige Frequenz zu tun haben, darf R1 problemlos 1 M-Ohm betragen. 100
k-Ohm empfiehlt sich eher aus dem Grundsatz, dass man Schaltungen nicht
unnötig hochohmig realisieren soll.
Man kann sich fragen, wozu braucht es überhaupt R2, weil die Spannung
geht auch ohne R2 durch den Nullpegel, womit die Phase detektiert wird,
und wenn die Spannung die eine oder andere Durchfluss-Spannung der
Dioden D1 oder D2 überschreitet, wird die Spannung am
nichtinvertierenden Eingang auf einen unschädlichen Wert von etwa ±0.7 V
begrenzt. Das stimmt, aber es berücksichtigt nicht allfällige
Störspannungen auf dem 230-VAC-Netz. Diese werden mit TR2 zwar ebenso
heruntertransformiert, aber die Spannung kann noch immer zu hoch sein im
Vergleich zur Umschaltschwellenspannung am Komparator, die einzig durch
dessen sehr geringe DC-Offsetspannung bestimmt wird.
Wenn die Spannung (B) an diesem Eingang ungeteilt durch Null geht und es
sind Störspannungen überlagert, dann sorgen diese Störspannungen auf
jeden Fall dafür, dass der Komparator gleich mehrmals in sehr kurzen
Zeitabständen umschaltet und dies kann fatale Folgen für die Schaltung
haben, die an (C) angeschlossen getriggert wird. Es empfiehlt sich den
Spannungsteiler so zu dimensionieren, dass über R2 eine AC-Spannung von
maximal etwa 100 mVpp liegt. Man muss experimentieren. Nicht zu niedrig
wählen, weil sonst die DC-Offsetspannung des Komparators einen
zusätzlichen Phasenwinkel verursacht und dieser ist dann auch noch etwas
temperaturabhängig. Bei passender Dimensionierung des Spannungsteilers
R1/R2, kann man auf die Schutzfunktion von D1 und D2 verzichten. Damit
wäre eigentlich alles gesagt, um einen stabilen Phasenwinkel von 0° zu
erzeugen, wenn da das Wörtchen Wenn nicht wär...
Was wäre wenn ein Rundsteuersignal, das z.B. der Steuerung für die
Umschaltung von Hoch- und Niedertarif des Stromzählers dient, mit
wenigen 100 Hz auf die 230-VAC-Spannung überlagert auf die
Komparatorschaltung trifft? Mit der richtigen Wahl von R1/R2 kann man
zwar verhindern, dass ein Rundsteuersignal fehltriggert, aber eine zum
50-Hz-Signal interferierende - sich langsam verändernde -
Phasenverschiebung lässt sich so nicht vermeiden. Einfach ist die
richtige Wahl von R1/R2 u.U. also doch nicht...
Aktives Tiefpassfilter zusätzlich: Man kann sich an dieser Stelle
natürlich wieder fragen, warum man zwischen einem 50-Hz-netzsynchronen
Signal (Spannung (B) und dem Komparator nicht einfach ein aktives
Tiefpassfilter, wie bereits angedeutet, mit einer Phasenverschiebung von
180° oder 360° schaltet. Eine solche Filterschaltung wäre durchaus
legitim, wenn die zeitliche Ereignisverschiebung, welche die
Phasenverschiebung mit sich bringt, (360° = 20 ms) irrelevant
ist.
Es gibt aber noch ein ganz anderes Problem, das den Phasenwinkel
unvorhersehbar, bei sehr präzisen Anwendungen, empfindlich beeinflussen
kann. Ob belastet oder unbelastet, der Phasenwinkel zwischen Primär- und
Sekundärwicklung eines Trafo ist abhängig von der Primärspannung. Ich
habe dies an einem kleinen Trafo mit einer Wirkleistung von 3 VA
getestet. Die folgende Tabelle gibt darüber Aufschluss:
PHI (P = 0 VA / 240 VAC = +4.3%) = 8.9° (18.7%)
PHI (P = 3 VA / 240 VAC = +4.3%) = 5.7° (50%)
PHI (P = 0 VA / 230 VAC = 0%) = 7.5° ( 0%)
PHI (P = 3 VA / 230 VAC = 0%) = 3.8° ( 0%)
PHI (P = 0 VA / 220 VAC = -4.3%) = 6.3° (-16.0%)
PHI (P = 3 VA / 220 VAC = -4.3%) = 2.9° (-23.7%)
P ist die Belastung des Trafo an der Sekundärwicklung.
Fazit: Die Phasenverschiebung in Teilbild 4.2 von 0° zwischen (A) und (B) bzw. zwischen (A) und (C) ist idealisiert. Die Tabelle, die auf einem Beispiel beruht, zeigt eindeutig, dass der Phasenwinkel empfindlich abhängig ist von der Primärspannung und diese Netzspannung ist je nach Wohngegend, z.B. auf dem Lande, nicht ausreichend stabil genug. Der Anwender muss selbst wissen, ob für seine Anwendung das Schaltungsprinzip in Teilbild 4.1 mit seinen Toleranzen genügt.
6. Eine trafolose Methode
Um hier im Detail zu folgen ist es unbedingt nötig, dass man die Datenblätter zum LinCMOS-Opmap TLC271 von Texas-Instruments (TI) und zum Optokoppler HCPL-261A von Agilent (Hewlett-Packard) konsultiert.

Experimentieren angesagt: Die Schaltung in Bild 5 ist teilweise
erprobt. Das heisst, erprobt ist die Netzteilschaltung und die Schaltung
mit IC:A und Transistor T. Beide Teile getrennt von einander einzeln.
Den Optokoppler HCPL-261A hatte ich nicht. Das ist jedoch auch nicht
nötig, weil die Datenblatt-Infos genügen. Eine gewisse Unsicherheit
bezüglich Reproduktion bei unterschiedlichen 230-VAC-Netzen (z.B.
ländlliche Gebiete) kann ich nicht berücksichtigen. Darum sind auch die
kritischen Werte von R3 und C7 nicht angegeben. Da muss man
experimentieren bevor man einen Print realisiert. Die gezeigte Schaltung
funktionert im normal ungestörten Zustand. Soviel ist sicher.
Die Schaltung in Bild 5 unterscheidet sich von den vorherigen, weil die
Netzfrequenz- und die Zero-Crossing-Synchronization direkt an der
230-VAC-Netzspannung trafolos erfolgt. Damit entfällt die trafobedingte
instabile induktive Phasenlage. Im Kapitel
"Gefahren für den Anfänger" wird darauf
hingewiesen, dass das Experimentieren mit dieser Schaltung
lebensgefährlich ist und daher für den Anfänger nicht geeignet ist!
Die Schaltung: Phase P und Nullleiter N der 230-VAC-Netzspannung
dürfen vertauscht werden. Die Funktion der Schaltung wird dadurch nicht
beeinträchtigt. Trotzdem ist der Aufbau logisch korrekter und die
Schaltung als Ganzes "sauberer", wenn der Nullleiter N als Referenz
verwendet wird. N ist mit dem etwas speziellen GND-Spezialsymbol (GND1)
markiert, während im isolierten Teil der Elektronik das traditionelle
GND-Symbol (GND2) zum Einsatz kommt. Diese Unterscheidung soll zum
Ausdruck bringen, dass GND2 von GND1 und damit auch die
Betriebspannungen ±Ub1 von +Ub2 voneinander galvanisch isoliert sein
müssen! +Ub2 und GND2 sind Teil der nachfolgenden Schaltung.
Da man es bei der 230-VAC-Netzfrequenz mit einer sehr niederfrequenten
Anwendung (50 Hz) zu tun hat, kann man anstelle eines echten Komparators
(IC:A) ebenso gut ein Opamp verwenden und der muss gar nicht besonders
schnell sein. Es kommt hier der LinCMOS-Opamp TLC271 von Texas
Instruments (TI) zum Einsatz und dieser wird erst noch in den
Low-Bias-Mode gesetzt, Pin 8 = +Ub1, siehe im TLC271-Datenblatt die
Seiten 3, 38 und 41). Der Standby-Stromverbrauch des TLC271 veringert
sich dabei auf maximal 23 µA bei einer Betriebsspannung von ±5 VDC. Die
Slewrate (steigende oder fallende Flanke des Ausgangssignales) beträgt
typisch 0.05 V/µs und die Frequenz-Bandbreite bei maximaler
Ausgangsspannung von ±5 V beträgt 1.3 kHz.
Damit der PNP-Transistor T vollständig geöffnet wird, muss sich die
Spannung am Ausgang des TLC271 (IC:A) auf etwa +Ub1-1V, also auf etwa +4
V liegen. Das ist so, weil der Ausgang zwar bis auf den LOW-Pegel von
-Ub1 (-5 VDC) gehen kann, jedoch nicht auf den HIGH-Pegel der identisch
wäre mit +Ub1 (+5 VDC). Dem kann man jedoch mit R5 leicht abhelfen.
IC:A Out=HIGH: R5 sorgt dafür, dass der Ausgang des Opamp
wirklich auf +Ub1 liegt. Transistor T ist sicher offen, weil die Basis
auf Emitter-Potenzial liegt. R5 ist relativ unkritisch. Wenn der Ausgang
des Opamp auf HIGH-Pegel liegt, kann nur ein sehr geringer Leckstrom von
+Ub1 in den Ausgang von IC:A fliessen. Dies bedeutet, dass der
HIGH-Pegel am Ausgang auch bei sehr hochohmigem R5 auf +Ub1 gezogen
wird. Übertreiben sollte man es trotzdem nicht.
IC:A Out=LOW: Wählt man für R5 einen Wert von 150 k-Ohm, fliesst
über R5 etwa 1/10 des Basisstromes von T, wenn der Ausgang des Opamp
LOW-Pegel (-Ub1) hat. Dies ist vernünftig. Um den bremsenden Effekt der
so genannten Millerkapazität von T zu kompensieren, kann man mit C8 eine
Kapazität von 100 pF (experimentieren!) zu R4 parallel schalten. R4 (150
k-Ohm) begrenzt den Basisstrom auf etwa 60 µA. Etwa 9.3 V liegen
zwischen Basis und dem Ausgang von IC:A. Etwa 5 µA davon fliessen durch
R5. Dies macht dem gesättigten Transistor T keinen Eindruck, weil die
Spannung zwischen Emitter und Kollektor beträgt nur etwa 50 mV.
Slewrate: Wie bereits erwähnt, beträgt die Slewrate im
Low-Bias-Mode des TLC271 0.05 V/µs. Das Ein- und Ausschalten von T
geschieht jedoch in einem sehr engen Bereich wenn der Ausgang von IC:A
bei etwa 1.5 VDC unterhalb von +U1 (+5 VDC) liegt. Der Umschaltbereich
selbst ist noch deutlich kleiner als diese 1.5 V. Um zu berechnen wie
stark sich dies auf auf eine kleine Phasenverschiebung auswirkt, dürfte
recht schwierig sein. Man ist daher auf das Experimentieren angewiesen.
Je nach Anspruch der minimalsten Phasenverschiebung, muss man für den
TLC271 den Medium-Bias-Mode wählen. Die Slewrate ist mit etwa 0.5 V/µs
zehn mal höher. Damit erhöht sich der Betriebsstrom des TLC271 von
maximal 23 µA auf maximal 300 µA. Der Gesamstromverbrauch von +Ub1 liegt
bei aktiver LED des Optokoppler plus der Komparatorschaltung bei etwa
1.3 mA. Es bleibt noch immer ein Rest von 1.2 mA, bis die Z-Diode Z1 zu
wenig Strom bekommt. -Ub1 wird anstelle von maximal 23 µA mit maximal
300 µA belastet.
Das Diagramm
Figure_7
im Datenblatt des Optokopplers
HCPL-261A
zeigt, dass ein LED-Strom von 1 mA genügt, damit am Ausgang des
Optokoppler der korrekte LOW-Pegel sicher gestellt ist. Voraussetzung
ist allerdings, dass der
Pullupwiderstand
am Logikausgang des Optokopplers nicht kleiner als 4 k-Ohm ist. Mit R15
hat er einen Wert von 4.7 k-Ohm.
Die so genannte Propagation-Delay-Time ist bei einem LED-Strom von 3.5 mA
mit maximal 0.1 µs angegeben. Man kann davon ausgehen, dass die
Verzögerung für diese langsame Anwendung mit 50 Hz bei einem LED-Strom
von 1 mA noch längst ausreichend kurz ist. Man könnte es durchaus auch
mit einem noch niedrigeren LED-Strom versuchen (R6 erhöhen) und damit
R15 vielleicht auch grösser gewählt werden muss. Das wäre kein Problem,
wenn nachträglich eine Schaltung mit hohem Eingangswiderstand erfolgt
(CMOS) und die Eingangskapazität niedrig genug ist. Es gibt leider kein
Diagramm zur Propagation-Delay-Time in Funktion des LED-Stromimpulses im
Datenblatt des HCPL-261A.
Vorwiderstand-Netzteil: Die ganze Komparatorschaltung arbeitet am
230-VAC-Netz ohne Trafo und ohne, alternativ dazu, einem verlustarmen
kapazitiven Vorwiderstand (siehe
Kondensatornetzteil), weil der
Aufwand für ein paar mA mit einem C-Netzteil zu gross ist. Da geht es
einfacher mit Halbwellengleichrichtung und Vorwiderstand. Diese
Halbwellengleichrichtung sorgt bereits dafür, dass sich die
Verlustleistung halbiert, weil pro Periode nur eine Strom- und eine
Spannungs-Sinushalbwelle vorhanden ist und wirkt. Aus der effektiven
Spannung von 230 VACeff wird 162 VDCeff. Dabei ist der echte
Spannungsmittelwert, der True-RMS-Wert, gemeint. Es gibt viele
Multimeter welche zwar den AC-True-RMS-Wert richtig messen können,
jedoch nicht den DC-True-RMS-Wert. Es gibt allerdings solche Geräte. Ein
solches ist jedoch nicht zwingend nötig, wenn man es mit einer
Sinusspannung zu tun hat, weil dazu gibt es die einfache Formel:
UDC_eff = sqrt(2) * UAC_eff / 2
(eff = True-RMS)
163 VDCeff = sqrt(2) * 230 VAC_eff / 2
Die niedrige Betriebsspannung ±Ub1 von ±5 VDC, stabilisiert mittels
Z-Dioden Z1 und Z2, wird mit den Vorwiderständen R7, R9 und R8, R10
erzeugt. Da kommt es darauf an, möglichst wenig Verlustleistungen und
Abwärme zu erzeugen. Deshalb bewegt man sich konsequenterweise im
unteren mA-Bereich. Der maximale Strom für +Ub1 und -Ub1 beträgt 2.5 mA,
so dass die Z-Dioden-Spannungen gerade noch stabil sind. Anstelle
Z-Dioden mit einer Zenerspannung von 5.1 V kann man auch solche mit 5.6
V einsetzen. Der Vorteil besteht darin, dass der differenzielle
Innenwiderstand deutlich niedriger ist, zu erkennen in diesem
Diagramm
aus dem Elektronik-Minikurs :
Die maximale Verlustleistung über R7, R9, R8 und R10 beträgt je etwa 0.38
W pro Widerstand. Es empfiehlt sich 1/2-Watt Widerstände einzusetzen.
Zwecks besserer Hochvoltsicherheit empfiehlt es zwei Widerstände in
Serie zu schalten, daher R7 mit R9 und R8 mit R10. Falls der
Low-Bias-Mode beim IC:A genügt, arbeitet die Schaltung ebenso gut, wenn
man R7 bis R10 von 15 k-Ohm auf 22 k-Ohm erhöht und damit die
Verlustleistung senkt. Die Verlustleistung bei der Widerständen bleibt
unverändert, ob ±Ub1 (±5 VDC) belastet wird oder nicht. Wenn nicht,
fliesst der ganze Strom durch die Z-Dioden. Wenn zuviel belastet
reduziert sich die Spannung über die Z-Dioden, weil der Strom für den
Zenereffekt zu klein ist. Dies ist die selbe Situation wie beim oben
angedeuteten
Kondensatornetzteil.
Diode D1 wirkt als Halbwellengleichrichter. Man sollte unbedingt eine
1N4007-Diode mit einer Sperrspannung von 1000 V und nicht eine
1N4004-Diode mit bloss 400 V einsetzen, die theoretisch auch genügen
würde. Der Preisunterschied ist lächerlich gering, die
Betriebssicherheit und der Schutz gegen Überspannungen sind jedoch
massiv besser.
Zusammenfassung: Und jetzt noch einmal die Funktionserklärung als
Ganzes: Wenn die Sinusspannung am Phasenleiter P (A) den Nullpegel zum
positiven Spannungswert überschreitet (siehe Diagramm oben rechts),
schaltet der Ausgang des IC:A auf den HIGH-Pegel von +5 V wegen R5.
Transistor T sperrt, die LED des Optokopplers IC:B ist stromlos und der
invertierende Ausgang (B) auf HIGH-Pegel, entsprechend dem Wert von
+Ub2. Wenn die Sinusspannung am Phasenleiter P (A) den Nullpegel zum
negativen Spannungswert überschreitet, schaltet der Ausgang des IC:A auf
den LOW-Pegel von -5 V, Transistor T leitet, die LED des Optokopplers
IC:B ist aktiv und der invertierende Ausgang auf LOW-Pegel, entsprechend
dem Spannungswert von GND2.
Wozu R3 dient, ist im Kapitel "Der Einfluss des Netztrafo auf den
Phasenwinkel" (Bild 4: R2) beschrieben. Neu in in Bild 5 ist C7, der
dazu dienen soll hochfrequente Störsignale zu unterdrücken. C7 bildet
mit (R1+R2)||R3 ein passives Tiefpassfilter. Es leuchtet ein,
dass die Grenzfrequenz dieses passiven Tiefpassfilters um ein Vielfaches
höher sein muss als die 50-Hz-Netzfrequenz. Abhängig von der Anforderung
eines kleinen Phasenwinkels, muss diese Grenzfrequenz mindestens im
oberen kHz-, wenn nicht sogar im 10-kHz-Bereich liegen. Man muss dies je
nach Anwendung der Schaltung selbst definieren mit Experimentieren. Im
Kapitel "Fehltriggerung durch überlagerte Störung" wird dieses
Problem genauer thematisiert.
7. Dimensionieren, Messen und Testen
Der Leser der eine Schaltung, wie Bild 5 zeigt, realisieren will, sollte diese realistisch testen. Es gibt dazu teure 230-VAC-Testgeneratoren mit denen man definierte Störspannungen erzeugen kann und diese einer 230-VAC-Testspannung überlagert. Ob es auch solche Testgeneratoren gibt mit denen man Rundsteuersignale erzeugen kann, weiss ich nicht. Ich kenne auch keine Firmen wo man solche Testgeneratoren kaufen kann. Der dafür interessierte Leser muss also selbst suchen. Es gibt natürlich auch die Möglichkeit, dass man selbst ein massgeschneiderter Testgenerator baut, was gar nicht so aufwändig sein muss. Man benutzt z.B. die 230-VAC-Netzspannung die man mit einem selbst erzeugten niederfrequenten Rundsteuersignal überlagert. Man muss überlegen wie man dies realisiert. Eine spezielle Webseite erklärt was die Rundsteuerung ist und wozu sie eingesetzt wird:
Weitere Links:- WIKI: Rundsteuertechnik
- Probleme durch Rundsteuersignale (wahrscheinlich nicht in Betrieb!)
- Rundsteuerung (ACADEMIC) (wahrscheinlich nicht in Betrieb!)
Es sei an dieser Stelle erwähnt, dass ein solcher Test sicher nicht nötig ist für die hier erklärte Phasenanschnittsteuerung für Glühlampen, bei der ein aktives Tiefpassfilter mit 180º Phasenverschiebung zum Einsatz kommt.
8. Das Übersteuerungsproblem bei Opamps
R1, R2 mit D1 und D2 haben den Zweck, dass am nichtinvertierenden Eingang eine Spannung von etwa +0.7 V und -0.7 V (Diodenflussspannung) nicht überschritten werden kann. So zeigt dies Bild_5. Es gäbe auch die Methode, dass man es mit D1 und D2 so macht wie Teilbild_7.1a zeigt. Die Begrenzung der Eingangsspannung wird so durch die positive und negative Betriebsspannung diktiert. Dies mit einem Nachteil der etwas weiter unten ausführlich erklärt wird.

Bild 6 zeigt den Opamp als Impedanzwandler mit der Verstärkung von 1 (Ua
= Ue). Es zeigt was passiert, wenn Ue so hoch wird, dass Ua durch die
Betriebsspannung begrenzt wird. Der Opamp wird mit ±15 VDC betrieben und
Ue hat einen Wert von 30 Vpp. Ue erreicht also die Betriebsspannung von
+15 VDC und -15 VDC. Bei einem Rail-to-Rail-Opamp würde die
Sinusspannung am Ausgang unbelastet ebenso diese 30 Vpp gerade noch
unbegrenzt erreichen. Die meisten Opamps sind jedoch nicht so weit
aussteuerbar. Der LF356 und viele andere Opamps erreichen etwa 2 V unter
dem positiven und unter dem negativen Maximalwert, also etwa 26 Vpp. Bei
diesen Spannungswerten wird die Sinusspannung beschnitten (geclippt).
Dies könnte man noch akzeptieren. Leider ist es aber so, dass der LF356
und ebenfalls viele andere JFET-Opamps, die Übertreibung am Eingang mit
einer sprunghaften Spannungsumkehr am Ausgang quittieren. Es betrifft
das negative Spannungsmaximum.
Es gibt Anwendungen bei denen solche Kapriolen schlimme Folgen haben
können. Darum liess sich schon vor sehr vielen Jahren die
Halbleiterfirma
Linear-Technology
(aktuell Analog-Devices) mit dem besseren JFET-Opamp
LT1056,
alternativ zum LF356 von ehemals National-Semiconductor, etwas
Gescheites einfallen. Bild 6 illustriert dies im Diagramm. Diese
Problematik wird auch im Elektronik-Minikurs
Amplifier-Attenuator
thematisiert. Hier soll dieses Kapitel ganz einfach darauf aufmerksam
machen, dass man ganz besonders dieses Problem im Auge behält, weil man
bei Komparatorschaltungen leicht den Limit am Eingang im Prinzip
unschädlich überschreiten, jedoch trotzdem eine Spannungsumkehr am
Ausgang verursachen kann. Dass dies besonders leicht zu Fehltriggerungen
von nachfolgenden Schaltungen führen kann, muss nicht speziell erwähnt
werden, wie Bild 7 illustriert.
OBSOLET:Vorher sei noch erwähnt, dass es diesen LT1056 nicht mehr
gibt. Mit den noch erhältlichen LT-JFET-Opamps sieht es auch nicht
gerade rosig aus (August 2018). Man müsste selbst nach einem passendem
Rail-to-rail-Opamp evaluieren.

Da wir es hier mit Komparatorschaltungen zu tun haben, sieht die
Situation etwas anders aus, weil es im Grunde egal ist wie hoch Ue wird,
die jedoch durch die Betriebsspannung mittels Dioden D1 und D2 begrenzt
werden muss. Teilbild 7.1a zeigt wie Ue begrenzt wird, wenn man als
Maximalwert die Betriebsspannung zulassen will. Wenn Ue +Ub
überschreitet, fliesst ein Strom nach +Ub durch D1. Wenn Ue -Ub
überschreitet, fliesst ein Strom nach -Ub durch D2. So wird die Spannung
am nichtinvertierenden Eingang auf +Ub oder -Ub plus die
Durchfluss-Spannung von D1 oder D2 begrenzt.
Natürlich gilt das ebenso wenn der Komparator invertierend arbeitet,
also die beiden Eingänge vertauscht sind. Dies ist eine durchaus
legitime Lösung und man braucht keine Schottky-Dioden mir der
niedrigeren Durchfluss-Spannung. Man darf durchaus gewöhnliche
Si-Kleinsignaldioden wie 1N914 oder 1N41848 verwenden. Man kann
zusätzlich R3 einfügen, damit der Strom am nichtinvertierenden Eingang
in einem Extremfall der Eingangsspannung zusätzlich begrenzt wird. R3
fällt relativ niederohmig aus, weil ein Spannungsabfall über R3 wegen D1
oder D2 stets unterhalb von 1 V liegt. Wenn man R3 einsetzt, z.B. 1
k-Ohm, ist man freier in der Wahl von R1. Der Strom muss mit R1 soweit
begrenzt werden, dass im Falle einer Überspannung D1 oder D2 nicht
zerstört werden können, und R1 muss die Verlustleistung ertragen. Mehr
zu diesem speziellen Thema liest man im Elektronik-Minikurs:
Das Problem bei dieser Methode ist, dass es, wie schon Bild 6 zeigt, zur Spannungsumkehr kommen kann. Da es bei Komparatorschaltungen nur darauf ankommt, dass die Referenzspannung - hier GND - sicher über- und unterschritten wird, empfiehlt sich eine Spannungsbegrenzung mit zwei antiparallel geschalteten Dioden, wie dies Teilbild 7.2a zeigt. Da bleibt die Spannung an den Komparator- oder Opampeingängen so niedrig, dass das Spannungsumkehrproblem sicher gar nie auftreten kann. Darum kommt in den Bildern 3 bis 5 diese Spannungsbegrenzungsmethode zur Anwendung.

Selbstverständlich gibt es auch die Möglichkeit im Singlesupply-Modus
(nur eine Betriebsspannung +Ub und GND) eine Komparatorschaltung zu
realisieren mit GND als Referenz. Voraussetzung ist allerdings, dass ein
Komparator oder ein Opamp eingesetzt werden muss, dessen
Gleichtakteingangsspannung bis hinunter auf den GND-Pegel einwandfrei
funktioniert.
Teilbild 8.1 entspricht mit der Ausnahme Teilbild 7.2a, dass Teilbild
8.1 mit nur einer positiven Spannung betrieben wird. Dies bedeutet, dass
der gesteuerte, hier der nichtinvertierende Eingang den GND-Pegel um die
Durchfluss-Spannung der Si-Diode D2 unterschreiten kann. Bei einigen
Opamps hat dies den Spannungsumkehreffekt zur Folge wie es zu Bild 7
beschrieben ist. Dies passiert dann nicht, wenn der verwendete Opamp
oder Komparator eine Eingangsspannung, entsprechend dem GND-Pegel,
zulässt. Bei den hier verwendeten LinCMOS-Opamp (z.B. TLC271) sind
typisch -0.3 V zulässig.
Daher empfiehlt es sich, anstatt üblicher Si-Kleinsignaldioden, kleine
Schottky-Dioden einzusetzen, weil diese, für eine solche Anwendung mit
kleinen Strömen im Durchlassbereich, eine typische Durchfluss-Spannung
von etwa 0.25 V bis etwa 0.3 V haben. Wie weit man mit der
Eingangsspannung im negativen Spannungsbereich im Komparatorbetrieb
fahren kann, ohne dass es zu einer funktionellen Störung kommt, geht aus
dem LinCMOS-Datenblatt nicht hervor, ausser es kommt zu einem Stromfluss
der allerdings in der Grössenordnung von 100 mA liegen muss. Dann kann
es zum schädlichen Latchup-Effekt kommen. Dies kann allerdings nur dann
passieren, wenn R1 in Relation zur steuernden Spannung Ue zu niedrig
gewählt wird.
Der Lachtup-Effekt: Was dieser Latchup-Effekt ist, ist in knapper
Form im Elektronik-Minikurs
Der analoge Schalter II
beschrieben. Schaut man sich die Eingangsstufe eines LinCMOS-Opamps im
Datenblatt an - bitte tu das, man lernt auch davon! - begreift man
nicht, wie denn bei einem MOSFET mit isoliertem Gate überhaupt ein Strom
fliessen kann, ausser man stresst die Gate-Source-Spannung bis zum
Durchbruch. Der Grund dafür liegt darin, dass beim
CMOS-Herstellungsprozess parasitäre Thyristoren (kreuzgekoppelte
bipolare Transistoren [BJT]) entstehen. Dies ist physikalisch bedingt
und man kann es nicht vermeiden. Man kann bei der IC-Herstellung nur
dafür sorgen, dass diese "Parasiten" so unempfindlich wie möglich sind.
Dies hat man bei den LinCMOS-Opamps schon früh erreicht. Man liest:
The device inputs and outputs are designed to withstand - 100 mA
surge currents without sustaining latchup. Zünden diese
parasitären Thyristoren - das ist der Latchup - fliesst ein
Kurzschlusstrom zwischen den Betriebsspannungsanschlüssen (+Ub und GND
oder +Ub und -Ub), was sehr oft die Zerstörung des IC zur Folge hat. Bei
unseren Anwendungen hier, wo der Strom mit R1 auf etwa 1 mA oder sogar
deutlich weniger, je nach Anwendung, begrenzt wird, kann man den
Latchup-Effekt getrost vergessen. Das Latchup-Risiko gibt es bei
analogen und digitalen CMOS-ICs.
Bild 8 zeigt aber noch etwas anderes. Es gibt auch bipolare Opamps
(z.B. LM358,
LM324) und
Komparatoren
(z.B. LM393),
welche eine Eingangsspannung (Gleichtaktspannung) bis hinunter zum
GND-Pegel zulassen. Auch da liest man, dass ein Spannunsgwert von -0.3
V nicht überschritten werden soll. Es gibt in bipolaren integrierten
Schaltungen zwar keinen Latchup-Effekt, allerdings einen andern Effekt
der ganz bestimmt dazu führt, dass ein Opamp oder ein Komparator nicht
mehr richtig funktioniert. Dazu betrachte man Teilbild 8.2 das die
Eingangsstufe der eben genannten Opamps und Komparatoren zeigt. Es hat
PNP-Transistoren und die es möglich machen, dass die Basis auf den
GND-Pegel hinunter gesteuert werden darf.
Wie betrachten das Beispiel mit Q4 und damit Teilbilder 8.2 und 8.3. Im
Prinzip wäre es dem PNP-Transistor Q4 und somit auch dem Opamp oder
Komparator völlig egal, wenn die Spannung weit unterhalb von GND liegt,
weil es interessiert eigentlich nur der Basis- und der Kollektorstrom
von Q4, wenn diese bipolaren Transistoren nicht auch (parasitäre)
Kollektor-Basis-Dioden hätten. Genau dies stört und dazu betrachten wir
zusätzlich Teilbild 8.3, das das Ersatzschaltbild des IC-internen
Transistors Q4 repräsentiert. Wenn am Eingang Ue die Spannung negativ
ist und D2 würde als Schottky-Diode die Spannung nicht auf etwa 0.3 V
begrenzen, dann fliesst über die Kollektor-Basis-Diode von Q4 ein Strom
und der würde die differenzielle Eingangsverstärkerstufe aus dem
(momentanen) Gleichgewicht bringen. Durch die Kollektor-Basis-Diode kann
nur dann ein Strom fliessen, wenn zwischen Basis und Kollektor - hier
identisch mit GND - die typische Durchfluss-Spannung einer Si-Diode von
etwa 0.6 V erreicht wird.
ID2 zeigt bei negativer Eingangsspannung an Ue die
Hauptstromrichtung wenn D2 (Schottky-Diode) leitet.
9. Phase oder Inversion, das ist hier die Frage
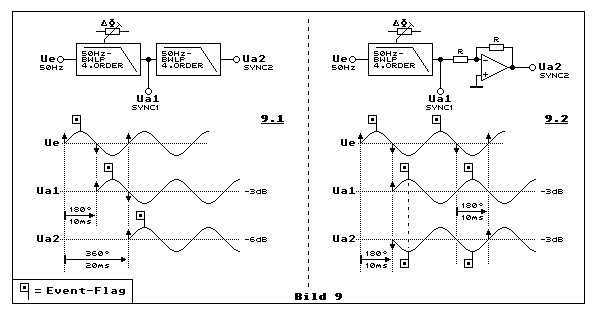
Zurück zum Thema der unsauberen Sinuswechselspannung. Sie enthält einerseits Störsignale hoher Frequenzen, die vorwiegend von steilflankigen Schaltvorgängen verursacht werden und anderseits die erwähnten kurzzeitig überlagerten Rundsteuersignale mit niedriger Frequenz im Bereich von wenigen 100 Hz bis etwa 2 kHz. Vorausgesetzt eine Zero-Crossing-Synchronization ist nur in dem Sinne gefordert, dass eine Triggerung beim Nulldurchgang unabhängig von der Phasenlage stattfindet, lässt sich dies mittels eines aktiven Tiefpassfilters realisieren. Solche Nulldurchgänge finden bei einer Phasenverschiebung von 180° (Laufzeit = 10 ms bei 50 Hz) und bei einem Vielfachen dieses Wertes statt, also auch bei 360° (Laufzeit = 20 ms bei 50 Hz). Dies erläutert Bild 9:

Mit einer aktiven Tiefpassfilterung mit einer Phasenverschiebung von
180° oder ein Vielfaches davon, hat man problemlos alle Störspannungen
im Griff. Teilbild 9.1 zeigt zwei Blöcke aus je einem aktiven
Butterworth-Tiefpassfilter vierter Ordnung mit der Grenzfrequenz der
Netzfrequenz von 50 Hz. Diese
Schaltung
kann man mit relativ wenig Aufwand mit einem Dual-Opamp realisieren. Ein
solches Tiefpassfilter hat bei seiner Grenzfrequenz (Dämpfung = 3 dB)
eine Phasenverschiebung von exakt 180°. Dies bedeutet aber, dass an Ua1
die Sinusspannung die Nulllinie unterschreitet während an Ue die
Sinusspannung die Nulllinie überschreitet. Für eine Helligkeitsteuerung
von Glühlampen mittels Steuerelektronik (z.B. mit dem IC TCA785 von
Siemens, leider obsolet!) mit Thyristoren oder Triac ist das egal. Es
kann aber Anwendungen geben, wo auch die Spannungsrichtung von Ue und Ua
übereinstimmen muss. In diesem Fall kann man ein zweites Tiefpassfilter
der selben Art in Serie zum ersten schalten und so hat man an Ua2 einen
Phasenwinkel von exakt 360° zu Ue. Die Dämpfung bei der Grenzfrequenz
von 50 Hz beträgt dann 6 dB. Das heisst die Spannung an Ua2 ist gerade
noch halb so gross wie an Ue. Das spielt für die Anwendung einer
Triggerung keine Rolle, weil man die Spannung an Ue noch längst gross
genug wählen kann.
Ein einziges Tiefpassfilter noch höher als vierter Ordnung zu
realisieren empfiehlt sich wegen der höheren Bauteilsensivität nicht. Da
würde die Phasenpräzision darunter leiden. Das angedeutete Trimmpotmeter
beim ersten Filterblock erlaubt eine exakte Einstellung der Phasenlage,
falls dies nötig ist. Dies wird hier, ebenso die Dimensionierung des
Filters, nicht weiter thematisiert. Ich empfehle betreffs
Filterberechnung das Buch "Halbleiter-Schaltungstechnik" von
U.Tietze und Ch. Schenk und, falls noch erhältlich, das
"Filterkochbuch" von Don Lancaster. Die englische Ausgabe "The
Filtercookbook" ist eher noch erhältlich.
Es gibt anstelle von zwei Filterblöcken aber noch eine Alternative. Für
sehr viele Anwendungen genügt ein einziges Butterworth-Tiefpassfilter
vierter Ordnung mit einer Grenzfrequenz von 50 Hz, da dieses eine
störende Rundsteuerfrequenz von z.B. 200 Hz immerhin mit 50 dB (1/316)
und bei 500 Hz mit stolzen 80 dB (1/10'000) dämpft. Teilbild 9.2 zeigt
eine einfache Alternative mit einer Phasenverschiebung von
180° zwischen Ue und Ua2, in dem das Signal zwischen Ua1 und Ua2
invertiert wird. Zwischen Ua1 und Ua2 gibt es keine Phasenverschiebung.
Dies wird mittels Event-Flags verdeutlicht. Man vergleiche dazu die
beiden Teilbilder 9.1 und 9.2. Mit Hilfe dieser gedachten Flags erkennt
man leicht, dass die Schaltung in Teilbild 9.2 zum selben Erfolg mit der
halben Phasenverschiebung führt und der Schaltunsgaufwand ist erst noch
geringer. Setzt jedoch eine Anwendung voraus, dass überhaupt keine
Laufzeit (Phasenverschiebung) zulässig ist, muss ohne Filterung, wie
bereits beschrieben, gearbeitet werden. Die Probleme die man dabei in
Kauf nehmen muss, werden im folgenden Kapitel etwas differenzierter
thematisiert.
10. Fehltriggerung durch überlagerte Störung

Teilbild 10.1 zeigt oben eine ungestörte Sinusspannung und unten die
resultierende ebenso ungestörte Rechteckspannung am Ausgang des
Komparators wie es in
Bild_2
gezeigt wird. Das ist eine Idealisierung, weil realistisch gibt es gar
keine ungestörte Sinusspannung, denn Rauschspannungen sind immer
überlagert, wenn manchmal auch nur sehr gering. Wenn man die
Rechteckflanke im Oszilloskopen ausreichend in der Zeitachse dehnt,
beobachtet man ein leichtes Phasenrauschen
(Jitter),
das sich in einer gewissen Unschärfe der Flanken bemerkbar macht.
Teilbild 10.2 zeigt ein überlagertes Störsignal mit einer höheren
Frequenz als die Netzfrequenz und Teilbild 10.3 zeigt ein zeitlich und
amplitudenmässig gedehnter Ausschnitt um zu verdeutlichen wie die
Störspannung selbst auch unerwünschte Triggerflanken auslösen kann.

Bild 11 zeigt in einer Bilderfolge was mit der Flanke des Komparatorausganges geschieht, wenn die Störspannung mit der Netzfrequenz schliesslich nicht synchronisiert ist und als Interferenzfrequenz wirkt. Zuerst wird die Laufzeit t1 leicht vergrössert, im nächsten Schritt gibt es Mehrfachtriggerung durch das Störsignal (t2-Serie) und danach wird die Laufzeit verkürzt (t3). Dieses Muster setzt sich fort. Teilbild 11.4 fasst die Laufzeiten- und somit Phasenveränderungen zusammen. Die Darstellung ist idealisiert.

Bild 12 zeigt ein Lösungsansatz wie man diese Mehrfachtriggerung ohne grosse Laufzeitenvariation unterdrücken kann. Wenn man durch das Hinzufügen von R3 (Teilbild 12.3) eine Hysterese UH erzeugt, die nur knapp grösser ist als der Peak-to-Peak-Spannungswert der Störspannung US, wird eine Fehltriggerung vermieden. Dies setzt allerdings voraus, dass die maximal überlagerte Spannung, z.B. eines Rundsteuersignales, örtlich bekannt ist. Je grösser die Hysterese aus Gründen der Toleranz gewählt werden muss, um so sicherer arbeitet die Schaltung, um so grösser ist allerdings auch die unerwünschte Phasenverschiebung, wie dies im Kapitel "Schmitt-Trigger und Komparator" bereits thematisiert wurde. Bei hochfrequenten Störungen, wie sie durch das Schalten elektrischer Verbraucher verursacht werden, gibt es kaum eine andere wirksame Lösung als eine einfache passive Tiefpassfilterung mit C1. Wie bereits angedeutet, muss die Grenzfrequenz so niedrig gewählt werden, dass Fehltriggerungen sicher vermieden werden, aber so hoch, dass die dadurch verursachte unerwünschte Phasenverschiebung für die Anwendung akzeptabel gering ist. Zur Berechnung des passiven Tiefpassfilter mit C3 und der Hystere mit R3 gilt der Wert des Parallelwiderstandes von R1 und R2 (R1||R2).
Thomas Schaerer, 12.04.2005 ; 18.03.2007 ; 07.08.2014 ; 05.08.2018 ; 06.02.2022
