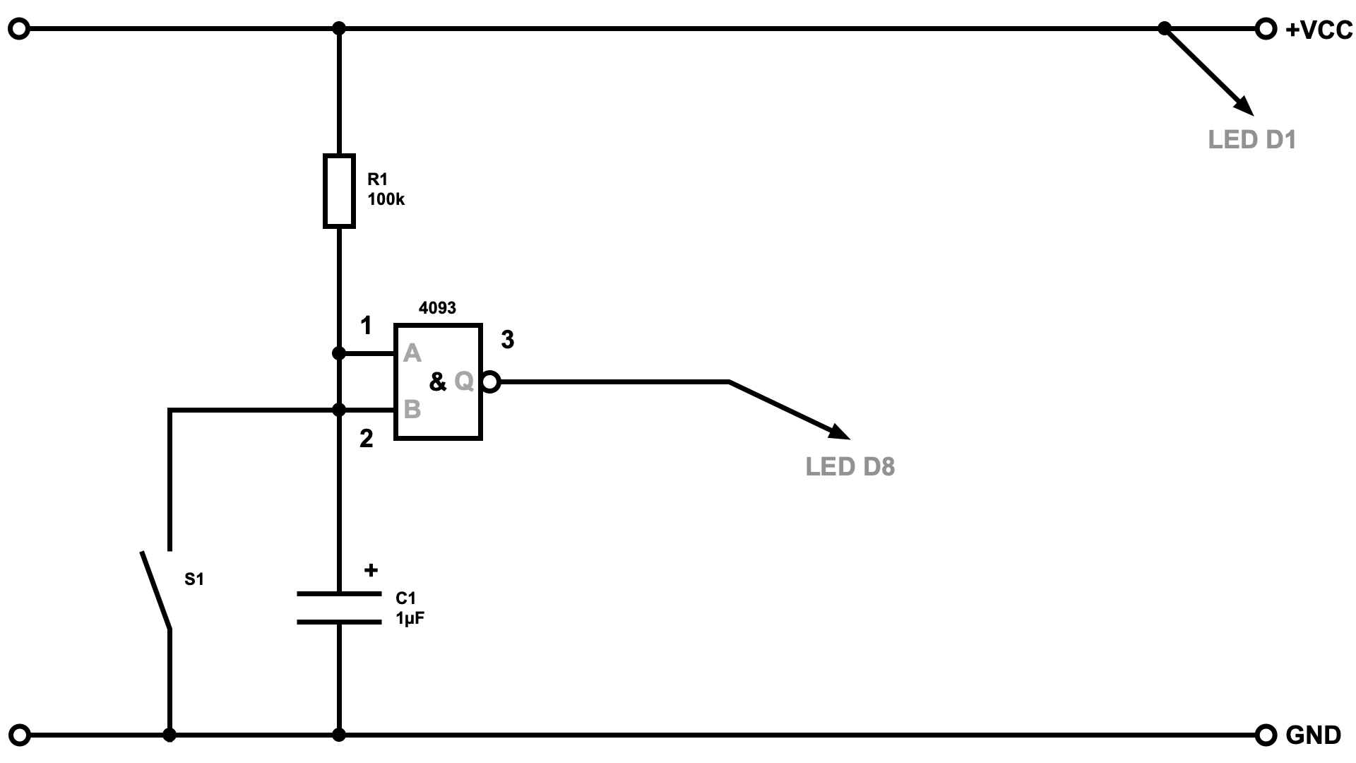
Prellfreier Taster mit IC CD4093 (NAND)

Mit dieser Schaltung wird ein Taster mit dem CMOS-IC CD4093 entprellt. Das IC CD4093 enthält vier NAND-Gatter mit je zwei Schmitt-Trigger-Eingängen. In dieser Schaltung wird aber nur ein NAND-Gatter in dem 4093er IC verwendet, um einen prellfreien Taster zu realisieren.
Problem: Taster neigen dazu, bei Betätigung sich mehrfach zu öffnen und zu schließen. Das merkt man aber nur, wenn dadurch etwas mehrfach ausgelöst wird.
Lösung: Das Prellen lässt sich leider nicht abstellen. Aber es gibt verschiedene Schaltungen, um einen Taster zu entprellen.
Die dargestellt Schaltung ist ein abgewandeltes Monoflop und darauf optimiert mit einem möglichst kleinen Elektrolyt-Kondensator zur arbeiten.
Aufbau und Bauteile

Liste
- IC1: CMOS-IC 4093 (z. B. CD4093)
- D1...8: LED-Leiste (oder LED mit Vorwiderstand)
- R1: Widerstand, 10 kOhm (4 Ringe: Braun-Schwarz-Orange-Gold)
- C1: Elektrolyt-Kondensator, 10 µF
- S1: Taster oder Schalter
Zum Experimentieren:
- R1: Widerstand, 100 kOhm (4 Ringe: Braun-Schwarz-Gelb-Gold)
- C1: Elektrolyt-Kondensator, 100 µF
Kennzeichnung und Anschlussbelegung
Experimente, Beobachtungen und Erklärungen
Ganz ehrlich, diese Schaltung ist weniger gut geeignet zum Experimentieren. Letztlich handelt es sich um eine monostabile Kippstufe, die durch die Wahl vom Widerstand R1 und Kondensator C1 so eng gewählt ist, dass man die Funktionsweise durch Beobachten der LED D8 nicht erkennen kann. Es geht hier darum, wie lange ein mehrfach geschaltetes Signal anstehen soll, um als ein Signal erkannt zu werden. Durch Vergrößern von R1 oder C1 kann man diese Zeit verlängert und durch die Leuchtdauer der LED D8 sichtbar machen.
Weitere Schaltungen:
- Prellfreier Taster mit NE555
- Monostabile Kippstufe mit IC 4093 (NAND)
- Prellfreier On-Off-Toggle-Taster mit IC 4093 (NAND)
- Einschaltverzögerung (Delay ON Timer) mit IC 4093 (NAND)
- Ausschaltverzögerung (Delay OFF Timer) mit IC 4093 (NAND)
Diese Schaltung selber aufbauen und experimentieren
Entdecke die Welt der digitalen Technik mit unserem Elektronik-Set Digital Edition. Es ist perfekt für Einsteiger, die ohne Vorkenntnisse in der Elektronik digitale Technik besser verstehen möchten.
Das Elektronik-Set Digital Edition enthält 15 Bauteile mit 10 unterschiedlichen elektronischen Bauelemente mit dem digitalen IC CD4093, mit denen du 15 Schaltungen aufbauen und erste Erfahrungen mit digitaler Technik und Elektronik sammeln kannst.
Frag Elektronik-Kompendium.de
Elektronik-Set Digital Edition
Entdecke die Welt der digitalen Technik
Unser Elektronik-Set Digital Edition ist perfekt für Einsteiger, die ohne Vorkenntnisse digitale Technik besser verstehen möchten.
Das Elektronik-Set Digital Edition enthält 15 Bauteile mit 10 unterschiedlichen elektronischen Bauelemente mit dem digitalen IC CD4093, mit denen du 15 Schaltungen aufbauen und erste Erfahrungen mit digitaler Technik und Elektronik sammeln kannst.
Elektronik-Set Starter Edition
Elektronik erleben mit dem Elektronik-Set Starter Edition
Perfekt für Einsteiger und Wiedereinsteiger
Elektronik-Set jetzt bestellen
Keine Lust alleine zu experimentieren?
Dann buche einen Online-Workshop Elektronik Starter zum Elektronik-Set dazu. Unsere Online-Workshops sind praxisorientiert und bietet eine grundlegende und fundierte Einarbeitung in die Elektronik.
Elektronik-Fibel
Elektronik einfach und leicht verständlich
Die Elektronik-Fibel ist ein Buch über die Grundlagen der Elektronik, Bauelemente, Schaltungstechnik und Digitaltechnik.



