Negative Spannung mit NE555

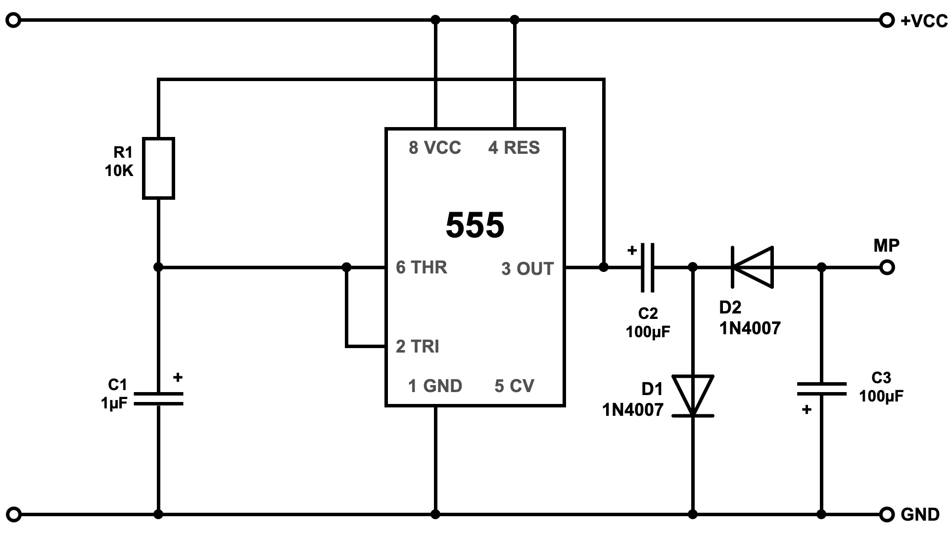
Diese Schaltung mit einem NE555 ist ein Spannungsinverter. Im Prinzip wird aus der positiven Betriebsspannung +VCC ein negative Spannung erzeugt. Diese Schaltung ist aber nicht für einen konkreten Anwendungsfall dimensioniert, sondern stellt nur ein Beispiel bzw. ein Konzept dar, wie man eine negative Spannung mit einem NE555 erzeugen kann.
Die Ausgangsspannung am Messpunkt (MP) entspricht ca. -VCC, abzüglich der an den Dioden abfallenden Spannung von zweimal 0,6 bis 0,7 Volt (1,2 bis 1,4 Volt). Je nach Dioden-Typ kann es etwas mehr oder weniger sein.
Bauteile
Liste
- IC1: Timer NE555
- R1: Metallfilm-Widerstand, 10 kOhm (Braun-Schwarz-Schwarz-Rot)
- C1: Elektrolyt-Kondensator, 1 µF
- C2: Elektrolyt-Kondensator, 100 µF
- C3: Elektrolyt-Kondensator, 100 µF
- D1: Diode, 1N4007, 1N4148, BAT42 oder vergleichbar
- D2: Diode, 1N4007, 1N4148, BAT42 oder vergleichbar
- Messgerät zum Messen der negativen Spannung am Messpunkt (MP)
Wichtig: Bitte beim Aufbau auf die Polung der Elektrolyt-Kondensatoren achten. Besonders bei C2 und C3.
Kennzeichnung und Anschlussbelegung
Experimente
- Messe die Spannung mit einem Messgeräte an +VCC.
- Berechne die voraussichtliche Spannung an Messpunkt (MP): -VCC abzüglich 1,3 Volt
- Messe nach der Berechnung die Spannung an Messpunkt (MP).
Das Messgerät sollte eine negative Spannung (negatives Vorzeichen) anzeigen. Der Zahlenwert sollte etwas geringer als +VCC sein.
Weitere Schaltungen:
Diese Schaltung selber aufbauen und experimentieren
Das Timer-IC NE555 ist ein echter Klassiker der Elektronik. Für viele ist dieses NE555 der Einstieg in die Anwendung integrierter Schaltkreise. Denn es gibt vielfältige Möglichkeiten den NE555 einzusetzen. Ob blinkende LEDs, Zeitgeber oder Signalgeneratoren.
Mit dabei ist der Elektronik-Guide Timer Edition (PDF-Datei zum Download) mit Erläuterungen zu allen Bauteilen, den theoretischen Grundlagen des Timers, Experimente mit Grundschaltungen und praxisorientierten Anwendungen. So wird dir schnell klar, wie der Timer tickt und was du alles damit machen kannst.
Frag Elektronik-Kompendium.de
Elektronik-Set Timer Edition
Das Timer-IC NE555 ist ein echter Klassiker der Elektronik
Im Elektronik-Set Timer Edition ist das Timer-IC NE555 mit weiteren Bauteilen enthalten, mit denen du 35 Grundschaltungen, Experimente und Anwendungen realisieren kannst.
- Experimente mit den Grundschaltungen des NE555
- Funktionsweise durch spielerische und praxisorientierte Vorgehensweise
- Nachbau von Schaltungen, die wirklich funktionieren
Elektronik-Workshop: Timer 555
Grundlagen und anwendungsorientierte Timer-Schaltungen
Das Buch "Elektronik-Workshop: Timer 555" kombiniert Grundlagenwissen mit erprobten Schaltungsbeispielen und ausgesuchten Datenblatt-Auszügen.
Was dich erwartet:
- Eine verständliche Beschreibung und Analyse des Innenlebens des 555
- Zahlreiche, praxisbewährte Anwendungen für Einsteiger und Fortgeschrittene
- Wertvolle Hinweise zur CMOS-Version
- Alternative Timer- und Taktgeber-Schaltungen
Elektronik-Fibel
Elektronik einfach und leicht verständlich
Die Elektronik-Fibel ist ein Buch über die Grundlagen der Elektronik, Bauelemente, Schaltungstechnik und Digitaltechnik.




