NE555: Grundlagen

- Ursprünglich als präziser Zeitgeber gedacht
- Meist als Multivibrator eingesetzt
- Zeit- und Verzögerungsschalter (monostabiler Multivibrator)
- Erzeugen eines Rechtecksignals als Taktgenerator oder Oszillator (astabiler Multivibrator)
- Speichern von Zuständen als Kippstufe (bistabiler Multiplikator)
Der NE555 enthält eine monolithisch integrierte Zeitgeberschaltung, auch Timer genannt. Er ist ein Standard-Baustein für alle taktbezogenen und zeitabhängigen Anwendungen in der praktischen Elektronik. Er ist so universell einsetzbar, dass er als wichtigster integrierter Schaltkreis gilt. In der Elektronik-Ausbildung und für Hobby-Elektroniker ist er der beliebteste integrierte Schaltkreis.
Aber, der NE555 liefert keine fertigen Funktionen. Erst über eine äußere Beschaltung werden dem NE555 bestimmte Funktionen oder Eigenschaften beigebracht. Zum Beispiel die beliebten Taktgeberschaltungen, um LEDs zum Blinken zu bringen oder Lauflichter zu betreiben.
Der NE555 ist bipolar. Es gibt auch CMOS-Versionen. Zum Beispiel LMC555CN und TLC555CP. Der einzige nennenswerte Nachteil ist der geringe maximale Ausgangsstrom, den CMOS-Bausteine haben. Hier braucht man in jedem Fall am Ausgang eine Transistor, der als Schalter dimensioniert ist.
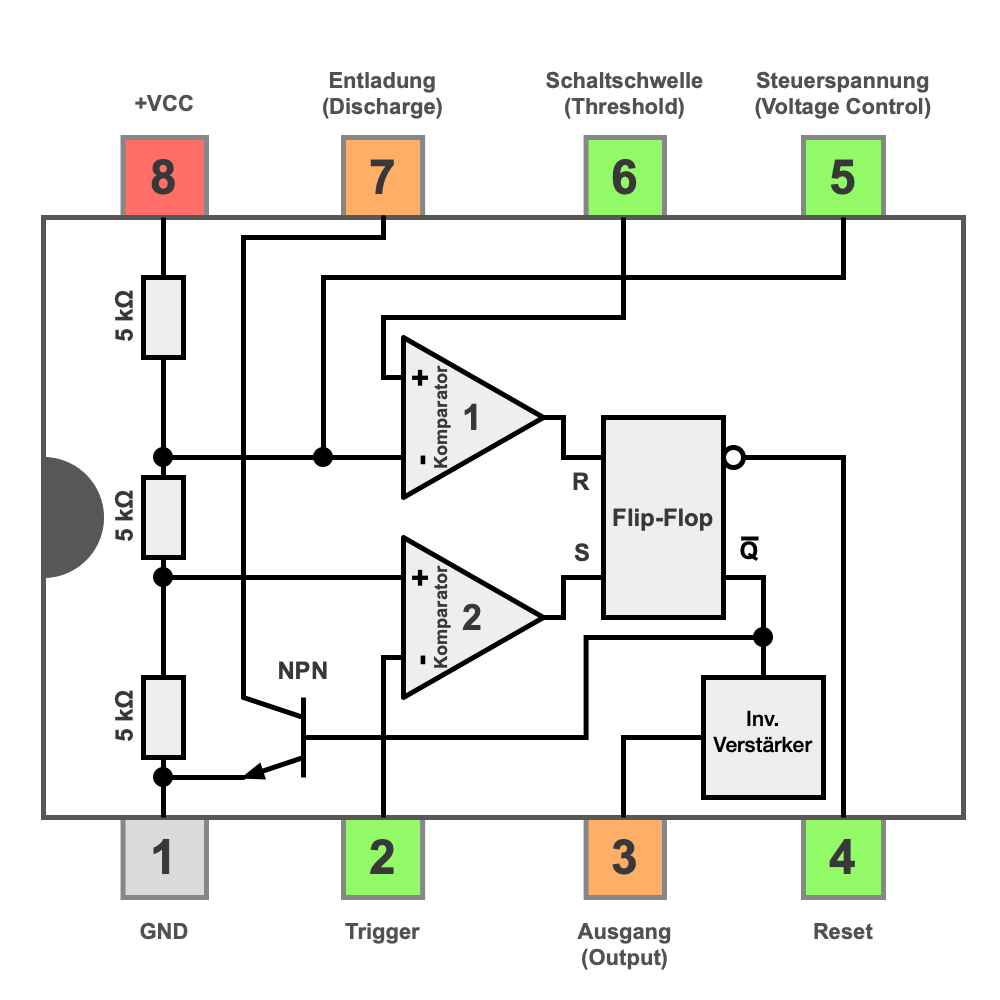
Pinout NE555

- Threshold (Schaltschwelle) und Trigger sind die Haupteingänge mit denen die meisten Anwendungen realisiert werden.
- Reset und Control Voltage (Steuerspannung) sind Hilfseingänge, mit denen zusätzliche Möglichkeiten bestehen die Zustände der Schaltung zu beeinflussen.
- Output (Ausgang) ist ein Ausgang, der die Zustände HIGH und LOW annehmen kann. Bei HIGH hat der Ausgang etwas weniger als +VCC und bei LOW etwas mehr als 0 Volt.
- Discharge (Entladung) ist im Prinzip ein Ausgang mit einem offenen Kollektor (Open Collector, OC), der gegen GND schaltet, wenn der Ausgang nach LOW schaltet. Dadurch fließt der Strom in das IC hinein und von dort nach GND.
Wichtige Daten
Je nach Typ und Hersteller können diese Angaben abweichen.
- Betriebsspannung (VCC): 4,5 V bis 16 V
- Betriebsstrom (VCC = 5 V): 3 bis 6 mA (ohne Ausgangsstrom)
- Betriebsstrom (VCC = 15 V): 10 bis 15 mA (ohne Ausgangsstrom)
- Ausgangsstrom: max. 200 mA (bipolare Version)
- Betriebstemperatur: 0 bis 70 °C
- Frequenzbereich bis 500 kHz
- Zeitglied von Mikrosekunden bis Stunden
- geeignet für astabile oder monostabile Operationen
- TTL-kompatibel
Anwendungen
Die Anwendungen des NE555 umfassen Zeitschaltungen, Taktgeber, Signalgeneratoren, LED-Blitzer, Sensorik und Komparatoren sowie digitale Anwendungen wie Negator, Logik-Verknüpfungen, Pegelwandler, Flip-Flops und Treiber.
- ...
Weitere verwandte Themen:
- NE555: Innenschaltung mit Beschreibung
- NE555: Eingänge und Ausgänge
- NE555: Die einfachste Schaltung
- NE555: Nutzung in der Praxis
Das Timer-IC NE555 ist ein echter Klassiker der Elektronik. Für viele ist dieses NE555 der Einstieg in die Anwendung integrierter Schaltkreise. Denn es gibt vielfältige Möglichkeiten den NE555 einzusetzen. Ob blinkende LEDs, Zeitgeber oder Signalgeneratoren.
Mit dabei ist der Elektronik-Guide Timer Edition (PDF-Datei zum Download) mit Erläuterungen zu allen Bauteilen, den theoretischen Grundlagen des Timers, Experimente mit Grundschaltungen und praxisorientierten Anwendungen. So wird dir schnell klar, wie der Timer tickt und was du alles damit machen kannst.
Frag Elektronik-Kompendium.de
Elektronik-Set Timer Edition
Das Timer-IC NE555 ist ein echter Klassiker der Elektronik
Im Elektronik-Set Timer Edition ist das Timer-IC NE555 mit weiteren Bauteilen enthalten, mit denen du 35 Grundschaltungen, Experimente und Anwendungen realisieren kannst.
- Experimente mit den Grundschaltungen des NE555
- Funktionsweise durch spielerische und praxisorientierte Vorgehensweise
- Nachbau von Schaltungen, die wirklich funktionieren
Elektronik-Workshop: Timer 555
Grundlagen und anwendungsorientierte Timer-Schaltungen
Das Buch "Elektronik-Workshop: Timer 555" kombiniert Grundlagenwissen mit erprobten Schaltungsbeispielen und ausgesuchten Datenblatt-Auszügen.
Was dich erwartet:
- Eine verständliche Beschreibung und Analyse des Innenlebens des 555
- Zahlreiche, praxisbewährte Anwendungen für Einsteiger und Fortgeschrittene
- Wertvolle Hinweise zur CMOS-Version
- Alternative Timer- und Taktgeber-Schaltungen
Elektronik-Fibel
Elektronik einfach und leicht verständlich
Die Elektronik-Fibel ist ein Buch über die Grundlagen der Elektronik, Bauelemente, Schaltungstechnik und Digitaltechnik.




