Echter Differenzverstärker I
- Elektronik-Minikurse: Inhaltsverzeichnis WICHTIG: Diverse technische Infos
- Elektronik-Minikurse: Philosophie (Sinn, Vorwissen, Praxisbezug)
- Hilfe bei Leserfragen. (WICHTIG: Unbedingt zur Kenntnis nehmen!)
- Simulieren und Experimentieren, ein Vorwort von Jochen Zilg
- Autor: Thomas Schaerer Opamp-Buch Timer555-Buch
Einleitung
Was ist ein echter Differenzverstärker? Oder, da man annehmen muss, wenn
es einen echten, logischerweise auch einen falschen geben muss: Was
unterscheidet einen echten von einem unechten Differenzverstärker?
Einen unechten Differenzverstärker gibt es natürlich nicht. Ich selbst
mache diese Unterscheidung, wenn ich einen sogenannnten
Instrumentationsverstärker (Instrumentationamplifier) von einem
einfachen Differenzverstäker, realisiert mit nur gerade einem einzigen
Operationsverstärker (Opamp), unterscheide. Diese echten
Differenzverstärker nannte man früher auch Elektrometersubtrahierer. Der
Begriff kommt aus der Morgendämmerung der Elektrotechnik, als man
Gleichspannungen (DC-Spannungen) mit eben diesen Elektrometern sehr
hochohmig gemessen hat. Der sehr hohe Eingangswiderstand ist die
besondere und wichtige Eigenschaft des echten Differenzverstärkers, eben
des Instrumentationsverstärkers. Daher wurde früher die Bezeichnung
Elektrometer übernommen. Die folgende einfache Skizze in Bild 1 zeigt
wie ein Elektrometer funktioniert.

Das Elektrometer, auch Elektroskop genannt, besteht prinzipiell aus zwei
sehr feinen Metallklingen, die in einem Glasbehälter eingeschlossen sind
und elektrisch mit dem äusseren Umfeld in Verbindung stehen. Wird auf
diesen Anschluss eine elektrische Spannung übertragen, so stossen sich
diese beiden Metallklingen wegen Ladungsgleichheit auseinander. Der
Winkel ist dabei sehr grob das Mass für die Spannung. Dies funktioniert
allerdings nur bei hohen Spannungen, wie sie z.B. durch elektrostatische
Ladungen, die bei Reibungseffekten an hochisolierenden Kunststoffen
auftreten. Ob die aufgeprägtem Ladungen positiv oder negativ sind,
spielt keine Rolle, weil die Metallklingen immer gleichpolig geladen
werden. Die Spannung einer Taschenlampenbatterie erzeugt so wenig
Ladungsträger auf die beiden Metallklingen, dass die elektrostatische
Abstosskraft viel zu gering ist um die Klingen auseinander zu drücken.
Doch nun verlassen wir die romantische Vorgeschichte des aufkeimenden
Elektronikzeitalters und landen wieder in der Gegenwart, in der Realität
der Instrumentationsverstärker.
Wer sich jedoch zusätzlich von der alten Elektrometertechnik
faszinieren lassen möchte, empfehle ich den Link:
Unsicher im Sattel?
Wer Mühe hat diesem Elektronik-Minikurs zu folgen, empfehle ich zuerst
die
Anwendungs-Grundlagen
über Operationsverstärker, die das ELKO von Patrick Schnabel bietet,
weil der Operationsverstärker (Opamp) ist die Basis des
Instrumentationsverstärkers. Für den Einstieg zusätzlich empfehlenswert
sind meine folgenden vier Opamp-Elektronik-Minikurse:
- Operationsverstärker I: Virtueller GND, virtuelle Spannung, GND, Arbeitspunkt und Eingangswiderstände bei invertierender und nichtinvertierender Verstärkung. Aussteuerung des Opamp. DC-Offsetkompensation.
- Operationsverstärker II: Die Gain- und die Offsetabstimmung, und die Problembeseitigung von kapazitiver Belastung am Ausgang des Operationsverstärkers, die sogenannte Lead-Kompensation.
- Operationsverstärker III: Das Einschwingverhalten des Operationsverstärkers. Vertiefung zum Thema virtuelle Spannung/GND. Ein etwas anderer Erklärungsansatz, ein Versuch zum leichteren Verständnis.
- Vom Operationsverstärker bis zum Schmitt-Trigger. Eine Demoschaltung!
Wozu überhaupt Instumentationsverstärker?

Bild 2 zeigt eine typische Anwendung aus der Elektromedizin. Maki, der
kleine pfiffige Lemure aus Madagaskar stellt sich zur Verfügung. Man
untersucht sein Herz und misst die elektrische Herzaktivität mittels
Elektrokardiogramm (EKG). Später werden wir noch von einem andern
bioelektrischen Signal, dem EMG-Signal, etwas lesen. In beiden Fällen
wird ein empfindlicher Instrumentationsverstärker und natürlich die
Elektroden benötigt. Die beiden kleineren Elektroden sind mit den
Eingängen des Differenzverstärkers und die etwas grössere
Referenzelektrode ist mit dem Bezugspotential, dem GND der
Betriebsspannung des Verstärkers und mit der Abschirmung des Kabels,
verbunden.
Da es in Madaskar feuchtheiss ist, liebt Maki viel Wärme und darum haben
wir eine kräftige Infrarotlampe für ihn aufgestellt, welche am Lichtnetz
mit 230 Volt Wechselspannung (AC-Spannung) betrieben wird. Das Netzkabel
am Boden und die nicht geerdete kabelführende metallene Lampenstange
erzeugt ein elektrisches 50-Hz-Wechselfeld in den umliegenden Raum.
Dadurch entsteht an den beiden kleinen Mess-Elektroden gegenüber GND und
Netzerde eine fast gleichgrosse Wechselspannung, bei einer solch
niedrigen Frequenz auch Brummspannung genannt. Da diese beiden gleich
grossen Spannungen an +INP und -INP sich subtrahieren, wirkt sie sich
auf den Ausgang des Verstärkers kaum noch aus. Man nennt diese Spannung
Gleichtaktspannung, auf englisch Common-Mode-Voltage. Die Fähigkeit
diese Gleichtaktspannung zu unterdrücken nennt man
Gleichttaktunterdrückung, auf englisch Common-Mode-Rejection (CMR). Das
Mass, die Gleichtaktspannung zu undrücken, bezeichnet man
Common-Mode-Rejection-Ratio (CMRR). Dieses Verhältnis wird in Dezibel
(dB) angegeben.
Warum die Gleichtaktunterdrückung nicht in dem Ausmass erfolgt, wie es
durch den (integrierten) Instrumentationsverstärker grundsätzlich
möglich wäre, kommt von Nichtidealitäten durch Elektrodenplatzierung
(Unterschiede in den Kontaktwiderständen) und unterschiedliche Längen
der nichtabgeschirmten Leitungsteile, welche diese gleichtaktaktive
Brummspannung geringfügig asymmetrisch macht. Sind die Elektroden auf
der Haut weit von einander entfernt, kann es sein, dass das störende
E-Feld bei der einen Elektrode stärker ist als bei der andern. Dies vor
allem dann, wenn sich der Proband oder der Patient sehr nahe an der
Störquelle befindet. Im vorliegenden Beispiel die Infrarot-Lampe. Wegen
solcher Nichtidealitäten benötigt man in einem EKG- oder
EMG-Messgerät oft noch ein nachgeschaltetes Bandsperrfilter
(Notchfilter) pro Messkanal, das auf die 50-Hz-Netzfrequenz (in den USA
60 Hz) abgestimmt sein muss.
Der Dämpfung mit einzelnen Bandsperrfiltern sind allerdings Grenzen
gesetzt. Sie sind in der Lage die Grundfrequenz (50 Hz) zu dämpfen,
jedoch nicht die Frequenzen der Oberwellen. Diese treten heutzutage je
länger je mehr in Erscheinung. Ein Hauptgrund ist die Verwendung von
sehr vielen Schaltreglern zur Speisung von Elektronik, wie sie in
Computern zur Anwendung kommen. Das stete Nachladen der Elkos, in den
Gleichrichterschaltungen, in der Nähe des Sinusscheitelwertes, hat
längst zu einer allgemeinen schrägen Abflachung des Sinusscheitelwertes
in der 230-VAC-Netzspannung geführt. Man kann dies sehr leicht mit einem
Oszilloskopen überprüfen und man stellt mit Erstaunen fest, dass dieser
"Sinus-Dachschaden" oft gut sichtbar auffällt. Will man auch die daraus
resultiernden Oberwellen unterdrücken, muss man ein Kammfilter
einsetzen, das auch die Frequenzen der Oberwellen dämpft. Dies ist
schaltungstechnisch sehr aufwändig. Wird das verstärkte und mit einem
Bandsperrfilter gefilterte Signal mittels Computer verarbeitet, ist es
mittels geeigneter Software einfacher zusätzliche störende Frequenzen,
wie die der Oberwellen, herauszufiltern.
Wer sich für in SC-Filter-Technik ralisierte 50-Hz-Notchfilter
interessiert, empfehle ich die folgenden beiden Elektronik-Minikurse:
- 50-Hz-Notchfilterbank in SC-Filter-Technik (Teil 1)
- 50-Hz-Notchfilterbank in SC-Filter-Technik (Teil 2)
Einfacher Differenzverstärker

Wir überlassen Maki seinem Doktor und kehren zur Elektronik zurück.
Teilbild 3.1 zeigt uns einen einfachen Differenzverstärker mit einem
einzigen Operationsverstärker. Diese Einfachheit verleiht dem
Differenzverstärker allerdings auch seine Macken. Die beiden
Eingangswiderstände zwischen Ue1 und GND und Ue2 und GND sind
unterschiedlich, also asymmetrisch. Bei vorliegender Dimensionierung
beträgt der Eingangswiderstand an Ue1 100 k-Ohm, während er an Ue2 300
k-Ohm beträgt.
Verändert man Ue1, verändert sich deswegen die Spannung u- am
invertierenden Eingang nicht, weil diese stets identisch ist mit der
Spannung u+ am nichtinvertierenden Eingang, weil im eingeschwungenen
Zustand des Operationsverstärkers die Spannung am invertierenden Eingang
immer der dem nichtinvertierenden Eingang entspricht. Man bezeichnet die
Spannung am invertierenden Eingang auch als virtuelle Spannung. Diese
virtuelle Spannung wird zum virtuellen GND, wenn der nichtinvertierende
Eingang mit dem GND-Pegel verbunden ist.
In Operationsverstärker I
wird die virtuelle Spannung, bzw. der virtuelle GND, besonders
thematisiert. Bei einer Änderung von Ue1 verhält sich der
Eingangswiderstand genau so, wie wenn das andere Ende von R1, anstelle
mit dem invertierenden Eingang, fest mit GND oder fest mit einer
niederohmigen Spannungsquelle verbunden ist. Es leuchtet daher ein, dass
der Eingangswiderstand an Ue1 dem Wert von R1, hier 100 k-Ohm,
entspricht.
Dieser niederohmige Zustand des invertierenden Eingangs kommt durch die
Gegenkopplung des R2/R1-Netzwerkes und der hohen Leerlaufverstärkung
(Open-Loop-Gain) des Operationsverstärkers zustande. Die Spannung u1
über R2 passt sich stets so an, dass die Spannung u- der Spannung u+
entspricht. Das hat natürlich seine Grenzen. Wenn R2 zu niederohmig und
die Spannung u1 zu gross ist, wird der Operationsverstärker am Ausgang
überlastet. Die Amplituden an Ua werden begrenzt und die Schaltung
arbeitet nicht mehr richtig. u- ist nicht mehr mit u+ identisch. Ebenso
sind Grenzen gesetzt bei der Verstärkung und der Signalfrequenz. Wenn
R2 (R2') sehr viel grösser ist als R1 (R1'), das die gegengekoppelte
Verstärkung (Closed-Loop-Gain) ausmacht, und die Frequenz des Signals
auch sehr hoch ist, kann die Bedingung u- = u+ ebenso nicht mehr
eingehalten werden. Dadurch leidet die virtuelle Spannung u- am
invertierenden Eingang. Will man sich mit dieser Thematik tiefer
auseinandersetzen, muss man sich mit der sogenannten
Unitygain-Bandbreite (Frequenzbandbreite bei einer Verstärkung von 1)
und der Slewrate (Steilheit des Ausgangssignales) von
Operationsverstärkern auseindersetzen. Solches erfährt man in
Datenblättern und in entsprechend tiefergehender Literatur, wie z.B. im
Buch Halbleiter-Schaltungstechnik" von U.Tietze und Ch. Schenk.
Wir kommen jetzt zu Ue2. Verändert man diese nichtinvertierende
Eingangsspannung, so verändert sich im Verhältnis des Spannungsteilers
R2'/(R2'+R1') auch die Spannung u+ am nichtinvertierenden
Eingang des Operationsverstärker, weil dieser sehr hochohmig ist. Diese
Hochohmigkeit liegt einerseits daran, dass ein moderner
Operationsverstärker hochohmige Eingänge besitzt und anderseits daran,
dass im eingeschwungenen Zustand des Operationsverstärkers, keine
Differenzspannung zwischen u+ und u- vorliegt. Die Eingangsimpedanz von
Ue2 entspricht daher der Summe von R1' und R2' und das ist hier ein Wert
von 300 k-Ohm. Wegen dieser Asymmetrie der Eingangswiderstände von Ue1
und Ue2 eignet sich ein einfacher Differenzverstärker nur für
niederohmige Spannungsquellen, damit eine Fehlverstärkung noch
toleriert werden kann. Diese ganze Betrachtung ist allerdings nur
korrekt, wenn am differenziellen Eingang des Operationsverstärkers ein
Gegentaktsignal vorliegt, wobei Gegentakt gilt auch dann, wenn eine
Eingangsspannung fix und die andere variabel ist.
Teilbild 3.2 zeigt mit einem Zahlenbeispiel die Gleichtaktsituation. An
Ue1 und Ue2 liegen exakt +3 V. Wegen der Spannungsteilung von R1' und
R2' liegt am nichtinvertierenden Eingang des Operationsverstärkers eine
Spannung von +2 V. Die selbe Spannung liegt im eingeschwungenen Zustand
des Operationsverstärker an seinem invertierenden Eingang, weil die
Differenzspannung 0 V sein muss. Daraus resultiert, dass über R1 sowie
über R1' eine Spannung von 1 V liegt. Für die invertierende Verstärkung
gilt die Formel
R2/R1. Da R2 doppelt so
gross wie R1 ist, ist über R2 auch die Spannung doppelt so hoch wie über
R1. Daraus resultiert über R2 eine Spannung von 2 V und die ist gleich
gross wie die über R2'. Dies hat zur Folge, dass an Ua eine Spannung von
0 V anliegt. Die Gleichtaktunterdrückung erfüllt sich. Nun erkennt man,
dass an R1/R2 und R1'/R2' exakt die selben Spannungsverhältnisse liegen
und beide Widerstandsteiler mit 0 V (GND) referenziert sind. Bei diesem
Zustand addieren sich R1 und R2 als auch R1' und R2' zu gleich grossen
Eingangswiderständen an Ue1 und Ue2.
Wenn diese Erklärung noch nicht ganz einleuchtet, stelle man sich bitte
vor, wenn man Ue1=Ue2 verändert, ändert sich ebenso die selbe Spannung
an den beiden Eingängen des Operationsverstärkers. Es ist, als ob der
Operationsverstärker gar nicht im Einsatz wäre und der Anschluss Ua mit
GND verbunden ist. u+ und u- sind im Gleichtakt synchron variabel!
Kompliziert wird die Sache mit dem Eingangswiderstand an Ue1, wenn sich
die Spannungen an Ue1 und Ue2 unterschiedlich verhalten, also ungleiche
Signale sind. Es können sich dann Zeitabschnitte von Gleichtakt und
Gegentakt abwechseln und damit ändert sich ständig der
Eingangswiderstand an Ue1. In einem solchen Fall ist es sinnvoll, die
Schaltung so zu realisieren, dass man sich nicht den Launen des
Eingangswiderstandes an Ue1 aussetzen muss. Damit sind wir wieder beim
Thema Instrumentationsverstärker.
Das Einschwingverhalten
Beim Einschwingverhalten geht es darum, dass ein Operationsverstärker niemals gleich schnell reagieren kann, wenn sich das Eingangssignal sprunghaft in sehr kurzer Zeit ändert. Die Reaktionsgeschwindigkeit ist einerseits von der Unitygain-Frequenzbandbreite bei kleineren und anderseits zusätzlich von der Slewrate bei grösseren Ausgangsspannungen abhängig. Das Einschwingverhalten von Operationsverstärkern wird in Operationsverstärker III thematisiert.
Der "echte" Differenzverstärker oder der Instrumentationsverstärker
Wir kommen jetzt zum eigentlichen Thema dieses Elektronik-Minikurses. Es geht um den Instrumentationsverstärker, der sich dadurch auszeichnet, dass die Eingangswiderstände am invertierenden und nichtinvertierenden Eingang praktisch unendlich hoch sind. Das heisst, dass diese Werte nur parasitärer Natur und nicht durch eine Beschaltung mit Widerständen bedingt sind. Eine solche Schaltung zeigt Bild 4:

Eine wesentlich bessere Gleichtaktunterdrückung lässt sich erzielen,
wenn die oft hohe Spannungsverstärkung in die ersten beiden
Operationsverstärker IC:A1,A2 verlagert wird und die
Differenzverstärkerstufe IC:A3 eine nur niedrige Verstärkung, von z.B.
1, enthält. Diese Schaltung hat den zusätzlichen Vorteil, dass man durch
Variation eines einzigen Widerstandes, nämlich R1, die
Differenzverstärkung einstellen kann. Die verstärkte Differenzspannung
zwischen den Ausgängen von IC:A1 und IC:A2 wird mit Hilfe des
Differenzverstärkers IC:A3 auf den asymmetrischen Ausgang Ua übertragen,
der auf GND bezogen ist.
Bei einer reinen Gleichtaktspannung - also beide Spannungswerte von Ue1
und Ue2 sind gleich gross und sie haben die selbe Polarität - hat die
Eingangsstufe IC:A1,A2 nur die Verstärkung 1, gleichgültig ob sie mit
noch so hoher Differenzverstärkung dimensioniert ist. Wie ist das
möglich? Ganz einfach, man stelle sich vor, beide Eingänge sind
miteinander verbunden und man legt eine Spannung von z.B. 1 V an. Beide
Operationsverstärker erzeugen an den invertierenden Eingängen exakt die
selbe Spannung von 1 V, weil im eingeschwungenen Zustand die
Differenzspannung der Eingänge bei jedem der beiden Operationsverstärker
0 V sein muss. Dies bedeutet aber, dass durch R1 kein Strom fliessen
kann. Es kommt in diesem Fall also auf das selbe heraus, als ob R1 gar
nicht existiert. Jeder der beiden Operationsverstärker arbeitet in
diesem Fall als reiner Impedanzwandler. Das ist eine Schaltung, bei der
der Ausgang des Operationsverstärkers direkt mit seinem invertierenden
Eingang verbunden ist. Diese Eigenschaft macht den
Instrumentationsverstärker besonders interessant zur Unterdrückung von
Gleichtaktsignalen und darum ist es vorteilhaft, wenn die höhere
Verstärkung von der Eingangsstufe IC:A1/A2 und nicht von IC:A3 bewältigt
wird.
Wichtige Erweiterung
Damit dieses Thema noch besser verstanden werden, gibt es eine
Erweiterung mit dem Kapitel "Instrumentationsverstärker zerlegen und
verstehen" in folgendem Link:
Das Kapitel "Erste Stufe stärker als die zweite" erklärt im
folgenden Minikurs ausführlich warum es Sinn macht, dass die erste Stufe
am meisten verstärkt. In diesem Zusammenhang wird besonders die
Gleichtakteigenschaft thematisiert.
Der Präzisions-Instrumentationsverstärker
Um es gleich vorwegzunehmen, es gibt schon sehr lange integrierte
Instrumentationsverstärker mit hoher Eingangsimpedanz, hohe
Gleichtaktunterdrückung durch lasergetrimmte Widerstände, grosse
Frequenzbandbreite, niedrigem Rauschen und geringer DC-Offsetspannung.
Ein begehrtes Bauteil ist der INA111 von Burr-Brown.
Ich erwähne dies um darauf hinzuweisen, dass der hier erlernte Stoff
nicht unbedingt nachgebaut werden muss. Es geht hier ganz einfach darum
zu lernen, wie ein Instrumentationsverstärker funktioniert und auf was
es ankommt, wenn Präzision gefordert ist. Trotz den intergrierten
Instrumentationsverstärkern gibt es gute Gründe einen solchen
quasidiskret mit drei einzelnen Operationsverstärkern (in einem IC, z.B.
Quad-Opamp wie TL074) selbst aufzubauen. Es kann der Preis oder der
Grund kann auch sein, dass man die notwendigen technischen Parameter
selbst dimensionieren will, weil man das passende Bauteil nicht findet.
Auch die Langzeitverfügbarkeit könnte mit ein Grund sein, selbst die
Schaltung zu realisieren. Eine solche Schaltung sehen wir in Bild 5:

Präzise Gleichtaktunterdrückung, statisch
Bild 5 erweitert Bild 4 u.a. mit einem präzisen Ableich der
Gleichtaktunterdrückung. Das Mass dieser Unterdrückung ist davon
abhängig, wie genau die vier gleich grossen R3-Widerstände aufeinander
abgestimmt und natürlich wie gleich die beiden Eingangssignale Ue1 und
Ue2 in Spannung und Phase sind. Ist die externe Signalquelle sehr
hochohmig (z.B. elektromedizinische Messung wie EMG oder EKG), kommt
hier der extrem hohe und symmetrische Eingangswiderstand, ohne Re im
Einsatz, zugute. Ohne Re ist dieser besonders bei der Verwendung von
BiFET- oder CMOS-Operationsverstärkern extrem hoch, weit im G-Ohm-, ja
sogar im T-Ohm-Bereich. Man darf allerdings die Realität nicht
unterschätzen, dass eine Verschmutzung der Printplatine, derart
hochohmige Eingangswiderstände drastisch reduzieren kann. Re,
gestrichelt angedeutet, kann man beliebig wählen, falls überhaupt nötig
oder erwünscht. Re reduziert die Eingangswiderstände an Ue1 und Ue2,
definiert dafür die Arbeitspunkte von IC:A1 und IC:A2 auf GND-Potential,
falls gerade keine externe Quelle angeschlossen ist. Falls die externe
Quelle mit AC-Kopplung (Kondensator in Serie zu Ue1 und Ue2) erfolgt,
sind die beiden Re-Widerstände zur Definition des GND-Arbeitspunktes
unbedingt notwendig. Diese Re-Widerstände dürfen bei bei JFET- und
besonders bei MOSFET-Eingangsstufen des Instrumentationsverstärkers sehr
hochohmig sein. 100-M-Ohm oder mehr sind dabei durchaus legitim.
Benutzt man in einer Schaltung die R3-Widerstände mit einer Genauigkeit
von 1%, kann im schlimmsten Fall das Ungleichgewicht des
R3-Widerstandsnetzwerkes 4% betragen, was sich entsprechend ungünstig
auf die Gleichtaktunterdrückung auswirkt. Die Reproduzierbarkeit ist
schlecht. Nun kann man wählen entweder teurere 0.1%-Widerstände
einzusetzen oder man benutzt 1%-Widerstände und eines der R3-Widerstände
wird aufgeteilt in Widerstand und Trimmpotmeter. Beide sind in Serie
geschaltet. Die Werte des Widerstandes und des Trimmpotmeter müssen so
dimensioniert werden, dass mit dem Trimmpotmeter ein Bereich von
mindestens 4% Toleranz abgestimmt werden kann, falls man 1%-Widerstände
verwendet. Es empfiehlt sich ein 10-Gang-Cermet-Trimmpotmeter zu
verwenden und für die Widerstände sind Metallfilmtypen wegen dem
geringen Temperaturkoeffizienten ein absolutes Muss. Diese sind heute
kaum noch teurer als Kohleschichtwiderstände.

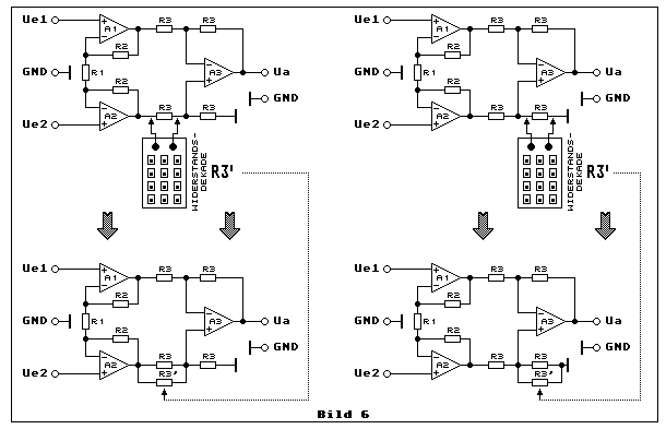
Bild 6 zeigt eine alternative Methode, wenn man aus Platzgründen auf ein
Trimmpotmeter verzichten will. Man baut fixe R3-Widerstände mit einer
Toleranz von 1% ein und man misst die Gleichtaktunterdrückung. Danach
schaltet man eine sogenannte Widerstandsdekade zu einem der beiden
R3-Widerstände parallel, welche mit dem nichtinvertierenden Eingang von
IC:A3 verbunden ist. Man muss an der Widerstandsdekade einen Wert
einstellen der mindestens 100 mal grösser als R3 ist. Wenn R3 = 10
k-Ohm, stellt man die R-Dekade vorzugsweise gleich auf den höchsten
Wert, der meist bei 10 M-Ohm liegt, ein. Nun schaltet man den Wert in
kleinen Schritten herunter. Beobachtet man dabei, dass die
Gleichtaktunterdrückung schlechter wird, bedeutet dies, dass man das
bereits vorhandene R3-Ungleichgewicht noch vergrössert. Die
Widerstandsdekade ist somit am falschen R3 parallelgeschaltet. Man
wechselt die R-Dekade zum andern R3-Widerstand der ebenso am
nichtinvertierenden Eingang liegt. Nun beginnt man mit der R-Dekade von
Neuem beim maximalen Wert und reduziert sukzessive in kleinen Schritten
bis die beste Gleichtaktunterdrückung erreicht ist. Damit ist ein
optimales R3-Gleichgewicht eingestellt. Reduziert man dann weiter,
verschlechtert sich das R3-Gleichgewicht erneut. Den so erreichten
optimalen Parallelwiderstandswert liest man von der Widerstandsdekade ab
und man lötet einen 1%-Widerstand, der diesem Wert am nächsten kommt,
parallel zu R3 ein. In einem integrierten Differenzverstärker tut man
etwas Ähnliches: Man stimmt die IC-internen Widerstände mit einem Laser
hochgenau ab.
Warum benutze ich zum Abgleich nur die R3-Widerstände beim
nichtinvertierenden Eingang von IC:A3? Man könnte natürlich ebenso die
gegenüberliegenden R3-Widerstände zum Abgleichen benutzen, wenn da nicht
die Praxis ein Strich durch die Rechnung macht. Dies würde nämlich
bedeuten, dass ein Draht zur R-Dekade am invertierenden Eingang von
IC:A3 angeschlossen werden müsste. Dieser Eingang ist aber hochsensitiv,
weil er schliesslich virtuell der Spannung des nichtinvertierenden
Einganges entsprechen muss. Die geringste Störspannung auf diesem
neuralgischen Punkt verstärkt sich erheblich auf den Ausgang. Dies würde
eine Abstimmung mit einer Widerstandsdekade problematisch machen. Die
Schaltung kann so auch leicht zum Oszillieren angeregt werden. Zu
erwähnen ist noch, dass man diese Art der Abstimmung mit einer
Widerstandsdekade nur bei niedrigen Frequenzen, maximal im kHz-Bereich,
durchführen sollte, weil die Widerstandsdekade auf jeden Fall ein
parasitär-kapazitiver Störfaktor ist.
Der weitere Inhalt bezieht sich noch immer auf Bild 5. Dehalb folgt
hier noch einmal Bild 5:

Präzise Gleichtaktunterdrückung, dynamisch
Eine Printplatine besteht bekanntlich aus Leiterbahnen und diese haben ebenso bekanntlich gegenüber andern Leiterbahnen elektrische Kapazitäten. Man nennt diese Kapazitäten auch parasitär, weil sie unerwünscht, und wie Parasiten, lästig sind. Diese parasitären Kapazitäten sind sogar so lästig, dass man sie nicht einmal beseitigen kann. Durch intelligente Auslegung des Printlayouts, kann man allerdings dazu beitragen, dass an empfindlichen Stellen solche Kapazitäten möglichst gering sind. Der Rest der bleibt, muss man kompensieren und dies geschieht hier durch den Trimmkondensator C1. Weil die parasitären Kapazitäten bei den beiden R3-Widerstandsnetzwerken um den invertierenden und nichtinvertierenden Eingang von IC:A3 unterschiedlich sind, kann man dieses Ungleichgewicht mit der Abstimmung von C1 kompensieren. Dadurch erreicht man, dass der Instrumentationsverstärker auch bei höheren Frequenzen eine brauchbare Gleichtaktunterdrückung hat, sofern man mit der höheren Frequenz die Frequenzandbreite und/oder die Slewrate der einzelnen Operationsverstärker noch nicht ausreizt. Die Kapazität des Trimmkondensators liegt im Bereich einiger zehn bis hundert Picofarad. Dies ist stark abhängig von den R3-Widerstandswerten. Bevor man so etwas ultimativ dimensioniert, sollte man sowieso zuerst mit einer Prototypenschaltung auf einem Printlayout experimentieren. Wilde Verdrahtungen, Fädeltechnik o.ä. haben hier nichts verloren!
Präziser DC-Offsetpannungsabgleich
Die DC-Offsetspannung kann je nach Verstärkung von IC:A1,A2 recht gross
sein, wenn keine Operationsverstärker mit besonders niedriger
DC-Offsetspannung eingesetzt werden. Die äquivalenten
Eingangs-DC-Offsetspannungen haben bei Allerweltoperationsverstärkern
leicht Werte von 5 mV oder mehr. Bei einer Verstärkung von 100 verstärkt
sich dies bereits auf 500 mV. Dieser Wert entscheidet, wie man das
DC-Offsetkompensationsnetzwerk R4 bis R6 dimensionieren muss. Muss eine
mögliche DC-Offsetspannung von 500 mV abgeglichen werden, dann müssen R4
und R5 so dimensioniert werden, dass +Uo = +500mV und -Uo = -500mV oder
etwas mehr haben. Der Wert des Trimmpotmeters R6 ist unkritisch. Es
empfiehlt sich ein 10-Gang-Trimmpotmeter. C2 unterdrückt allfällige
Störsignale von der Speisung und das Rauschen des
DC-Offsetkompensationsnetzwerkes R4 bis R6.
Allerdings hat diese DC-Offsetkompensationsmethode auch ihre Grenzen!
Wenn die Verstärkung der Vorstufe IC:A1,A2 sehr hoch ist und diese
Operationsverstärker relativ hohe äquivalente
Eingangs-DC-Offsetspannungswerte haben, kann die DC-Offsetspannung an
den Ausgängen von IC:A1 und/oder IC:A2 im Voltbereich liegen. Man kann
mit R6, bei richtiger Dimensionierung von R4 und R5, zwar durchaus die
DC-Offsetspannung an Ua kompensieren, aber die maximale Aussteuerung der
Amplitude ist um den Betrag der Ausgangs-DC-Offsetspannung der Vorstufe
asymmetrisch. Einzige vernünftige Abhilfe: Operationsverstärker mit
geringeren DC-Offsetwerten verwenden. Das selbe Problem besteht auch
dann, wenn die differenzielle Eingangsspannung mit zu hoher
DC-Offsetspannung überlagert ist.
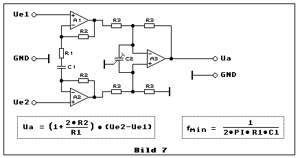
Instrumentationsverstärker nur für Wechselspannungen

Bild 7 zeigt uns die Möglichkeit mit Hilfe eines
Instrumentationsverstärkers nur Wechselspannungen oberhalb einer
definierten unteren Grenzfrequenz fmin zu
verstärken. Dies erreicht man dadurch, dass man zu R1 C1 in Serie
schaltet. Dies ergibt ein passives Hochpassfilter erster Ordnung. Durch
die Gegenkopplung der beiden Operationsverstärker IC:A1,A2 werden an den
invertierenden Eingängen die Spannungswerte von Ue1 und Ue2
aufgezwungen. Man sagt auch, dass die Spannungen an den invertierenden
Eingängen virtuell den Spannungen an den nichtinvertierenden Eingängen
entsprechen. Sind diese nichtinvertierenden Eingänge mit GND verbunden,
dann haben die invertierenden Eingänge einen virtuellen GND-Status. Wenn
man es genau nimmt, allerdings mit geringen Abweichungen, weil die
offene Schlaufenverstärkung endlich und von der Frequenz abhängig ist.
Weil wir es hier mit Frequenzen unterhalb der bereits erwähnten
kritischen Grenzen zu tun haben, gilt, dass der Eingangswiderstand an
den invertierenden Eingängen im Vergleich zu R1 vernachlässigbar gering,
also praktisch Null ist. Daher genügt es für die Berechnung der
Grenzfrequenz des passiven Hochpassfilters erster Ordnung, bestehend aus
R1 und C1, alleine mit diesen beiden Werten zu rechnen. Die einfache
Berechnungformel steht in Bild 7. Diese Grenzfrequenz ist auch die der
gesamten Verstärkerschaltung, definiert mit der relativen Dämpfung von
-3 dB.
Da die erste Stufe, bestehend aus IC:A1,A2, meist mit einer hohen
Verstärkung dimensioniert ist, erzeugt sie ohne dieses Hochpassfilter
den Löwenanteil an DC-Offsetspannung. Mit C1 erreicht man, dass die
beiden Operationsverstärker IC:A1 und IC:A2 Gleichspannungen nur noch
mit Verstärkung 1 verstärken. So natürlich auch die äquivalente
Eingangs-DC-Offsetspannung. IC:A3 subtrahiert diese Spannungswerte.
Das R1C1-Hochpassfilter hat aber noch den weiteren Vorteil, dass
störende Gleichspannungsanteile von Signalquellen, bei denen man nur an
der Wechselspannung interessiert ist, unterdrückt werden. Praktisch
kommt dies bei der Messung von bioelektrischen Signalen zur Anwendung.
Bild 8 illustriert dies am Beispiel der Messung von
elektromyographischen Signalen (EMG):

Dabei verbindet man Oberflächenelektroden aus gleichem Metall mit
elektrisch leitender Paste mit der Hautoberfläche. Durch den
Ionenaustausch an der Grenzzone zwischen Elektrodenmetall und Zellgewebe
entsteht eine elektrochemische Spannung, die leicht den Wert bis 1 V
haben kann. Diese Quasi-Gleichspannung wird allerdings mit der zweiten
Elektrode kompensiert (U1 - U2), da sie aus dem selben Metall besteht.
Das ist wie wenn man zwei Batterien gleichpolig in Serie schaltet, wie
Bild 8 ebenfalls zeigt. Trotzdem gibt es geringfügige Unterschiede im
10mV-Bereich. Die EMG-Wechselspannungssignale, mit Oberflächenelektroden
gemessen bei einigen 100 Hz bis etwa 1 kHz, sind jedoch etwa 100 mal und
mehr kleiner. Hätte der Instrumentationsverstärker kein
R1C1-Hochpassfilter (Bild 7), würde die elektrochemische
Differenzgleichspannung und die hohe Verstärkung den Verstärker in die
Sättigung treiben und es gäbe kein Signal am Ausgang.
Hautoberfächenelektroden werden mit Klebeband starr fixiert. Dadurch
erreicht man, dass die elektrochemische Differenzspannung aller
Elektroden einigermassen konstant bleibt. Sie ändern sich nur sehr
langsam. Man nennt solche Gleichspannungen auch quasistationär. Dies ist
allerdings nicht der Fall wenn EMG-Messungen intramuskulär mit Nadel-
oder ganz feinen Drahtelektroden durchgeführt werden. Diese invasive
Anwendung darf natürlich nur durch einen Arzt eingeleitet werden! Der
Patient bewegt bewusst und unbewusst die Muskeln welche mit diesen
Elektroden kontaktiert sind. Dadurch ändert sich auch immer leicht der
Ionenfluss an den Übergängen Elektrode/Muskelgewebe. Dies führt zu
grösseren und schnelleren Gleichspannungsschwankungen. Ein einfaches
RC-Tiefpassfilter reicht da bloss noch aus, dass der
Instrumentationsverstärker sicher nicht in die Sättigung getrieben wird.
Die Gleichspannungsschwankungen wirken sich dennoch störend auf das
Messsignal aus. Abhilfe schafft man hier mit einem aktiven
Hochpassfilter höherer Ordnung, das auf den Ausgang des
Instrumentationsverstärker folgt.
Die elektrochemische Spannung U3 an der Referenzelektrode wirkt sich
gleichermassen auf beide Messelektroden aus (Gleichtaktwirkung). Es
spielt auch keine Rolle welche Polarität U3 hat. U3 hebt sich auf. Übrig
bleibt einzig die Differenzgleichspannung Ud = U1 - U2.
R1, R2 und R3 symbolisieren die elektrischen Widerstände der
Elektrodenkontakte und des Zellgewebes zwischen den beiden
Messelektroden und zwischen diesen und der Referenzelektrode.
Interesse am Grenzbereich Medizin/Elektronik ?
Wie EMG-Signale biologisch entstehen, was man mit EMG-Messung und
EMG-Biofeedback bezweckt, etwas über Haut-Oberflächenelektroden und über
invasive Elektroden für intramuskuläre EMG-Messung, mit
Blockschaltbildern zu Biofeedback und zu Messungen für Forschungszwecke,
gibt es einen speziellen Elektronik-Minikurs, angereichert mit vielen
Links am Schluss zum selben Thema:
Fortsetzung
Dieser Elektronik-Minikurs ist in einem zweiten Teil fortgesetzt. Es
geht dabei zur Hauptsache um die Referenzierung des zu messenden
Signales und um die Referenzierung des R3-Widerstandes der in Bild 7
direkt mit GND verbunden ist und in Bild 5 mit einem aktiven
DC-Offsetkompensationsnetzwerk (R4, R5, R6 und IC:A4) angesteuert wird.
Man liest diese Erweiterung in:
Thomas Schaerer, ??.06.2000 ; 20.05.2001 ; 25.02.2002 ; 25.06.2002 ; 14.03.2003(dasELKO) ; 21.12.2003 ; 04.12.2004 ; 01.11.2005 ; 23.02.2006 ; 25.12.2010 ; 20.02.2014
