Exklusiv-NICHT-ODER (XNOR) aus NICHT-UND (NAND) mit CD4093 bauen

Ein XNOR-Gatter kann mit fünf NAND-Gattern realisiert werden. Zwei der NAND-Gatter erzeugen die Zwischenwerte. Die nachgeschalteten NAND-Gatter verknüpfen diese Zwischenwerte zum XOR-Ergebnis. Das fünfte NAND-Gatter invertiert dieses XOR-Ergebnis, um das XNOR-Ergebnis zu erhalten.
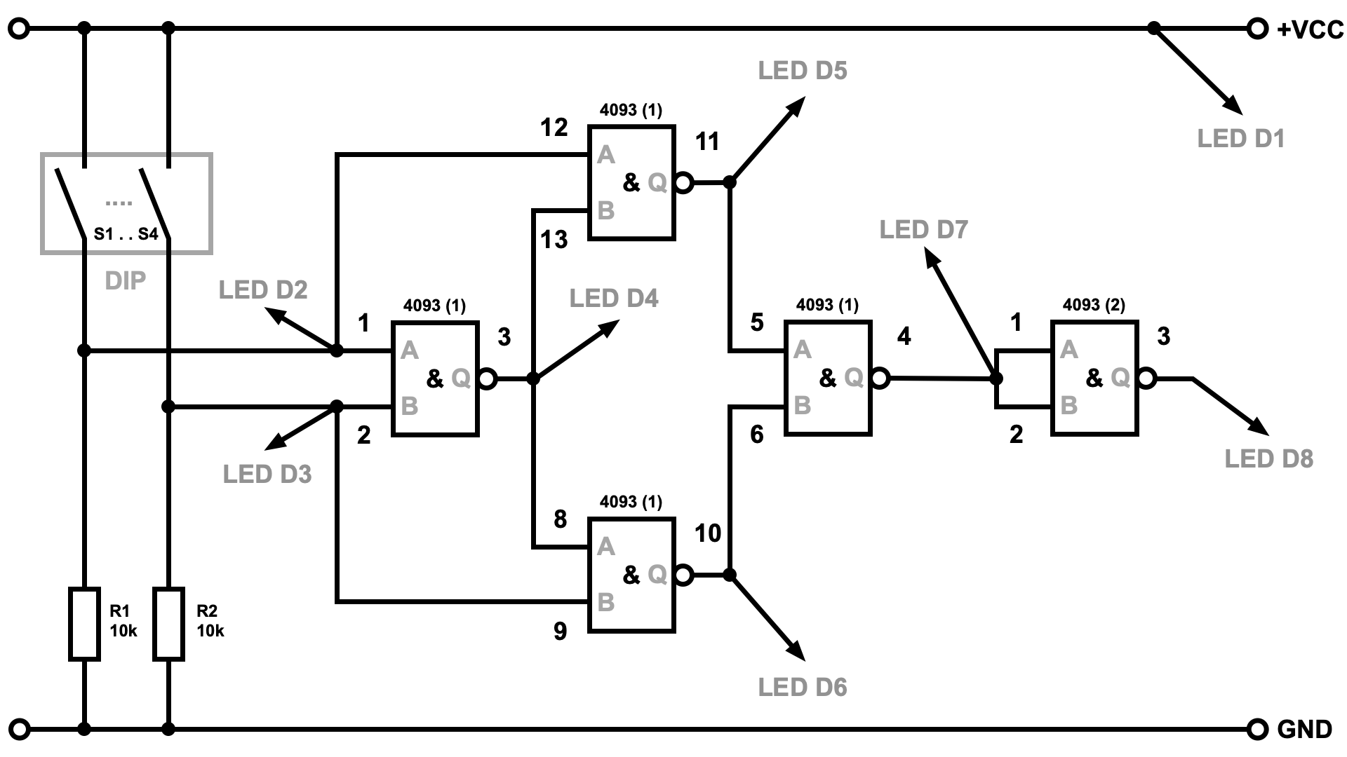
Dazu verwenden wir das CMOS-IC CD4093. Es enthält vier NAND-Gatter mit je zwei Schmitt-Trigger-Eingängen.
In der Grundstellung, wenn alle Schalter offen sind (Schalterstellung unten), dann leuchten die Leuchtdioden D8, D6, D5 und D4. Die Leuchtdiode D4 ist das Ergebnis des ersten Nicht-UND-Gatters (NAND) in der Schaltung. Die Leuchtdioden D5 und D6 sind das Ergebnis der beiden übereinanderliegenden NICHT-UND-Gatter (NAND) in der Mitte der Schaltung. Und die Leuchtdiode D7 leuchtet nicht und ist das Ergebnis des vorletzten NICHT-UND-Gatters (NAND). Die Leuchtdiode D4 geht nur dann aus, wenn beide Schalter oben (ON) stehen.
Grundsätzlich gilt, die Leuchtdiode D8 leuchtet immer dann, wenn die beiden Schalter an den Eingängen A und B die gleiche Stellungen haben. Also beide oben (ON) oder unten sind.
Hinweis: Schalterstellung oben (ON) = Schalter geschlossen = Leuchtdiode am Eingang leuchtet
Aufbau und Bauteile

Liste
- IC1: CMOS-IC 4093 (1) (z. B. CD4093)
- IC2: CMOS-IC 4093 (2) (z. B. CD4093)
- D1...8: LED-Leiste (oder LED mit Vorwiderstand)
- S1...4: DIP-Schalter
- R1: Widerstand, 10 kOhm (4 Ringe: Braun-Schwarz-Orange-Gold)
- R2: Widerstand, 10 kOhm (4 Ringe: Braun-Schwarz-Orange-Gold)
Kennzeichnung und Anschlussbelegung
Anwendung in der Praxis
Ein Exklusiv-NICHT-ODER ist immer dann sinnvoll, wenn man zwei Zustände auf Gleichheit prüfen möchte. Daraus kann man innerhalb einer digitalen Schaltung eine Bedingungen bauen. Weitere Anwendungen von XNOR-Gattern sind Fehlererkennung und Verschlüsselungsverfahren.
Weitere Schaltungen:
- NICHT-UND (NAND) mit CD4093
- NICHT (NOT) aus NICHT-UND (NAND) mit CD4093
- ODER (OR) aus NICHT-UND (NAND) mit CD4093
- NICHT-ODER (NOR) aus NICHT-UND (NAND) mit CD4093
- EXKLUSIV-ODER (XOR) aus NICHT-UND (NAND) mit CD4093
- Halbaddierer aus NICHT-UND (NAND) mit CD4093
- RS-Flip-Flop aus NICHT-UND (NAND) mit CD4093
Diese Schaltung selber aufbauen und experimentieren
Entdecke die Welt der digitalen Technik mit unserem Elektronik-Set Digital Edition. Es ist perfekt für Einsteiger, die ohne Vorkenntnisse in der Elektronik digitale Technik besser verstehen möchten.
Das Elektronik-Set Digital Edition enthält 15 Bauteile mit 10 unterschiedlichen elektronischen Bauelemente mit dem digitalen IC CD4093, mit denen du 15 Schaltungen aufbauen und erste Erfahrungen mit digitaler Technik und Elektronik sammeln kannst.
Frag Elektronik-Kompendium.de
Elektronik-Set Digital Edition
Entdecke die Welt der digitalen Technik
Unser Elektronik-Set Digital Edition ist perfekt für Einsteiger, die ohne Vorkenntnisse digitale Technik besser verstehen möchten.
Das Elektronik-Set Digital Edition enthält 15 Bauteile mit 10 unterschiedlichen elektronischen Bauelemente mit dem digitalen IC CD4093, mit denen du 15 Schaltungen aufbauen und erste Erfahrungen mit digitaler Technik und Elektronik sammeln kannst.
Elektronik-Set Starter Edition
Elektronik erleben mit dem Elektronik-Set Starter Edition
Perfekt für Einsteiger und Wiedereinsteiger
Elektronik-Set jetzt bestellen
Keine Lust alleine zu experimentieren?
Dann buche einen Online-Workshop Elektronik Starter zum Elektronik-Set dazu. Unsere Online-Workshops sind praxisorientiert und bietet eine grundlegende und fundierte Einarbeitung in die Elektronik.
Elektronik-Fibel
Elektronik einfach und leicht verständlich
Die Elektronik-Fibel ist ein Buch über die Grundlagen der Elektronik, Bauelemente, Schaltungstechnik und Digitaltechnik.



