Konstantstromquelle mit Operationsverstärker
und Bandgap-Spannungsreferenz,
und eine LED-Testschaltung.
- Elektronik-Minikurse: Inhaltsverzeichnis WICHTIG: Diverse technische Infos
- Elektronik-Minikurse: Philosophie (Sinn, Vorwissen, Praxisbezug)
- Hilfe bei Leserfragen. (WICHTIG: Unbedingt zur Kenntnis nehmen!)
- Simulieren und Experimentieren, ein Vorwort von Jochen Zilg
- Autor: Thomas Schaerer Opamp-Buch Timer555-Buch
Inhaltsverzeichnis
-
1. Einleitung
2. Grundlage Spannungsfolger
3. Mit Operationsverstärker und Transistor
4. Betriebsspannung und Gleichtakt
5. Dimensioniertes Beispiel
6. Die LED-Testschaltung
7. Das Testen einer LED-Reihe
8. Technische Daten zu Bild 6
9. Bauteilliste zu Bild 6
10. Steuerbare präzise Konstant-Stromquelle (Neu! November 2021)
11. Linkliste
1. Einleitung
In diesem Elektronik-Minikurs wird schrittweise erklärt, wie es möglich
ist mit Operationsverstärkern (Opamps) und Transistoren
Konstantstromquellen zu realisieren, dessen Ströme auf GND oder
auf die Betriebsspannung bezogen sind. Das sind zwei Eigenschaften, die
in sehr vielen Applikationen besonders gefragt sind.
Dabei spielt die Bandgap-Referenz eine wichtige Rolle, wenn hohe
Präzision und Temperaturstabilität erwartet wird. Ob der Konstantstrom
GND- oder auf +Ub bezogen sein soll, die Wahl des Opamp spielt dabei
eine wichtige Rolle. Entweder muss die Eingangs-Gleichtaktspannung bis
auf GND oder bis auf +Ub perfekt funktionieren. Verwendet man
Rail-to-rail-Opamps sind gleich beide Bedingungen erfüllt. Diese Opamps
sind jedoch oft teurer, seltener und dann nicht nötig, wenn nur die eine
Bedingung erfüllt sein muss. Für die GND-bezogene Konstantstromquelle
gibt es in allen Details ein erklärtes dimensioniertes Beispiel. Weiter
unten folgt eine leicht nachbaubare LED-Testschaltung mit dem
selben Konstantstromquellenprinzip.
Es gibt auch die Bezeichnung Bandgap-Dioden und Bandgap-Referenzdioden.
Das kommt davon, dass ma sie anstelle von Zener-Dioden einsetzt. Kommt
auch in meinen Elektronik-Minikursen vor. Ich neige aber eher dazu
Spannungsreferenz zu schreiben. Dies beschreibt z.B. den LM385 besser,
weil es die programmierbare Version mit zwei Widerständen und die zwei
Versionen mit fixen Spannung gibt. Mehr zur Bandgap-Referenz erfährt man
hier:
2. Grundlage Spannungsfolger

Teilbild 1.1 zeigt einen einfachen Spannungsfolger mit einem Opamp, den
man oft auch Impedanzwandler nennt, weil er mit Verstärkung 1 eine sehr
hohe Eingangsimpedanz in eine sehr niedrige Ausgangsimpedanz umsetzt.
Bei modernen Opamps mit JFET- oder CMOS-Eingängen liegt, sofern
unbeschaltet, der ohmsche Eingangsswiderstand im Tera-Ohm-Bereich. Die
Eingangsimpedanz ist natürlich abhängig von der Eingangskapazität und
der Frequenz.
Der statische Ausgangswiderstand beträgt praktisch Null Ohm, weil das
Verhältnis der offenen (open loop gain) zur geschlossenen
Schlaufenverstärkung (closed loop gain) extrem hoch ist. Dies hat auch
zur Folge, dass die Differenzspannung zwischen dem invertierenden und
nichtinvertierenden Eingang praktisch Null Volt ist. Nicht mehr ganz so
ideal verhält sich der Opamp in dieser Eigenschaft als Spannungsfolger
oder als Verstärker mit geringer Verstärkung, wenn er bei höherer
Frequenz arbeitet, weil dann die offene Schlaufenverstärkung (open loop
gain) niedriger ist. Diese dynamische Eigenschaft wird hier aber nicht
weiter thematisiert. Mehr zu diesem Thema liest man praxisbezogen im
folgenden Elektronik-Minikurs:
Mit Teilbild 1.2 rücken wir einen kleinen Schritt näher zum Ziel,
nämlich zum Verständnis der Konstantstromquelle, bestehend aus einem
Opamp und einem Transistor. Im Gegenkopplungspfad hat es ein Netzwerk
aus Diode D und Widerstand R (der ein Lastwiderstand bzw. Verbraucher
sein kann). Man kann D und R auch als Spannungsteiler betrachten, wobei
die Spannung über D praktisch konstant ist. Die geteilte Spannung wird
dem invertierenden Eingang des Opamp zugeführt. Diese Schaltung arbeitet
allerdings nur dann, wenn die Eingangsspannung Ue positiver als GND ist.
Ist sie negativer, sperrt D, und die Schaltung funktioniert nicht. Es
genügt allerdings eine Spannung an Ue die nur ganz geringfügig positiver
ist als GND. Warum? Ganz einfach. Wenn D noch nicht leitet, gibt es noch
keine Gegenkopplung und es wirkt die extrem hohe offene
Schlaufenverstärkung des Opamp.
Der Opamp verhält sich in diesem Augenblick, bis D durch Anstieg der
Spannung Ua' zu leiten beginnt, als Komparator. Danach wenn die
Gegenkopplung wirkt, weil D leitet, gilt die geschlossene
Schlaufenverstärkung. Diese hat einen Wert von 1, wenn man das
Spannungsverhältnis Ua/Ue und nicht Ua'/Ue verwendet. Dies leuchtet
schliesslich auch ein, weil die Differenzspannung zwischen den beiden
Eingängen des Opamp, im eingeschwungenen Zustand, 0 V sein muss.
Dazu ein in praktisches Beispiel: Ue ist 0.1 VDC, dann ist Ua ebenfalls
0.1 VDC. Also hat Ua' den Wert von Ua addiert mit der
Durchfluss-Spannung von D. Diese beträgt etwa 0.7 VDC bei einer
Silizium- und etwa 0.2 VDC bei einer Germaniumdiode. Ua' hat deshalb
einen Wert von 0.8 VDC (Silizium-Diode) und 0.3 VDC (Germanium-Diode).
Diese Schaltung hat keinen praktischen Sinn, sie dient lediglich als
"Sprungbrett" für das Verständnis der Schaltung in Teilbild 1.3.
Die Schaltung in Teilbild 1.3 funktioniert im Prinzip genau so wie
Teilbild 1.2 mit den selben Spannungsverhältnissen von Ue, Ua und Ua'.
Anstelle einer "richtigen" Diode wirkt hier der Basis-Emitter-Übergang
des NPN-Transistor T als Diode. Ua und Ua' sind hier kleiner
geschrieben, weil sie für die weitere Betrachtung nur indirekt von
Bedeutung sind. Was interessiert, ist der konstante Kollektorstrom Ic. T
verstärkt Ib zu Ic.
Was wir in Teilbild 1.3 haben, ist bereits eine (fast) perfekte
spannungssteuerbare Konstantstromquelle: Mit der Eingangsspannung Ue
und dem Widerstand R1 wird der Emitterstrom Ie von T definiert, weil Ua
= Ue. Genau so wie wir es von Teilbild 1.2 her kennen. Ib ergibt sich
aus Ie dividiert durch die augenblicklich wirksame Stromverstärkung von
T. Der Kollektorstrom Ic ergibt sich aus dem Emitterstrom Ie minus des
wesentlich kleineren Basisstromes Ib. Bei geringen Kollektorströmen,
z.B. im mA- bis 10-mA-Bereich, beträgt in einem Kleinsignaltransistor
die Stromverstärkung etwa 300 oder sogar wesentlich mehr, vorausgesetzt
die Kollektor-Emitterspannung beträgt mindestens einige Volt. Die
negative Abweichung von Ic gegenüber Ie beträgt also nur etwa 0.3 % oder
weniger. Für sehr viele Anwendungen reicht diese Präzision völlig aus.
Wenn nicht, kann man anstelle eines Transistors einen Darlington
einsetzen, Ua' ist dann allerdings um zwei
Basis-Emitter-Schwellenspannungen höher als Ua, was in der Regel kein
Nachteil ist.
Der Kollektorstrom Ic ist konstant. Das heisst Ic ist unabhängig vom
R2-Widerstand und der Spannung über R2. Ausser R2 ist so gross, dass der
konstante Strom, der durch Ic vorgegeben ist, unterschritten wird. Dies
geschieht dann, wenn die Spannung über R2 so gross ist, dass eine zur
Stromregelung minimale Kollektor-Emitter-Spannung von T unterschritten
wird. R2 darf aber Null Ohm haben, d.h. es braucht diesen Widerstand
überhaupt nicht.
Ich empfehle jedem Elektronik-Azubi unbedingt so etwas auf einem
Testboard
zu experimentieren, weil Elektronik muss man auch erleben!
Für Hochpräzisionsanwendungen muss man allerdings bedenken, dass auch
hier die Physik einen Streich spielt. Es ist der so genannte
Early-Effekt,
der dafür sorgt, dass der konstante Strom Ic geringstfügig
schwankt, wenn die Kollektor-Emitter-Spannung Uce von T stark variiert,
wobei es genau genommen um die Kollektor-Basis-Spannung Ucb geht. Ich
testete dies mal mit einer Uce-Spannungsvariation zwischen 1.5 VDC und 24
VDC bei einer nicht mit einem Opamp geregelten Konstantstromquelle
(1): Bei einem
Kollektorstrom von 10µA war die Abweichung 1 % und bei 1 mA waren es 2
%. Wer mehr über den Early-Effekt erfahren möchte, wende sich an
entsprechende Fachliteratur oder suche im Internet. Für unsere Anwendung
hier ist dieser physikalische Effekt belanglos. Man liest dazu etwas
im Buch
Halbleiter-Schaltungstechnik
von U.Tietze, Ch.Schenk und E.Gamm.
3. Mit Operationsverstärker und Transistor

Mit Bild 2 kommen wir zu zwei praktischen Ausführungen worüber wir
bisher gelernt haben. Wir schauen uns Teilbild 2.1 näher an:
Es ist das selbe Funktionsprinzip, wie in Teilbild 1.3. Z steht dort für
Zenerdiode (Z-Diode). Wir verwenden hier als stabile
Konstantspannungsquelle die deutlich bessere Alternative die
Bandgap-Spannungsreferenz, dessen Spannung extrem stabil ist
gegen Temperatur- und Stromschwankungen, innerhalb eines definierten
Bereichs. Die Kennzeichnung ist ebenfalls Z.
Der Hersteller dieser Bauteile gibt an welcher Strombereich eingehalten
werden muss, wobei dieser oft einen weiten Bereich über mehere Dekaden
zulässt. Man ist also ziemlich frei in der Wahl des Vorwiderstandes R1.
Die Spannung über R1, also U1, dividiert durch R1, bestimmt den Strom
Iz. Der Strom zum nichtinvertierenden Eingang des Opamps OA ist
vernachlässigbar kein. Batterieeinsatz und dem Einsatz von nur niedrigem
Konstantstrom Ic, ist es natürlich sinnvoll, Iz so niedrig zu wählen,
dass Z noch sicher einwandfrei arbeitet, damit die Verlustleistung der
gesamten Schaltung möglichst niedrig bleibt.
Aus dem bisher Gelernten wissen wir, dass die Spannung U2 der Spannung
Uz entspricht und der Emitterstrom Ie sich aus dem Verhältnis U2/R2
ergibt, wie dies die erste Formel im Kasten in Bild 2 zeigt. Die
Spannung zwischen Basis und GND ergibt sich aus U2 plus der
Basis-Emitter-Schwellenspannung Ube von T. Ib ergibt sich aus Ie
dividiert durch die Stromverstärkung von T. Ic, der konstante
Kollektorstrom, ergibt sich aus der Differenz von Ie und Ib (zweite
Formel). Bei hoher Stromverstärkung gilt, dass Ic praktisch gleich gross
ist wie Ie (dritte Formel).
Teilbild 2.2 arbeitet genau gleich, jedoch mit umgekehrten Spannungs-
und Stromvorzeichen. Während in Teilbild 2.1 ein konstanter positiver
Strom aus einer positiven Spannungsquelle +Ux in den Kollektor von T in
Richtung GND fliesst, fliesst in Teilbild 2.2 ebenso ein positiver Strom
aus dem Kollektor von T1 in Richtung Spannungsquelle -Ux. +Ux bzw. -Ux
dürfen unterschiedliche Werte haben. Sie sind auch nicht an die Werte
von +Ub bzw. -Ub gebunden. Wichtig ist bloss, dass die
Kollektor-Emitter-Spannung Uce von T mindestens etwa 2 VDC beträgt, weil
sonst die Stromverstärkung zurückgeht.
So formuliert, ist die Schaltung in Teilbild 2.1 eine Konstantstromsenke
(die Schaltung nimmt Strom auf) und die in Teilbild 2.2 eine
Konstantstromquelle (die Schaltung gibt Strom ab). Nun ist es allerdings
so, dass beide Schaltungen mit GND referenziert sind und aus diesem
Blickwinkel sind beide Schaltungen Stromsenken. Die in Teilbild 2.1
nimmt einen positiven und die in Teilbild 2.2 einen negativen
Konstantstrom auf. Aber das sind hier letztlich Wortspielereien. Ob man
diese Schaltungen als Stromquellen oder Stromsenken bezeichnet,
elektronisch ist beides das selbe. Als Beispiel gibt es allerdings dann
einen vernünftigen Grund von Stromsenken zu sprechen, wenn eine
Konstantstromquelle in einem Testgerät für Netzteile dazu dient, solche
mit einem konstanten Strom zu belasten. Zu diesem Thema gibt es einen
speziellen Elektronik-Minikurs mit dem Titel
Netzteil-Testgerät I,
wo die Angelegenheit Stromquelle contra Stromsenke diskutiert wird.
4. Betriebsspannung und Gleichtakt
Auf den ersten Blick scheinen sich die Bilder 2 und 3 identisch zu sein. Dem aufmerksamen Betrachter fällt aber auf, dass in Bild 3 die Opamps im Single-Supply-Modus arbeiten. Anstelle einer positiven und negativen Betriebsspannung (±Ub), gibt es nur eine positive (+Ub) und GND. Alles andere ist in den beiden Schaltungen identisch. Funktioniert denn das...?

Es funktioniert, wenn man auf die Wahl des Opamp und der konstanten Spannung Uz achtet. Wenn in Teilbild 3.1 die Spannung Uz im zulässigen Bereich der Eingangs-Gleichtaktspannung des Opamp liegt (Datenblatt), gibt es keine Probleme. Dasselbe gilt für Teilbild 3.2 mit dem Unterschied, dass Uz zwischen +Ub und dem nichtinvertierenden Eingang des Opamp liegt und nicht zwischen GND und demselben Eingang. Warum interessiert hier die Gleichtaktspannung? Ganz einfach, beide Opampeingänge haben im eingeschwungenen Zustand stets die selbe Spannung. Worum es bei dieser Sache etwas mehr im Detail geht, schildert Bild 4 und der folgende Abschnitt:

Jeder Opamp besteht eingangsseitig aus einer Differenzverstärkerstufe
mit einem invertierenden (INP-) und einem nichtinvertierenden Eingang
(INP+). Bei bipolaren Opamps kommen entweder NPN- (Teilbild 4.1a) oder
PNP-Transistoren (Teilbild 4.2a) zum Einsatz. Zwecks
Arbeitspunkteinstellungen und Spannungsverstärkung werden weitere
transistorisierte Schaltungsnetzwerke benötigt. Aus Platzgründen, und
wegen des sich günstig auswirkenden hohen dynamischen Innenwiderstandes,
kommen in diesen Netzwerken häufig Konstantstromquellen und Stromspiegel
anstelle von Widerständen zum Einsatz. Solche Schaltungen befinden sich
in den beiden Kästchen, die mit TNW1 und TNW2 bezeichnet sind (TNW =
Transistor-NetzWerk). Für unsere Betrachtungen ist es nicht nötig, dass
wir im einzelnen auf diese Netzwerke eingehen. Dies wäre auch viel zu
komplex und zu aufwändig, weil diese Netzwerke unterschiedlich
realisiert sind. Uns interessiert in Zusammenhang mit der
Eingangs-Differenzverstärkerstufe nur wie sich die Gleichtaktspannung
auswirkt.
Diagramm 4.1b illustriert die Gleichtakt-Situation der Schaltung 4.1a.
Dieses Diagramm zeigt, dass die Gleichtakt-Eingangsspannung INP (INP
bedeutet INP+ und INP-) grundsätzlich die positive Betriebsspannung V+
erreichen darf, um es vorsichtig auszudrücken. Es ist jedoch ganz sicher
unmöglich, dass INP die negative Betriebsspannung V- erreichen darf. V-
und V+ ist die Terminologie der Datenblätter vieler Opamps, während -Ub,
+Ub und ±Ub oft die Terminologie in Schaltungen und
Schaltungspublikationen ist, so in der Regel auch in meinen
Elektronik-Minikursen. V- kann anstatt -Ub auch GND sein, nämlich dann,
wenn der Opamp im Single-Supply-Modus, mit +Ub und GND betrieben wird.
Im Falle von eingangsseitigen NPN-Transistoren fliesst eindeutig ein
Basisstrom, wenn die Basis an V+ hängt. Ob der Opamp wirklich
funktioniert, ist schaltungstechnisch durch TNW1 und TNW2 bedingt.
Mit vielen Opamp-Typen dieser Art funktioniert es für die vorliegende
Anwendung im Kapitel "Die LED-Testschaltung" in
Bild 6
und bei den beiden Opamp-Typen LM301 und LM307 ist dies in den
Diagrammen Input Voltage Range der Datenblätter
dokumentiert.
Es ist darin allerdings ebenso dokumentiert, dass INP nicht bis zu V-
funktioniert. Warum eigentlich? Ganz einfach, unterhalb einer kritischen
Spannung unterbleiben die Basisströme der NPN-Transistoren. Dies ist
ganz sicher dann der Fall, wenn die Basis-Emitter-Schwellenspannung
unterschritten wird. Die Steuerbarkeit hört allerdings schon bei einer
höheren Spannung auf, weil zwischen den Emittern der beiden
NPN-Transistoren und V- noch TNW2 liegt. Beim LM301 sind es sogar 3 V.
Das heisst 3 VDC über dem Pegel V-. Beträgt die Spannung an V- z.B. -12
VDC, dann darf die Eingangs-Gleichtaktspannung nicht niedriger als -9
VDC, hat V- GND-Pegel, dann darf dieselbe nicht niedriger als + 3 VDC
sein.
Wir betrachten jetzt die komplementäre Situation in Teilbild 4.2a
(Schaltschema) und Teilbild 4.2b (Diagramm). Wir haben es hier mit
PNP-Transistoren am Eingang zu tun. Hier ist die Gleichtakt-Situation
genau umgekehrt. INP darf locker die Spannung von V-, jedoch nicht die
Spannung von V+ annehmen. Bei den angegebenen Typen LM358 und LM324 ist
dies in den Datenblättern auch so dokumentiert. Der LM358 ist nichts
anderes als die Dual-Version des LM324 (Quadopamp). Die darin
integrierten Schaltungen sind identisch.
Warum beschäftigen wir uns hier mit dieser Extremsituation? Ganz
einfach, wenn man Konstantstromquellen mit Opamps einsetzt und man will
die Schaltung mit einer einfachen Betriebsspannung betreiben, tritt die
Situation ein, dass die Gleichtakt-Spannung in der Nähe von V+ oder V-
liegt. Es kommt dabei auf die Spannung der Referenzspannungsquelle an,
wie nahe die Gleichtaktspannung an einem dieser Limits liegt. Damit
werden wir uns noch beschäftigen. Es gibt einen andern
Elektronik-Minikurs mit dem Titel
Vom Overload-Stromsensor zur
elektronischen Sicherung Theorie: Teil I
bei dem diese Extremsituation noch wesentlich mehr Bedeutung hat.
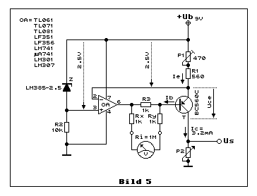
5. Dimensioniertes Beispiel
Die Schaltung in Bild 5 zeigt ein dimensioniertes Beispiel, bezogen auf
die Schaltung in
Teilbild 3.2,
die sich gut eignet zum Experimentieren. Als Referenzspannung dient hier
ebenso eine Bandgap-Spannungsreferenz, ein Bauteil das in
(7) thematisiert ist.
Verwendet wird das selbe Bauteil auch in einer Netzteilschaltung
(9).
Die Bandgap-Spannungsreferenz wird oft als Bandgap-Diode bezeichnet,
weil sie nur zwei Anschlüsse hat. Sie verhält sich ähnlich wie eine
Zenerdiode. Im Unterschied zu dieser ist die Bandgap-Spannungsreferenz
jedoch eine integrierte Schaltung mit vielen Transistoren. Die Vorzüge
betreffs Stabilität sind bereits weiter oben erwähnt.
Die sehr bekannte Bandgap-Spannungsreferenz LM385 von
National-Semiconductor, welche hier in der 2.5-V-Ausführung
LM385-2.5
zum Einsatz kommt, gibt es auch in der 1.2-V-Ausführung
LM385-1.2 (siehe Datenblatt des LM385-2.5) und in einer Ausführung
des LM385
bei der die Spannung mit zwei externen Widerständen einstellbar ist.
Dass hier nur Metallfilmwiderstände mit sehr niedrigen
Temperaturkoeffizienten zum Einsatz kommen sollten, leuchtet ein.

Wenn die Schaltung in Bild 5 mit einer 9-VDC-Blockbatterie gespeist
wird, fliesst durch die Bandgap-Referenz Z (LM385-2.5) ein Strom von
0.65 mA. Begrenzt wird dieser Strom durch R2 und dessen Spannungsabfall,
der 6.5 VDC beträgt. Der LM385 erlaubt einen Betriebsstrombereich von 20
µA bis 20 mA. Damit liegt der gewählte Strom etwa im mittleren Bereich.
Wenn eine Schaltung mit besonders niedrigem Stromverbrauch realisiert
wird, kann der Strom durch Z mittels Anpassung des Seriewiderstandes R2
entsprechend geändert werden. Belastet wird Z praktisch nicht, weil der
Eingangswiderstand am nichtinvertierenden Eingang von OA genügend
hochohmig ist, - auch bei der Verwendung eines 741-Oldy.
Die hochstabile Spannung von Z mit 2.5 VDC unterhalb von +Ub (9 VDC),
sorgt dafür, dass der Gleichtakt-Bereich des OA in Richtung +Ub nicht
ausgereizt wird. Genau aus diesem Grund kommt hier der LM385-2.5 und
nicht der LM385-1.2 zum Einsatz. So hat man die Gewähr, dass eine ganze
Palette von Opamps betriebssicher eingesetzt werden kann. Einige
Exemplare sind in Bild 5 angegeben. Es sind bipolare Opamps mit
NPN-Eingangsstufen und einige der bekannten JFET-Opamps, bei denen der
positive Gleichtakt-Bereich bis zur positiven Betriebsspannung mittels
Diagramm im Datenblatt dokumentiert ist. TL061, TL071, TL081, LF351 und
LF356 sind Opamps mit JFET-Eingängen.
Wer weiss wie der Opamp arbeitet, weiss, dass im eingeschwungenen
Zustand die Differenzspannung an den Eingängen praktisch 0 V beträgt.
Darum entspricht die Spannung über P1 und R1 dem Wert der
Referenzspannung von 2.5 VDC. Diese Spannung dividiert durch die Summe
von P1 und R1 ergibt den Emitterstrom Ie. Dieser ist mit P1 zwischen 2.6
mA und 4.5 mA einstellbar. Eingestellt ist hier ein mittlerer Wert von
3.2 mA. Der verwendete PNP-Transistor hat in diesem Strombereich und
einer Kollektor-Emitter-Spannung Uce von einigen Volt eine Verstärkung
von mindestens 400. Dies bedeutet, dass der Kollektorstrom Ic im
schlechtesten Fall nur um etwa 0.25 % niedriger ist als der Emitterstrom
Ie. Wem das zu wenig genau ist, kann auch eine PNP-Dalingtonstufe, oder
einen P-Kanal-MOSFET (Anreicherungstyp) einsetzen. Beide Möglichkeiten
werden hier nicht weiter thematisiert. Betreffs des Einsatzes eines
PNP-Darlington-Transistors, denke man bitte an den Early-Effekt, der
weiter oben andeutungsweise erwähnt ist. Der Fehler, der dadurch
entsteht, kann bei grosser Variation von Uce (Ucb) grösser als die eben
genannten 0.25 % sein.
Der Kollektorstrom Ic von ebenfalls 3.2mA steht für verschiedene
Anwendungen zur Verfügung. Eine Anwendung ist die, dass ein Potmeter,
hier P2, eine widerstandslineare Ausgangsspannung liefert, was dann z.B.
von Bedeutung sein kann, wenn das Potmeter eine lineare Skala hat. Die
Steuerspannung liegt an Us zur Verfügung. Zur praktischen Anwendung
kommt dies im Elektronik-Minikurs:
Netzteil-Testgerät I in
Bild 6.
Was passiert wenn sich der Transistor T spürbar erwärmt, weil er viel
Leistung "verbraten" muss? Dies wäre z.B. der Fall, wenn der Kollektor
einen Strom von 20 mA (P1 = 100 Ohm und R1 = 82 Ohm) liefert, die ganze
Schaltung an +Ub = 24 VDC liegt und die Kollektor-Emitter-Spannung etwa
20 VDC beträgt. Das gibt über T eine Verlustleistung von immerhin 0.4 W
und das Gehäuse von T heizt spürbar. Die Stromverstärkung erhöht sich
und die Basis-Emitter-Schwellenspannung sinkt bekannterweise um etwa -2
mV/K. Bleibt Ic konstant? Eindeutig ja, weil eine Veränderung der
Basis-Emitter-Schwellenspannung wird so nachgeregelt, dass sich die
Ausgangsspannung von OA einfach anpasst. Der Ausgangsgangsstrom von OA
regelt sich auf den notwendigen Basisstrom Ib um den Kollektorstrom Ic,
definiert durch P1 und R1, bei veränderter Stromverstärkung von T,
konstant zu halten.
R3 ist nicht nötig. Baut man ihn aus Experimentierfreude jedoch ein,
kann man mit Hilfe eines Multimeters (Spannungsmessung) indirekt leicht
feststellen wie sich der Basisstrom infolge einer Temperaturänderung,
oder einer anderweitig verursachten Stromverstärkungsänderung, ebenfalls
verändert, - eben verändern muss, damit Ic konstant bleibt. Dies ist die
Aufgabe des OA, der im Grunde nichts anderes als ein einfacher analoger
Rechner ist....
Ein paar Worte zur Basisstrom-Messung Ib. Das Instrument V symbolisiert
ein Voltmeter. Genau genommen empfiehlt sich ein elektronisches
Multimeter mit einem typischen Eingangswiderstand Ri von 1 M-Ohm oder
besser mehr. In Serie dazu liegen die beiden Widerstände Rx und Ry von
je 1 k-Ohm. Wichtig dabei ist vor allem Rx, damit der Opamp-Ausgang
durch das Kabel zum Multimeter nicht unnötig direkt kapazitiv belastet
wird, das eine unerwünschte Oszillation provozieren kann. Aus Erfahrung
dürfte ein Wert von 1 k-Ohm mehr als genug sein. Sollte das bei einem
Opamp nicht genügen, muss man es experimentell ermitteln. Will man zur
Messung ein Oszilloskop anschliessen, dann darf der GND des Oszilloskops
keinen Bezug zum GND der Schaltung in Bild 5 haben. Am besten ist es
allerdings wenn man mit einer GND-freien Messsonde symmetrisch die
Spannung misst. Das kann man sich auch leicht mit einem weiteren Opamp
selbst realisieren. Dazu ist einiges thematisiert in:
6. Die LED-Testschaltung

Die Schaltung in Bild 6 unterscheidet sich grundsätzlich nicht von der
Schaltung in Bild 5. Bild 5 lädt zum Experimentieren ein. Bild 6 ist
eine praktische und nützliche Anwendung. Sie dient dem Zweck LEDs zu
testen. Dies mit mit einem Strom in sechs Stufen zwischen 1 und 50 mA.
Weil der Zweck dieser Anwendung keine hohe Präzision benötigt, kann man
an Stelle einer Bandgap-Referenz ebenso eine LED einsetzen. Genaueres
dazu weiter unten im Text.
Hat man die Schaltung in Bild 5 verstanden, versteht man auch die in
Bild 6. Die Referenzspannungsquelle und die Beschaltung sind identisch.
Der Widerstand R8 im Basiskreis benötigt es ebenso nicht, es sei man
will mit dem indirekten Messen des Basisstromes experimentieren.
Anstelle eines einzigen Emitterkreiswiderstandes gibt es hier gleich
sechs und diese sechs Widerstände kann man mit einem vorzugsweise
kleinen sechspoligen DIL-Schalter, den man lustigerweise auch
"Mäuseklavier" bezeichnet, ein- und ausschalten. R1 bis R6 sind
einprozentige Widerstände, die es ermöglichen, mit diesem DIL-Schalter
den konstanten LED-Strom stufenweise zwischen 1 und 50 mA (siehe Tabelle
in Bild 6) umzuschalten. Durch die Kombination der eingeschalteten
Schalter kann man die Ströme auch addieren. Sind z.B. die beiden
Schalter 3 und 4 eingeschaltet, ergibt dies einen LED-Strom von 15 mA.
Sind alle Schalter eingeschaltet, beträgt der LED-Strom 88 mA. Also mehr
als die genannten 50 mA. 50 mA gilt für den geschlossenen Schalter 6.
Mit dieser Schaltung kann man also LEDs testen. Hat man eine solche
einfache kleine LED-Testschaltung zur Hand, muss man zum Testen
irgendwelcher LEDs nicht immer wieder nach Widerständen suchen und ein
Netzgerät einsetzen, dessen Spannung auch noch einigermassen genau
eingestellt werden muss. Kommt dies häufig vor, nervt das. Da es
bestimmt genug Möglichkeiten gibt sich anderweitig zu ärgern, ist es
doch eine gute Sache, wenn man es mit diesem kleinen und einfachen
elektronischen Werkzeug vermeiden kann.
Kondensator C dient der Stabilität des Opamp OA - Unterdrückung der
Schwingneigung -, falls zwischen der Betriebsspannungsquelle und dieser
Schaltung eine lange Leitung liegt, z.B. bei Anwendung mit einem
Netzteil oder Netzgerät. Man sollte C allerdings auf jedenfall
einsetzen, auch bei Batteriebetrieb und wenn die Batterie nahe bei der
Schaltung liegt, weil die Impedanz einer Batterie, besonders bei höheren
Frequenzen, nicht beliebig niederohmig ist.
Es gibt grundsätzlich zwei Möglichkeiten eine Falschpolung mit
destruktiven Folgen zu vermeiden. Man baut Diode D1 in Serie ein. Dies
hat den Nachteil eines Spannungsabfalles einer Diodenfluss-Spannung von
etwa 0.8 VDC, was bei Batterieanwendung diese schlechter ausnützt. Man
bedenke, ohne D1, darf sich die 9-VDC-Blockbatterie bis auf etwa 6 VDC
entladen. Also eignet sich hier eher die Anwendung der antiparallel
geschalteten Schutzdiode D2. Es ist eine 1N4002 die 1 Ampere aushält.
Diese Stromstärke kriegt sie bei Falschpolung an einer
9-VDC-Blockbatterie nicht. Jedoch wenn die Schaltung an einem Netzgerät
angeschlossen ist, ist dies leicht möglich und darum eignet sich dann
die Serieschaltmethode mit D1 besser.
Man liest in Bild 6 von einem Aufsteckkühlkörper des Typs SKK-510 von
Fischer-Elektronik. Siehe Bauteilliste in Kapitel 9. Es kommt ein wenig
darauf an, wie man die Schaltung einsetzt, ob diese Option wirklich
nötig ist. Mehr dazu erfährt man im Kapitel 8 "Technische Daten (Bild
6)".
Da u.U. viele (neu eingekaufte) LEDs hintereinander getestet werden
sollen, ist es wichtig, dass man sie schnell reinstecken und rausziehen
kann. Dazu eignet sich z.B. eine vierpolige einreihige Buchsenleiste mit
einem 2.54-mm-Raster, wie man sie z.B. zum Aufstecken von kleinen
Sub-Leiterplatten verwendet. Auf der einen Seite der Buchsenleiste
verbindet man zwei Anschlüsse mit dem Kollektor von T und auf der andern
Seite zwei Anschlüsse mit GND. So kann man "normale" LEDs mit Drähten im
Abstand von 2.54 mm und solche mit einem grösseren Abstand messen. Siehe
dazu in Bild 6 die LED-Buchsenleiste.
Eine LED als Referenz-Spannungsquelle genügt: Beachte LED-gb und
R7 in Bild 6. Natürlich ist es für eine LED-Testschaltung übertrieben
eine Bandgap-Spannungsreferenz einzusetzen. Es genügt auch eine LED als
Referenzspannungsquelle. Damit die Referenzspannung einen ähnlichen Wert
aufweist wie die LM385-2.5 mit 2.5 VDC, empfiehlt sich eine gelbe
Low-Current-LED, die man mit etwa 2 mA betreiben muss. Mehr dazu erfährt
man in
LED-Leuchtdioden,
ein ELKO-Grundkurs von Patrick Schnabel. Man beachte das Kapitel
"Low-Current-Typen". Es scheint, dass die gelbe LED mit einer
Durchflussspannung von etwa 2.4 VDC am nächsten liegt zur LM385-2.5 mit
2.5 VDC. Diese Spannungsreferenz ist hochstabil in einem sehr grossen
Strombereich zwischen 20 µA und 20 mA. Das ist die LED nicht. Will man
das Widerstandsnetzwerk R1 bis R6 nicht verändern, und man möchte die
LED-Prüfstromwerte, gemäss Tabelle, einigermassen genau einhalten, dann
empfiehlt sich den Bereich der Betriebspannung +Ub einzuschränken und R7
so zu wählen, dass der Strom durch LED-gb möglichst genau eine
LED-Flussspannung von vielleicht beinahe 2.5 VDC erzeugt. Allerdings
Vorsicht, der LED-Strom darf dabei nicht zu gross werden. Das Datenblatt
der verwendeten LED beachten.
7. Das Testen einer LED-Reihe
Bild 7 illustriert zwei Einsatzmöglichkeiten, wenn man mit der Schaltung von Bild 6 ganze LED-Reihen testen möchte. Aber zunächst einmal, wozu soll das denn gut sein? Ganz einfach, wenn man viele LEDs des selben Typs kauft, ist das Risiko gar nicht so gering, dass es beim selben Strom erhebliche Unterschiede der Leuchtintensität unter einzelnen Exemplaren gibt. Dies wirkt sich störend aus, wenn man eine LED-Reihe, z.B. zur Messung eines Spannungspegels einsetzen will. Es gibt für so etwas ganz spezielle LED-Arrays die man bauklötzchenartig hintereinanderschalten kann und diese LEDs sind aufeinander abgestimmt. Aber nicht immer will man diese Produkte für etwas Bestimmtes verwenden. In einem solchen Fall geht es also darum, dass man auf einem Testboard die LEDs in Reihe zusammenschaltet und mit der hier aufgebauten umschaltbaren Konstantstromquelle betreibt und testet.

Teilbild 7.1 zeigt wie mit einer einzigen Betriebsspannung die
Konstantstromquelle mit einer LED-Reihe beschaltet wird. Das Problem
dabei ist, dass die maximale Anzahl LED durch die maximal zulässige
Betriebsspannung der Konstantstromquelle definiert ist. Diese maximale
Spannung ist abhängig von der Wahl des Opamp OA und des Transistors T.
Gehen wir davon aus, dass einer der vorgeschlagenen Opamps im Einsatz
ist, so gilt als typisch maximale Betriebsspannung (unterhalb der
Worst-Case-Spannung) ein Wert von 30 VDC. Die Berechnungsformel in
Teilbild 7.1 zeigt wie gross die Betriebsspannung +Ub bei einer
bestimmten Anzahl LEDs sein muss. Angenommen, wir müssen eine LED-Reihe
mit 12 roten LEDs testen, so ergeben diese in Serie eine Spannung von 11
* 1.8 VDC = 19.8 VDC. Nur mit 11 und nicht mit 12 multiplizieren, weil
Ubmin mit einer LED im Einsatz gilt (Bezug auf Bild
6). Daher in der Formel n-1. Zu diesen rund 20 VDC addiert sich
die minimale Betriebsspannung von etwa 7 VDC, dann ergibt dies eine
Betriebspannung von 27 VDC. Schutzdiode D1 ist in diese Rechnung
mit einbezogen.
Es gibt nur wenige Opamps die wesentlich über 30 VDC hinausgehen, es
gibt aber viele Transistoren die nennenswert höhere maximale
Kollektor-Emitter-Spannungen aufweisen. Will man eine längere LED-Reihe
oder auch eine etwa gleich lange, aber z.B. mit grünen oder sogar blauen
LEDs testen, kommt die Anordnung von zwei Betriebsspannungen, wie
Teilbild 7.2 illustriert, zum Einsatz. Ub1 speist die Schaltung und Ub2
die LED-Reihe mit dem PNP-Transistor T (Bild 6). Die Formel zeigt hier,
dass man nicht von der minimalen Ub1-Betriebsspannung
(Ub1min) sondern von Ub1 ausgeht, denn diese darf
so niedrig wie möglich ausfallen, z.B. mit 5VDC, da diese Spannung nur
noch die Opampschaltung und die Referenzspannung speisen muss.
Es kommt also ganz darauf an welchen Opamp man einsetzt. Die maximale
Kollektor-Emitter-Spannung von T (Bild 6) ergibt sich aus Ub2 minus der
LED-Reihenspannung. Die maximal zulässige Kollektor-Emitter-Spannung des
2N2905A hat einen Wert von 40 V oder alternativ beim 2N4033 sind es 80
V. Diese Spannungen gelten allerdings dann, wenn die Transistoren keinen
oder nur einen sehr geringen Kollektorstrom leiten. Bei Stromfluss muss
man daran denken, dass es bei bipolaren Transistoren den so genannten
Durchbruch der zweiten Art
(Second Breakdown) gibt. Deswegen muss der maximale Wert von Uce je nach
Verlustleistung reduziert werden, wenn der Transistor nicht in die
ewigen Jagdgründe der Elektronen befördert werden soll. Dazu gibt das
Datenblatt des verwendeten Transistors Auskunft und man kann sich über
Halbleiter-Schaltungstechnik
von U.Tietze, Ch.Schenk und E.Gamm klug machen.
Um diese LED-Testschaltung zu bauen sind solche vertieften Kenntnisse
nicht zwingend nötig, wenn man eine Regel beachtet: Es macht
grundsätzlich wenig Sinn, die Uce-Spannungswerte auszunutzen und daher
bei entsprechend hohem LED-Strom im Transistor nur unnötige Leistung zu
"verbraten". Es liegt also an der vernünftigen Spannungseinstellung beim
verwendeten Netzteil. Vernünftig ist, dass ein Uce-Spannungsabfall von
einigen Volt genügen. Bei z.B. 5 VDC erzeugt man bei maximal
einstellbarem LED-Strom von 88 mA weniger als ein halbes Watt und
da kann man auf den empfohlenen Kleinkühlkörper gerade noch verzichten.
Wenn man sich streng an diese Richtlinie hält, kann man auch ganz andere
PNP-Transistoren einsetzen, die man auch oft in der eigenen Bastelkiste
vorfindet.
Um eine LED-Reihe aus Einzel-LEDs zu testen, eignet sich z.B. das selbe
Steckverfahren, wie bereits in Kapitel 6 "Die LED-Testschaltung"
beschrieben ist. Siehe dazu in Bild 7 die Skizze der LED-Buchsenleiste.
8. Technische Daten (Bild 6)
Minimale Betriebsspannung:
6 VDC (mit D1: LED-Strom = 50 mA, rote LED)
6.5 VDC (mit D1: LED-Strom = 88 mA, rote LED)
6.8 VDC (mit D1: LED-Strom = 50 mA, grüne LED)
7.5 VDC (mit D1: LED-Strom = 88 mA, grüne LED)
5.3 VDC (ohne D1: LED-Strom = 50 mA, rote LED)
5.8 VDC (ohne D1: LED-Strom = 88 mA, rote LED)
6.1 VDC (ohne D1: LED-Strom = 50 mA, grüne LED)
6.8 VDC (ohne D1: LED-Strom = 88 mA, grüne LED)
(Man beachte herstellerbedingte Exemplarstreuungen.)
Maximale Betriebsspannung ohne Kühlkörper:
15 VDC (LED-Strom = 50 mA)
10 VDC (LED-Strom = 88 mA)
Maximale Betriebsspannung mit Kühlkörper bei maximalem Strom:
18 VDC (LED-Strom = 88 mA, dT des Kühlkörper = 50 K)
24 VDC (LED-Strom = 88 mA, dT des Kühlkörper = 75 K)
Empfohlene Betriebsspannung ohne Kühlkörper = 9 VDC (Batterie)
Empfohlene Betriebsspannung mit Kühlkörper = 12-15 VDC (Netzgerät)
Typischer Leerlaufstrom je nach Opamp
(kein LED-Strom, Ub = 7...15 VDC):
0.6 bis 1.5 mA (mit LM741 oder µA741)
0.7 bis 1.5 mA (mit LM307)
2.0 bis 3.5 mA (mit TL081)
5.5 bis 7.5 mA (mit LF356)
9. Bauteilliste (Bild 6)
Widerstände (Ohm) Toleranz = 5%
--------------------------------
1 470 (R8)
1 10k (R7)
Widerstände (Ohm) Toleranz = 1%
--------------------------------
1 49.9 (R6)
1 124 (R5)
1 249 (R4)
1 499 (R3)
1 1k24 (R2)
1 2k49 (R1)
Kondensatoren
-------------
1 100n (C) (Keramik/Vielschicht)
Halbleiter (bei Farnell erhältlich!)
------------------------------------
1 1N4002 (D1 oder D2) (1A-Dioden)
1 2N2905A,2N4033 (T) (PNP-Transistor)
1 LM385Z-2.5 (Z) (Bandgap-Referenz)
(Z ist der Gehäusetyp TO92)
1 siehe Bild 5 (OA) (Opamp)
Diverses
--------
1 DIL-Schalter 6-polig (Farnell: viele Produkte)
1 IC-Sockel 8-pin (Farnell: viele Produkte)
1 Aufsteck-Kühlkörper SKK-510 (Fischer-Elektronik)
1 Buchsenleiste 2.54mm/div 4-polig (bei Farnell)
1 Ein/Aus-Schalter (Optional)
10. Steuerbare präzise Konstant-Stromquelle (Neu! November 2021)
Es folgen zwei Schaltungen in
Bild 8
und
Bild 9.
Beide Schaltungen bestehen, für den konstanten Strom, aus einer Regelung
mittels eines Opamp und einer Leistungs-Endstufe. In Bild 8 sind es zwei
bipolare NPN-Transistoren in der Funktion als NPN-Darlington-Stufe.
Natürlich ist es freigestellt ein integrierter NPN-Darlington zu
verwenden. Der einzige Unterschied in Bild 9 ist, es kommt als
Leistungs-Endstufe ein Leistungs-MOSFET zum Einsatz. Mehr zum Thema
Darlington, siehe in Kapitel 11 die Linkliste.
Beide Schaltungen eignen sich für DC-Strommessungen, z.B. an
Komponenten. Die Stromstärke kann man einerseits mit einem Potmeter oder
anderseits mit einer externen DC-Spannungsquelle steuern. Beide
Schaltungen eignen sich auch als Anregung diese zu erweitern oder zu
ergänzen für individuelle, bzw. spezielle Anforderungen. Das
Experimentieren mit diesen Schaltungen ist ebenfalls eine interessante
Option. Wir kommen zu Bild 8.

Diese Schaltung ist im Grunde nichts anderes als eine mit Spannung
steuerbare konstante Stromquelle. Zur Steuerung kommt ein Potmeter (Poti
P) zum Einsatz. Brücke X ist geschlossen und Brücke Y ist offen. Diese
Spannung ist hochstabil wegen dem Einsatz der Bandgap-Referenz LM385.
Bei einer externen Spannung EXT.U ist Brücke Y geschlossen und die
Brücke X ist offen. Bei der internen oder externen Anwendung fällt schon
mal auf, die Stromänderung erfolgt aus einer Spannungsänderung. Also
kann man diese Schaltung auch als Spannungs-Stromwandler bezeichnen. Die
Anwendung mit einer externe Spannungsquelle (EXT.U) wird hier nicht
weiter thematisiert.
Wozu dient diese Schaltung in Bild 8 und die nachfolgende in Bild 9?
Ganz einfach zum Experimentieren, Lernen oder/und für den Einsatz in
einer praktischen Anwendung. Z.B. als Demo in einem praxisorientierten
Elektronik-Unterricht. Nebenbei erwähnt, so etwas gibt es schon lange
unter meinen Elektronik-Minikursen, mit dem Titel
Vom Operationsverstärker
bis zum Schmitt-Trigger, einfach mit einem etwas andern Inhalt.
Die Konstanz der Stromquelle bleibt unabhängig davon welchen Stromwert
man mit Poti P zur Messung einstellt. Konstant bedeutet, dass der Strom
konstant unabhängig davon bleibt, ob der Strompfad kurzgeschlossen ist
oder der Strom durch ein Messobjekt fliesst. Dies kann ein beliebiges
Bauteil sein, z.B. ein NTC- oder PTC-Widerstand, bei dem man das
Temperaturverhalten testen will. Symbolisch dargestellt mit dem
Widerstand RL (L für Last). Es kann aber ebenso auch ein Bauteil sein
mit nichtlinearer Kennlinie, z.B. eine Silizium-Diode (Si-Diode). Auf
diese Weise kann man in Funktion des Stromes die Fluss-Spannung der
Si-Diode messen.
Das L von DL bedeutet Leistung für Leistungs-Diode. Eine Si-Diode (DL),
oder auch zwei oder drei in Serie geschaltet, der Strom durch die
Si-Diode in Richtung Kollektor von T2 (Hauptanteil) und T1 bleibt
unverändert stabil, so wie wenn der Pfad zwischen +Ub und den beiden
Kollektoren der NPN-Darlington-Schaltung kurzgeschlossen ist. Natürlich
vorausgesetzt, die Spannung +Ub ist gross genug.
Ein kleines Experiment: Genau so, wie eine konstante Stromquelle
arbeitet. Voraussetzung ist die Betriebsspannung reicht aus. Falls z.B.
ein Azubi gerade hier liest und will mit dieser Schaltung mit seinem
Steckboard experimentieren, so geht das zur Not auch mit einer
9-V-Blockbatterie. Es gilt z.B. ein Test mit einer Si-Diode. Eine kleine
1N914-Diode genügt für dieses Experiment, weil der maximal einstellbare
Strom liegt bei etwa 115 mA. Extra etwas mehr als 100 mA, damit man
diese 100 mA exakt einstellen kann.
Dies ist bei 9 VDC gerade noch sicher der Fall. Kommt nur eine Si-Diode
zum Einsatz, zeigt sich, dass die Schaltung mit 7 VDC gerade noch
richtig arbeitet. Dies ist etwas mehr als die Entladespannung einer
9VDC-Blockbatterie, die bei etwa 6.5 VDC liegt. Die gewählte Si-Diode
1N914 hat ihre typische Fluss-Spannung von etwa 0.7 V bei niedrigem
Strom. Diese Fluss-Spannung ist leicht stromabhängig. Bei einer 1N914
beträgt die Fluss-Spannung knapp 1 VDC bei einem Strom von 100 mA. Etwas
mehr als 100 mA ist der Maximalwert, den man mit dem Poti P sicher
einstellen kann. Es sind etwa 115 mA. Siehe dazu Figur 3 im
1N914-Datenblatt.
Die Schaltung von Bild 8 als Ganzes:
Wir beginnen mit einer hochstabilen und mittels Potmeter P einstellbaren
Referenzspannung, erzeugt mit der Bandgap-Spannungsreferenz
LM385.
Mit dem Spannungsteiler R2 und R3 ist Spannung auf 2.5 VDC eingestellt.
Mit P kann man die Referenzspannung zwischen 0 VDC und 2.5 VDC
einstellen. Ist die Brücke X aktiv, liegt die mit P eingestellte
Spannung via R4 am nichtinvertierenden Eingang des Opamp OA. Für die
vorliegende Anwendung muss OA die Eigenschaft haben, dass OA mit der
geringsten Eingangsspannung von 0 VDC (GND-Pegel) arbeiten kann. Die
dafür so ziemlich die bekanntesten bipolaren Opmaps sind der Quad-Opamp
LM324
und sein kleiner "Bruder" der Dual-Opamp
LM358.
Man könnte auf die Idee kommen anstelle bipolare Opamps, solche in
CMOS-Technologie einzusetzen. Z.B. den LinCMOS-Single-Opamp
TLC271.
Für eine Pin-Äquivalenz eignet sich der TLC272 zum LM358 und
TLC274 zum LM324. Diese LinCMOS-Opamps sollten funktionieren, weil sie
verarbeiten ebenfalls den GND-Pegel. Nachteilig ist je nach Anwendung
die maximale Betriebsspannung von nur 16 VDC. Siehe im Datenblatt
"recommended operating conditions".
Warum die LinCMOS-Version für OA sich eignet, liegt daran, dass der
Basisstrom von T1
(BC547C)
von dem T1/T2-Darlington bei einem T2-Kollektorstrom von 100 mA
ausreichend niedrig ist. Für einen deutlich höheren T2-Kollektorstrom im
Ampere-Bereich funktioniert dies nicht. Dann gilt für OA ganz klar der
LM358 oder LM324.
Zusätzliche
Frequenzgang-Kompensation:
Die Verbindung zwischen dem Emitter von T2 (Bild 8), bzw. zwischen
Source von T (Bild 9), und dem invertierenden Eingang von OA (Pin 2)
erzeugt die notwendige Gegenkopplung. Ohne das passive
R6*C3-Tiepassfilter (zusätzliche Frequenzgang-Kompensation zu der
integrierten im Opamp OA), ist die Schaltung instabil und oszilliert mit
einer Frequenz im 10 bis 100kHz-Bereich. Wenn R6 = 10 k-Ohm, arbeitet die
Schaltung bereits stabil, wenn C3 = 56 pF. Man hat also eine genügend
grosse Reserve mit C3 = 1 nF. Dies kann nützlich sein, falls man die
DC-Spannung an EXT.U mit einer Sinus- oder Dreieckspannung mit niedriger
Frequenz modulieren will. Zu welchem Zweck dies auch immer dienen
mag....
Warum kompliziert, wenn es auch einfacher geht. Für den gewieften
Mathematiker/Theoretiker ist es eine Aufgabe zum Berechnen betreffs der
Frequenzgang-Kompensation. Es geht auch empirisch. Hat man auf diese
Weise die passenden Werte von C3 und R6 "gefunden", erhöht man die
C3-R6-Zeitkonstante um einen kleinen zusätzlichen Betrag, bis die
Schaltung stabil arbeitet.

Die Schaltung in Bild 9 unterscheidet sich nur darin, dass anstelle
eines bipolaren Darlington, diskret mit zwei Transistoren wie in Bild 8
oder integriert, ein MOSFET (IRFZ34N) zum Einsatz kommt. Ebenfalls
identisch ist das Strommessverfahren in Bild 8 und Bild 9.
Das Multimeter, im Strommessbereich geschaltet, beeinflusst durch seinen
relativ niederohmigen Innenwiderstand, den Strom durch das Messobjekt
(RL, DL, etc) nicht, weil der Strom alleine durch die
Stromregelschaltung mit OA, T1 und T2 definiert ist. Natürlich
vorausgesetzt +Ub ist nicht zu niedrig.
Die Strommessung ist auch indirekt möglich, durch Messung der Spannung
an R7. Die Umrechnung liest man rechts vom R7.
11. Linkliste
( 1) Die Transistor-LED-Konstantstromquelle
Mit LED temperaturstabiler als mit Dioden!
( 2) Der Transistor-LED- und der
FET-Konstantstromzweipol
( 3) u.v.a. LM317 als Konstantstromquelle...
( 4) Netzteil-Testgerät I:
Konstantromquellen/senken u.a. mit Opamp und Transistor
( 5) Operationsverstärker I:
Virtueller GND, virtuelle Spannung, GND,
Arbeitspunkt und Eingangswiderstände bei invertierender
und nichtinvertierender Verstärkung.
( 6) Operationsverstärker II:
u.v.a. die Gain- und die Offsetabstimmung...
( 7) Z-Diode und Bandgap-Spannungsreferenz
( 8) Overload-Stromsensor:
Vom Overload-Stromsensor zur elektronischen Sicherung
( 9) Einfaches Labornetzteil...
(mit NPN-Komplementärdarlingtonstufe)
(10) Darlington und Komplementär-Darlington
Original-Titel: Die_komplementäre Darlington-Schaltung
(Theorie und praktische Übung)
(11) Fischer-Elektronik: Aufsteck-Kühlkörper u.a. für TO220
Erhältlich z.B. bei Distrelec oder Conrad.
Thomas Schaerer, 15.12.2004 ; 14.01.2005 ; 24.06.2006 ; 08.02.2008 ; 01.01.2011 ; 09.03.2014 ; 02.11.2021
