50-Hz-Notchfilterbank in SC-Filter-Technik:
PLL-Taktgenerator (Teil 2)
- Elektronik-Minikurse: Inhaltsverzeichnis WICHTIG: Diverse technische Infos
- Elektronik-Minikurse: Philosophie (Sinn, Vorwissen, Praxisbezug)
- Hilfe bei Leserfragen. (WICHTIG: Unbedingt zur Kenntnis nehmen!)
- Simulieren und Experimentieren, ein Vorwort von Jochen Zilg
- Autor: Thomas Schaerer Opamp-Buch Timer555-Buch
Inhaltsverzeichnis
-
1. Einleitung und Voraussetzung
2. Das PLL-Prinzip und Beispiele
-
2.1 Der Frequenzsynthesizer
2.2 Der Frequenzmultiplier
2.3 Die PLL-Motorsteuerung
2.4 Das PLL-Musikinstrument
-
3.1 Netzteil und Synchronisation
3.2 Der netzfrequenzsynchrone Frequenzmultiplier
3.3 Die 50-Hz-Notchfilterbank
1. Einleitung und Voraussetzung
Dieser Elektronik-Minikurs zum Thema PLL-Frequenzmultiplizierer
(PLL-Frequenzmultiplier) ist der zweite Teil des Elektronik-Minikurses
über eine 50-Hz-Notchfilterbank
in SC-Filter-Technik. Dies ist auch der Grund warum die Bilder nicht mit
Nummer 1 beginnen. Die Bilderfolge beginnt mit der Nummer 8. Es ist aber
trotzdem möglich, diesen Elektronik-Minikurs separat zu lesen, weil es
für die PLL-Frequenzmultiplikation auch ganz andere Anwendungen gibt.
Dieser Elektronik-Minikurs setzt voraus, dass man grundsätzlich weiss,
was eine digitale PLL-Schaltung ist. Weder der Phasendetektor
(Phasencomparator), noch der Frequenzteiler, noch der
spannungsgesteuerte Oszillator (VCO) wird hier im Detail erklärt. Wenn
der Leser solches nicht weiss, also sehr am Anfang steht etwas über
PLL-Regelkreise zu lernen, muss man sich auch anderer Literatur
bedienen. Ein sehr gutes Buch ist Theorie und Anwendungen des
Phase-Locked-Loops von Roland Best (ISBN:3-85502-123-5) des
AT-Verlag, Aarau (Schweiz). Auch immer wieder empfehlenswert ist das
Buch Halbleiter-Schaltungstechnik von U. Tietze und Ch. Schenk.
Aber ich denke, auch per Internetsuche wird man einiges zu diesem Thema
finden.
Bevor die eigentliche Fortsetzung des
ersten Teiles
erfolgt, gibt es eine kleine Einführung in die digitale
PLL-Schaltungstechnik, wo es sogleich auch um einige praktische
Anwendungsbeispiele geht, die allerdings nur kurz mit Blockschemata
thematisiert werden.
Zum Schluss gibt es eine Linkliste mit weiteren PLL-Themen in meinen
Elektronik-Minikursen. Diese und weitere Links dienen ebenso dem
Verständnis dieses Elektronik-Minikurses über PLL. Will man die Brücke
zum eigentlichen Ursprung dieses Elektronik-Minikurses schlagen, so muss
man zuerst folgenden lesen:
2. Das PLL-Prinzip und Beispiele

Ein in der Nachrichtentechnik wichtige Methode der Regelungstechnik ist
die sogenannte Phase-Locked-Loop-Schaltung, abgekürzt PLL-Schaltung. Auf
deutsch heisst PLL soviel wie Nachlaufsynchronisation. Die Aufgabe des
PLL besteht darin, die Frequenz f_OUT des
Voltage-Controlled-Oscillator (VCO) - spannungsgesteuerter Oszillator -
so einzustellen, dass diese mit der Bezugsfrequenz (Referenzfrequenz,
Sollfrequenz) f_IN, multipliziert mit dem
Teilerfaktor 1/n des Feedback-Frequenzteilers
(Feedback-Frequency-Devider), übereinstimmt. Bei einer solchen
Übereinstimmung der Frequenzen ist die Phasenverschiebung zwischen den
Reckteckspannungen der beiden Eingängen des Phasendetektors PD Null. Je
nach Typ des Phasendetektors kann die Phasenverschiebung aber auch einen
bestimmten Wert im gerelten Zustand einnehmen, z.B. exakt 90 Grad, wenn
der Phasendetektor z.B. aus einem einfache EXOR-Logikgatter besteht.
Es gilt bei folgender Beschreibung, dass der PLL dann eingerastet ist,
wenn der Phasenunterschied zwischen den beiden PD-Eingängen Null ist,
wie dies das Diagramm in Bild 8 illustriert.
Wenn sich f_IN kurzzeitig ändert, entsteht zwischen
f_SOLL und f_IST eine
temporäre Phasenverschiebung, weil die Frequenzen nicht mehr identisch
sind. Diese Phasenverschiebung schaltet den Ausgang des Phasendetektors
PD_OUT kurzzeitig entweder auf beinah die positive
oder negative Betriebsspannung, je nachdem welche Frequenz am Eingang
des PD grösser ist als die andere. Man betrachte das Diagramm
PD_OUT. In der Zeit wo
f_SOLL HIGH-Pegel und f_IST
LOW-Pegel hat, liegt der Pegel von PD_OUT auf HIGH.
Im umgekehrten Fall der beiden PD-Eingangssignale liegt dieser Pegel auf
LOW. Diese beiden Spannungswerte ermöglichen das Auf- und Entladen eines
Kondensators im Schlaufen-Tiefpassfilter (Loop-Lowpassfilter), das im
einfachsten Fall aus einem passiven RC-Glied besteht. Wenn die beiden
PD-Eingänge wieder phasenidentisch sind, ist PD_OUT
im
Tristate-Modus
abgeschaltet und das
Tiefpassfilter, bzw. dessen Kondensator(en) halten die Spannung für den
VCO fast aufrecht, sodass die Bedingung
f_IST = f_SOLL fast erfüllt
ist. Da das Loop-Tiefpass-Filter jedoch die VCO-Spannung, wegen
Selbstentladung der Kondensatoren und der Entladung über den hohen
Widerstand des VCO-Einganges, nicht alleine aufrecht halten kann,
sinkt automatisch ein klein wenig f_OUT. Der
Phasendetektor erkennt sogleich diesen Fehler und es folgt die
Nachregelung durch das Nachladen des Kondensators oder der Kondensatoren
im Loop-Tiefpassfilter. Im Zustand dieser sehr feinen und steten
Nachregelung, d.h. heisst wenn
f_IST und f_SOLL
fast gleich und fast konstant sind und die Feedback-Frequenzteilung
ebenso nicht verändert wird, gibt es an PD_OUT nur
noch sehr feine positive und negative Nadelimpulse mit sehr hohen
Tastverhältnissen. Diese halten die VCO-Spannung
VCO_IN und damit die VCO-Frequenz
f_OUT mit einem gewissen Phasenjitter
(Phasenrauschen) konstant.
Es sei an dieser Stelle darauf hingewiesen, dass nicht jede
PLL-Schaltung genau so funktioniert, wie in Bild 8 gezeigt wird. Es
kommt dabei sehr auf den Typ des Phasendetektors an. Hier ist eine
Tristate-Funktion
im Spiel, die dafür sorgt,
dass PD_OUT im geregelten Zustand der PLL
meist ausgeschaltet ist. Der Grund dafür ist bereits weiter oben erklärt.
Die einfachste Form eines Phasendetektors ist eine logische
EXOR-Schaltung. Diese hat zwar den Vorteil eines besonders geringen
Phasenrauschens, dafür jedoch rastet der PLL bei jedem ganzzahligen
Vielfachen der Referenzfrequenz ein. Somit kann eine solche
PLL-Schaltung nur innerhalb einer Frequenzoktave und nicht einer
Frequenzdekade oder mehr eingesetzt werden. Beide Arten der
Phasendetektoren enthalten die bekannten PLL-ICs CD4046 bzw.
MC14046 und die Highspeed-CMOS-Version 74HC4046. Ich empfehle unbedingt
das Datenblatt dieser ICs zu studieren. Betreffs MC14046 empfiehlt sich
speziell die letzte Seite des Datenblattes von Motorola. Man beachte die
dort gezeigte Grundschaltung mit den Diagrammen und der
Berechnungsformeln betreffs Loop-Lowpassfilter. Vielleicht gibt es
unter den Lesern auch noch glückliche Besitzer des Datenbuches
"CMOS-Logic Data" von Motorola...
Noch ein paar Worte zum Loop-Lowpassfilter. Es ist nicht ganz so
einfach wie oben beschrieben. Mit nur einem einfachen passiven
RC-Tiefpassfilter ist es in der Regel nicht getan. Der PLL neigt zur
Instabilität. Mehr dazu liest man im Kapitel
3.2 Der netzfrequenzsynchrone Frequenzmultiplier.
2.1 Der Frequenzsynthesizer

Ein Frequenzsynthesizer besteht aus einer hochstabilen Referenzfrequenz,
die meist mit einem Quarzoszillator realisiert wird. Da diese Frequenz
in der Regel sehr hoch ist, oft im MHz-Bereich, wird sie mittels eines
Referenz-Frequenzteilers (REFERENCE-FREQUENCY-DIVIDER), meist mit einem
fixen Teilerwert, heruntergeteilt. Diese Frequenz ist die Sollfrequenz
f_SOLL und gelangt zum einen Eingang des
Phasendetektors PD.
Vom Ausgang des VCO wird die Frequenz f_SYNTH
mittels digital einstellbarem Feedback-Frequenzteiler
(FEEDBACK-FREQUENCY-DIVIDER) heruntergeteilt. Der Ausgang dieses Teilers
ist die Ist-Frequenz f_IST. Sie steuert den andern
PD-Eingang. Das typische Merkmal eines Frequenzsynthesizers ist die
digitale Einstellbarkeit (FREQUENCY) der Ausgangsfrequenz
f_SYNTH und diese hat, abgesehen vom Phasenjitter,
immer die Stabilität und die Präzision des Quarzgenerators.
f_SYNTH ist immer gleich oder grösser als
f_SOLL (im ausgeregelten Zustand), nämlich dann,
wenn der Teilerfaktor des Feedback-Frequenzteilers gleich oder grösser
als 1 ist. Je mehr dekadische Stufen der Feedback-Frequenzteiler
enthält, um so feiner ist die Auflösung der Einstellbarkeit von
f_SYNTH. Hat man z.B. 5 Dekaden zur Verfügung, kann
man innerhalb einer Dekade ein Teilerfaktor zwischen 10'000 und 99'999
einstellen. Bei f_SOLL von z.B. 0.1 kHz ergibt dies
an f_SYNTH einen Frequenzbereich von 1.0000 MHz bis
9.9999 MHz. Mit einer dekadischen Abstufung von z.B. 6 Dekaden erreicht
man einen einstellbaren Frequenzbereich zwischen 1.0000 Hz bis 9.9999
MHz, natürlich inklusive der dekadischen Frequenzumschaltung. Dazu
braucht es die zusätzliche Frequenzteilerkette mit jeweils fixen Werten
von 1:10 und einem digitalen Multiplexer MUX der mittels Kodierschalter
(DEK) zur Einstellung der Frequenzdekaden dient. Natürlich kann man die
Werte von FREQUENCY und DEK ebenso mit einem Computer über eine
Schnittstelle steuern.
2.2 Der Frequenzmultiplier

Was ist der Unterscheid zwischen einem Frequenzsynthesizer und einem
Frequenzmultiplier? Der Frequenzsynthesizer hat eine feste und stabile
Referenzfrequenz und die Frequenz am Ausgang eines solchen Generators
wird mittels variablem Feedback-Frequenzteiler synthetisiert. Der
Frequenzmultiplier hat einen Feedbackfrequenzteiler mit fixem
Teilerfaktor. Dafür ist die Frequenz am Eingang variabel. Eine solche
Schaltung dient dem Zweck, eine höhere Frequenz mit einer niedrigeren zu
synchronisieren. Und genau darum geht es in diesem Elektronik-Minikurs,
der eine Fortsetzung des
ersten Teiles
ist. Doch davon später.
In Bild 10 gibt es noch einen weiteren Anschluss mit der Bezeichnung
FM_OUT. Eine solche PLL-Schaltung wird auch zur
Frequenzdemodulation in FM-Empfängern eingesetzt. Dazu ist der
Feedback-Frequenzteiler nicht nötig. Der VCO-Ausgang kann direkt mit
dem einen Eingang des PD verbunden werden. Das Prinzip ist denkbar
einfach: Wenn f_IN variiert, ändert sich ebenfalls
die VCO-Eingangsspannung, welche den VCO nachsteuert. Im neuen
nachgeregelten Zustand, also bei einer anderen VCO-Frequenz, messbar an
f_OUT, hat die VCO-Eingangsspannung einen neuen
Wert. Das Anpassen der VCO-Spannung an eine Änderung der Frequenz am
Eingang, ist nichts anderes als eine Frequenz-Demodulation, messbar an
FM_OUT.
2.3 Die PLL-Motorsteuerung

Bei der Drehzahlregelung von Elektromotoren gibt es auch eine PLL-Methode. Diese wurden (werden?) in Plattenspieler- und in Magnetbandantrieben eingesetzt. Aber auch dort, wo mehrere Motoren mit starren Drehzahlverhältnissen zueinander laufen sollen, ist das PLL-Verfahren vorteilhaft. Die Solldrehzahl wird von einem heruntergeteilten Quarzgenerator geliefert, die Istdrehzahl wird von einem Impulsgeber auf der Motorwelle geliefert. Der Schmitt-Trigger erzeugt von den Impulsen des mechanischen, magnetischen oder optischen Impulsgebers, steile Flanken, damit diese vom Phasendetektor sauber verarbeitet werden können.
2.4 Das PLL-Musikinstrument

Es gab (gibt?) eine Methode elektronische polyphone Töne mittels vieler PLL-Schaltungen zu erzeugen. Die jeweils niedrigere Tonfrequenz wird 196:1 geteilt und liefert den Sollwert für den folgenden VCO. Der Block PLL enthält hier den Phasendetektor und das Loop-Tiefpassfilter. Die VCO-Frequenz wird mit 185/1 geteilt und der PLL-Schaltung zurückgeführt. Dadaurch stellt sich zwischen den Ausgängen der einzelnen VCOs ein festes Frequenzverhältnis von 196:185 ein. Der Quotient daraus hat einen Wert von 1.059459459 und dies kommt dem Verhältnis der wohltemperierten Tonleiter sehr nahe. Diese PLL-Methode hat den grossen Vorteil, dass nur ein Oszillator abgestimmt werden muss. Bild 12 illustriert drei Töne im Halbtonabstand. Es sind dies die Töne B, H und das C der folgenden Tonleiter, weshalb dieser in Bild 12 mit C' bezeichnet ist. Die beiden Teilerwerte 196 und 185 sind die niedrigsten, mit denen das erwünschte Verhältnis angenähert werden kann.
3. 50-Hz-Notchfilterbank, die Fortsetzung...
Wir kommen an dieser Stelle zur Fortsetzung des ersten Teiles. Bevor man hier weiterliest, sollte man diesen ersten Teil gelesen haben, falls der Leser an der 50-Hz-Notchfilterbank in SC-Filter-Technik interessiert ist. Interessiert sich jemand nur für die PLL-Technik eines Frequenzmultipliers in Anwendung mit der Synchronisation der Netzfrequenz, kann man den ersten Teil ignorieren.
3.1 Netzteil und Synchronisation

Damit ein Taktgenerator mit der Netzfrequenz der 230-VAC-Netzspannung
synchronisiert, setzt es voraus, dass die Schaltung mit dieser
Netzspannung spannungstransformiert auch betrieben wird. Batteriegeräte
sind zwar nicht ganz ausgeschlossen, wenn man die Netzbrummspannung mit
einer Antenne aus der Umgebung empfängt, mittels Tiefpassfilter von
höherfrequenten Störspannungen befreit und mit einem Schmitt-Trigger
dafür sorgt, dass die Flanken des 50-Hz-Rechtecksignales für eine
Weiterverarbeitung steil genug sind. Einfach nur ein Stück Draht als
Antenne an einen CMOS-Eingang gelötet, wie dies im grossen
ELEKTOR-Schaltungs-Doppelheft-2003 in der Applikation 63 auf Seite 82
vorgestellt wird, kann zwar funktionieren, ist aber schon nicht gerade
das Gelbe vom Ei. Leider geht der ELEKTOR-Artikel von Myo Min aus Burma
nicht auf die Nachteile der Schaltung ein.
Wie auch immer, diese drahtlose Methode setzt stets voraus, dass man
auch im Empfangsbereich eines 50Hz-E-Feldes arbeitet. Für
Freifeldeinsätze eignet sich diese Methode nicht, wobei zusätzlich die
Frage auftaucht, ob es in der freien Natur überhaupt Sinn macht einen
einen netzfrequenzsynchronen Taktgenerator zu betreiben. Falls jemand
eine (ausgefallene) Idee hat, möge man mir dies bitte per E-Mail
mitteilen. :-)
Wir bleiben hier bei einer (seriösen) vollständig
netzspannungsbetriebenen Anwendung und betrachten dazu Bild 14:

Die Dimensionierung des Netzteiles mit den beiden bekannten und traditionsreichen Spannungeregler-ICs LM317 und LM337 ist nicht Gegenstand dieses Elektronik-Minikurses. Wenn man dazu mehr wissen möchte, besucht man den Link (1) und man konsultiert entsprechende Datenblätter. Das Netzteil dient bloss zur Anschauung wie eine rechteckförmige netzsynchrone 50-Hz-Taktfrequenz erzeugt wird und selbst dies ist bereits in einem früheren Elektronik-Minikurs ausführlich beschrieben. Den passenden Link findet man in (3) und ich bitte den Inhalt, passend zu Bild 14, dort zu lesen. Es wird dort auch speziell darauf eingegangen, weshalb man das universelle Timer-IC LMC555 auch als Schmitt-Trigger einsetzen kann.
3.2 Der netzfrequenzsynchrone Frequenzmultiplier

Die Funktionsweise des PLL-Prinzips ist weiter oben ausführlich erklärt.
Wir betrachten hier ein paar wichtige Details. Man vergleiche das
detaillierte Schema in Bild 15 mit dem Prinzipschema in Bild 8. Wichtig
zum Verständnis der Schaltung sind die Datenblätter der CMOS-ICs
MC14046 oder CD4046 (IC:A) und MC14040 oder CD4040 (IC:B). IC:A ist in
Bild 15 aufgeteilt in die beiden Funktionsblöcke IC:A1 und IC:A2. IC:A1
ist der Phasencomparator Typ 2 (PC2). Phasencomparator ist das selbe wie
Phasendetektor.
Das netzsynchrone 50-Hz-Rechtecksignal gelangt über das
R1/R2/R3-Netzwerk zu dem einen Eingang des PC2. Dieses Netzwerk sorgt
dafür, dass der PC2-Eingang mit der internen Self-Bias-Circuit keine zu
grosse Eingangsspannung erhält. Wenn man dies nicht beachtet, können
lästige Probleme entstehen, welche in einem andern Elektronik-Minikurs
ausführlich behandelt werden. Mehr dazu erfährt man im Link
(4).
Auf den zweiten Eingang folgt das vom Feedback-Frequenzteiler IC:B
frequenzgeteilte VCO-Ausgangssignal.
Auf den Phasendetektor folgt das Loop-Tiefpassfilter. Es ist ein
passives Tiefpassfilter 2. Ordnung. Die niedrigere Grenzfrequenz ergibt
sich aus den Komponenten R4, R5 und C1 und die um etwa einen Faktor 10
höhere aus R4 und C2. Warum nicht einfach nur ein einfaches
RC-Tiefpassfilter aus R4 und C1 ohne R5? Damit würde der PLL-Regelkreis
nach einer Frequenzänderung am Eingang nur sehr schwach gedämpft
einschwingen. Es kann sogar sehr lange dauern. Im Extremfall schwingt er
überhaupt nicht ein und er oszilliert zusätzlich mit sehr niedrigen
Frequenz, in der Grössenordnung der Grenzfrequenz des einfachen
R4C1-Tiefpassfilters. Dieses Problem, auch "Pumpen" genannt, kann man
vermeiden, wenn das einfache R4C1-Tiefpassfilter bedämpft wird. Diese
Aufgabe übernimmt R5. Damit hätten wir also ein gedämpftes
RC-Tiefpassfilter, bestehend aus R4, R5 und C1. Der PLL-Regelkreis
arbeitet stabil, allerding mit einem Flankenjitter am rechteckförmigen
VCO-Ausgangssignal. Es ist im Prinzip eine schwache Frequenzmodulation.
Diese wird durch die Rippelspannung über R5 verursacht. Um diese
Rippelspannung wirksam zu unterdrücken, braucht es C2, wobei die
Grenzfrequenz aus R4 mit C2 wesentlich höher sein darf. Man schlägt mit
diesem etwas komplexeren passiven Tiefpassfilter zwei Fliegen auf einen
Schlag: Man erreicht durch die Filterdämpfung eine kurze Einschwingzeit
und das PLL-System kann sich, wegen der zwei Grenzfrequenzen, auf keine
der beiden Frequenzen einschwingen. Darum arbeitet eine solche
PLL-Schaltung sehr stabil und erst noch mit sehr geringem, d.h. kaum am
Oszilloskopen sichtbaren Flanken- bzw. Phasenjitter. Wer mehr zu diesem
Thema erfahren will, so erfährt man mehr im Link
(5).
Der VCO des CD4046 oder MC14046 (IC:A2) ist mit R6, R7 und C3 so
dimensioniert, dass für die sehr geringe Frequenzvariation eine nicht zu
kleine DC-Regelspannung am VCO-Eingang wirksam sein muss. Diese
Desensibiliserung des VCO trägt einer stabilen und flankenjitterarmen
VCO-Ausgangsspannung zusätzlich Rechnung. Um dies richtig zu verstehen,
muss man den VCO-Teil im CD4046- oder MC14046-Datenblatt genau
studieren.
Der Feedback-Frequenzteiler IC:B übernimmt das Ausgangssignal des VCO
und teilt dessen Frequenz durch den am DIL-Schalter (Mäuseklavier)
eingestellten binären Wert. Die Kontakte des DIL-Schalters bilden
zusammen mit den Dioden ein passives UND-Gatter mit soviel Anschlüssen,
wie Kontakte eingeschaltet sind. IC:B ist der altbekannte und
traditionsreiche asynchrone 14-Bit-Binärzähler der CMOS-Familie MC14xxx
oder CD4xxx. IC:B erhöht (incrementiert) seinen binären Zahlenwert bei
jeder fallenden Flanke des rechteckigen VCO-Ausgangssignales. Wenn IC:B
an den Q-Ausgängen den Wert der eingeschalteten Kontakte - im
vorliegenden Beispiel die Bitwerte 2, 4, 5 und 6 - erreicht, d.h. die
Ausgänge Q3, Q5, Q6 und Q7 auf HIGH-Pegel liegen, gelangt ebenfalls ein
HIGH-Pegel auf den Reset-Eingang (Pin 11) von IC:B. Der Zähler wird auf
den binären Nullwert zurückgesetzt und das Aufwärtszählen beginnt von
Neuem. R10 arbeitet als Pullup-Widerstand. Er sorgt dafür, dass der
Reset-Eingang auf HIGH-Pegel liegt, solange alle zugeschalteten
Q-Ausgänge von IC:B auf HIGH-Pegel liegen. Dieser Pullup-Widerstand ist
nötig, weil im Zustand des HIGH-Pegels der Q-Ausgänge die Dioden
sperren. Dies bedeutet, dass ohne R10 der Reset-Eingang elektrisch
undefiniert wäre. Wenn ein zugeschalteter Q-Ausgang auf LOW-Pegel liegt,
leitet die zugehörige Diode und am Reset-Eingang liegt ebenfalls ein
LOW-Pegel. Weil die Schaltung symmetrisch gespiesen wird, ist der
LOW-Pegel nicht GND, sondern -Ub. Genau genommen ist der LOW-Pegel um
den Betrag der Diodenflussspannung positiver. Mit Silizium-Dioden sind
es etwa 0.65 V, mit Shottky-Dioden etwa 0.25 V. Solange ein Q-Ausgang,
der über den DIL-Schalter und der Diode mit dem Reset-Eingang von IC:B
vebunden ist, auf LOW-Pegel liegt, ist IC:B freigeschaltet bei jedem
VCO-Taktimpuls seinen binären Zahlenwert zu erhöhen.
Mit R9 und C4 wird der Resetvorgang geringfügig verzögert. Dadurch
entsteht auf dem Bild des Oszilloskops einen gut sichtbaren Impuls. Damit
kann man leichter, wenn nötig, die Vorgänge der Schaltung analysieren.
Ohne diese Verzögerung entsteht ein extrem schmaler Impuls, der bei
geringster parasitärer kapazitiver Belastung den HIGH-Pegel nicht
erreicht und dann das Funktionieren der PLL nicht gewährleistet ist. Die
Impulsbreite ist hier mit 10 µs willkürlich definiert. Bei höheren
VCO-Frequenzen muss dieser Wert reduziert werden. Die Impulsbreite muss
auf jedenfall kleiner als die Periode des VCO-Taktsignales sein. Die
minimale Impulsbreite muss so gross sein, dass die sequentielle
Schaltung des Phasendetektors (Flipflop-Prinzip) sicher schaltet und den
logischen Zustand halten kann. Ein sicheres Mass dafür wäre die
sogenannte Propagation-Delaytime des Phasendetektors PC2. Darunter
versteht man die Verzögerung zwischen der steigenden Flanke am Eingang
(Pin 3) und der Reaktion durch die Impulsflanke am Ausgang (Pin 13) des PC2. Leider steht
darüber nichts im Datenblatt, weder bei Motorola noch bei
National-Semiconductor, ausser bei der HCMOS-Version 74HC4046. Wenn man
einen MC14046 oder CD4046 einsetzt und man will mit sehr kurzen
Impulszeiten arbeiten, muss man dies praktisch erproben. Es empfiehlt
sich, wenn man R9 kleiner wählen muss, auch R10 zu reduzieren. Man darf
es nur nicht soweit übertreiben, dass die Q-Ausgänge von IC:B
überlastet werden und so der LOW-Pegel zu sehr angehoben würde.
R8 vermeidet die direkte Ankopplung des VCO-Ausganges an eventuell lange
Leitungen zu den SC-Filtern
(siehe erster Teil),
um den VCO kapazitiv nicht unnötig zu belasten, das zu Instabilitäten
führen könnte.
Wie funktioniert die NOT-LOCKED-Anzeige? Man beachte in Bild 8 das
Diagramm PD_OUT im eingerasteten PLL-Zustand. Es
zeigen sich zwecks geringfügigster Nachregelung der VCO-Frequenz nur
noch feine positive und negative Nadelimpulse, - Impulse mit sehr kurzer
Dauer und sehr hohem Tastvershältnis. Im (noch) nicht eingerasteten
Zustand, zeigen sich positive oder negative längerandauernde Impulse mit
geringerem Tastverhältnis. Der Ausgang PHASE-PULSES - auch LD genannt -
(Pin 1) erzeugt Impulse mit den selben Tastverhältnissen. Einziger
Unterschied ist der, dass der Ruhepegel auf dem HIGH-Pegel liegt und die
Impulse immer negativ sind. Man schaue sich dies im Datenblatt genau an.
Diese Impulse benutzt die Schaltung mit dem PNP-Transistor T um
anzuzeigen ob der PLL-Regelkreis eingerastet ist oder nicht. Ist er
eingerastet, dann sind die Impulse so kurz und das Tastverhältnis ist so
gross, dass die Impulse durch die Tiefpassfilterung mit R11 und C5
wirksam unterdrückt werden. Die Basis von T bleibt stromfrei. Es gibt
keinen Kollektorstrom und die LED leuchtet nicht. Wenn der
PLL-Regelkreis jedoch nicht eingerastet ist oder wegen einem Fehler
nicht einrasten kann, dann leuchtet die LED, weil die Basis von T
ausreichend lange Basisstrom erhält.
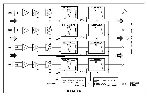
3.3 Die 50-Hz-Notchfilterbank

Bild 16 zeigt im Blockschaltbild wie der netzfrequenzsynchrone
50-Hz-Taktgenerator des Netzteiles (Bild 14), der PLL-Frequenzmultiplier
(Bild 15) und vier 50-Hz-Notchfilter (Bild 5 in
Teil 1)
in einem elektromedizinischen Messgerät implementiert sein können. Im
vorliegenden Beispiel, ein vierkanaliger EMG-Messverstärker. Die Anzahl
der Kanäle kann beliebig erweitert werden.
Sehen wir uns einen Kanal etwas näher an: Auf die Elektroden folgt ein
hochempfindlicher und rauscharmer EMG-Vorverstärker IC:A, realisiert als
Instrumentation-Amplifier. Auf diese Verstärkung folgt zum Schutz des
Patienten der notwendige Trennverstärker IC:B. Danach folgt ein weiterer
einstellbarer oder computerprogrammierbarer Verstärker, mit dem das
verstärkte EMG-Signal an die Aussteuerbarkeit des A/D-Wandlers im
Computer angepasst wird. Es folgt das 50-Hz-Notchfilter, das noch immer
schwach störenden Netzbrumm, trotz symmetrischer Signalmessung,
wegfiltert. Vor der A/D-Wandlung folgt ein aktives
Antialiasing-Tiefpassfilter, das dafür sorgt, dass keine Signalteile
oberhalb der halben Abtastfrequenz des A/D-Wandlers (Nyquist-Theorem) in
das digitale System gelangen.
Noch ein paar Worte zur Betriebsspannung. Sie ist hier mit ± 7VDC
angegeben. Das kann so sein, muss aber überhaupt nicht. Je nach
Anwendung kann man die gesamte Anlage auch mit ± 5VDC betreiben oder
auch getrennte Betriebsspannungen sind möglich, in dem das Notchfilter
mit dem integrierten SC-Tiefpassfilter mit ±5 VDC oder ±7 VDC und die
übrigen analogen Schaltungen mit ±12 VDC oder ±15 VDC betrieben werden.
Beim integrierten SC-Tiefpassfilter muss man berücksichtigen, dass es
eine CMOS-Schaltung ist, welche typisch von ±2.5 VDC bis ±8 VDC (oder
als single-supply von +5 VDC bis +16 VDC) betrieben werden kann. Der
Worstcase-Limit liegt bei ±9 VDC oder +18 VDC.
4. Links
- (1) Integrierte fixe und einstellbare
3-pin-Spannungsregler: Der Fixspannungsregler der Familie 78xx und
der R-programmierbare LM317. Symmetrisches Netzteil mit LM317 und LM337.
LM317 als Konstantstromquelle mit Einschränkungen. Wichtiges zu
Tantal-Elkos!
- (2) Spannungsregler Spezial:
Das 78xx-, LM317- und Lowdropout-Schaltungsprinzip! Regelungsvorgänge
und wichtige Inhalte, auf die es besonders ankommt, werden erklärt.
230-VAC-Netzfrequenzsynchronisation
- (3) Schmitt-Trigger mit CMOS-555-Timer
und praktische Anwendung: Das Innenleben der CMOS-Version des
555-Timer-IC wird vorgestellt und gezeigt wie man einen Schmitt-Trigger
realisieren kann.
PLL-Angelegenheiten
- (4) PLL-Frequenzsynthese und ein
spezielles Problem: Die Self-Biasing-Verstärkerschaltungen des
CD4046B (MC14046B) und des 74HC4046 haben ein heikles Problem.
Sehr wichtig für alle Anwender dieser ICs!!!
- (5) PLL-Frequenzsynthesizer mit
digitalem Potentiometer: Frequenzbereich zwischen 0.5 Hz und 5 MHz.
Digitales Potmeter mit Beschleunigung: Schnelles Drehen bewirkt
überproportional schnelle Frequenzänderung. Langsames Drehen ermöglicht
Feinabstimmung. Blockierung der Abstimmung mittels Schalter.
Diverse Links zum Thema passend
- (6)Pullup-, Pulldown-Widerstand und
Entstörungsmassnahmen: Das richtige Dimensionieren dieser
Widerstände und die Entstörung durch Erweiterung zu einfachen passiven
Tiefpassfiltern.
- (7) Tristate-Logik, Grundlage und
Praxis
- (8) Langzeit-Timer-Schaltungen mit den
Frequenzteilern CD4020B und CD4040B: Hochstabiler Langzeittimer mit
mittelfrequentem Taktoszillator und Frequenzteiler mit hohem
Teilungsfaktor und netzfrequenzsynchroner, in Stufen einstellbarer
Langzeittimer.
- (9) Echter Differenzverstärker I:
Die Überlegenheit des Instrumentationsverstärkers gegenüber dem
Operationsverstärker. Elektromedizinische Hinweise wie EMG und EKG.
- (10) Elektro-Myographie (EMG), eine kleine Einführung.
Spannungsregler LM317 und LM337
Thomas Schaerer, 05.07.2004 ; 24.01.2006 ; 07.08.2014
Ehemals publiziert in der MegaLink 05/2002,
für das ELKO neu überarbeitet.
