| Christoph Becker-Freyseng 
 
  
 11.09.2004,
 16:08
   | Rauschen von ELKOs (Schaltungstechnik) | 
    
     | Hi,in einem Audio-Forum (Link auf Thread finde ich leider nicht mehr) habe ich gelesen, daß sich der Klang eines Leistungsverstärkers verbessern soll, wenn man einen Spannungsregler, LM 338, verwendet (o.k. manche Signal wird der vom Verstärker fernhalten) und dann auch noch nur kleine Kondensatoren vorzugsweise Folienkondensatoren hinter dem Regler verwendet.
 Wie kann das sein? Kleine Kapazität bei der Spannungsversorgung bedeutet doch quasi eine höhere Impedanz der Spannungsversorgung. (Der LM 338 hat selbst einen recht hohen Peak-Strom aber dennoch). Und zudem filtern Kondensatoren gewöhnlich das Rauschen von Spannungsreglern eher weg (sprich ihr Rauschen ist geringer).
 
 Einzige Erklärung die mir dazu einfällt ist, daß ELKOs rauschen und damit die "Stromqualität" verschlechtern.
 Wie groß ist das Rauschen eines ELKOs, beim Laden / Entladen? Kann das relevant sein? Auch bezüglich der anderen Störeffekte, wenn ich hinter einem solchen LM338 nur etwa 10 uF Folienkondensatoren einsetze? Und bezüglich Audio also NF-Technik und "viel Strom" (4 Ampere und Peak etwas mehr ...).
 
 (hier noch ein Link auf Messungen des Rauschens verschiedener Spannungsversorgungen:
 http://www.tnt-audio.com/clinica/regulators_noise1_e.html
 der LM338 ist leider nicht getestet. Dafür aber verschiedene Batterien und Akkus, die selbstverständlich auch rauschen ...
 es schaut hier eher andersherum aus als in dem Audio-Forum beschrieben. Aber es geht auch um Versorgung von OPAs also kleine Ströme.
 )
 
 Vielen Dank,
 Christoph Becker-Freyseng
 | 
               
     | Björn 
 
  
 Hamm,
 11.09.2004,
 17:23
 
 @ Christoph Becker-Freyseng
 | Rauschen von ELKOs | 
    
     | » Hi,
 Hallo Christoph
 
 » in einem Audio-Forum (Link auf Thread finde ich leider nicht mehr) habe
 » ich gelesen, daß sich der Klang eines Leistungsverstärkers verbessern
 » soll, wenn man einen Spannungsregler, LM 338, verwendet (o.k. manche
 » Signal wird der vom Verstärker fernhalten) und dann auch noch nur kleine
 » Kondensatoren vorzugsweise Folienkondensatoren hinter dem Regler
 » verwendet.
 
 Erstmal musst du auch sagen, wie die Stromversorgung des Verstärkers vorher aufgebaut war. Wenn das nur eine gesiebte Gleichspannung war, schafft man mit einem Spannungsregler sicher stabilere Spannungen.
 Schau mal in das Datenblatt des LM338 z.B. auf www.reichelt.de Dort ist das Rauschen mit 0.003% von Vout angegeben, also sehr gering. Ein Kondensator am Ausgang des Spannungsreglers soll ihn vor Schwingneigungen bewahren. Empfohlen wird im Datenblatt ein 1µF Tantalelko. Tantalelkos sind auf Dauer gesehen jedoch nicht sehr zuverlässig (nicht selbstheilend, ein kleiner Durchschlag schließt sofort den ganzen Kondensator kurz). Daher wäre ein Elko empfehlenswerter. Da Elkos aber eine hohe Eigenimpedanz haben, schaltet man einen keramischen Kondensator (impedanzarm) mit ca. 100nF parallel (vorzugsweise keramischer Vielschichtkondensator vom Typ X7R). Ein riesen Elko ist am Ausgang nicht erforderlich, da der Spannungsregler ja die Spannung nachregelt.
 Meine Schaltungen mit Spannungsreglern dimensioniere ich in etwa so: Nach der Gleichrichtung einen entsprechend großen Elko zur Glättung (ca. 1000µF pro 1A Laststrom), ganz nah an den Reglerbeinchen am Eingang einen keramischen Kondensator (X7R, 100nF), von Adjust nach Masse 10µF Elko + 100nF X7R, am Ausgang möchlichst nahe am Regler wieder 100nF X7R und ca. 10µF oder etwas mehr Elko. Dabei nicht die Schutzdioden laut Datenblatt vergessen!
 
 » Wie kann das sein? Kleine Kapazität bei der Spannungsversorgung bedeutet
 » doch quasi eine höhere Impedanz der Spannungsversorgung. (Der LM 338 hat
 » selbst einen recht hohen Peak-Strom aber dennoch). Und zudem filtern
 » Kondensatoren gewöhnlich das Rauschen von Spannungsreglern eher weg
 » (sprich ihr Rauschen ist geringer).
 »
 » Einzige Erklärung die mir dazu einfällt ist, daß ELKOs rauschen und damit
 » die "Stromqualität" verschlechtern.
 » Wie groß ist das Rauschen eines ELKOs, beim Laden / Entladen? Kann das
 » relevant sein? Auch bezüglich der anderen Störeffekte, wenn ich hinter
 » einem solchen LM338 nur etwa 10 uF Folienkondensatoren einsetze? Und
 » bezüglich Audio also NF-Technik und "viel Strom" (4 Ampere und Peak etwas
 » mehr ...).
 »
 » (hier noch ein Link auf Messungen des Rauschens verschiedener
 » Spannungsversorgungen:
 » http://www.tnt-audio.com/clinica/regulators_noise1_e.html
 » der LM338 ist leider nicht getestet. Dafür aber verschiedene Batterien und
 » Akkus, die selbstverständlich auch rauschen ...
 » es schaut hier eher andersherum aus als in dem Audio-Forum beschrieben.
 » Aber es geht auch um Versorgung von OPAs also kleine Ströme.
 » )
 »
 » Vielen Dank,
 » Christoph Becker-Freyseng
 
 Gruß,
 Björn
 | 
                
     | till 
 12.09.2004,
 16:22
 
 @ Christoph Becker-Freyseng
 | Rauschen von ELKOs | 
    
     | Als regelmäßiger Leser von Audio- Foren: Ich habe den Eindruck das dort gerade viel über die klanglichen Qualitäten der Bauteile, die auch ein Unbedarfter leicht tauschen kann geschrieben wird. Das Kondesator - Tweaking, antimagnetische Widerstände einlöten, super fast recovery Dioden in Netzteile basteln und wild Folienkondesatoren drüberlöten, nimmt jedenfalls krankhafte Ausmaße an.
 Probiere es selber aus, und glaub besser nicht zuviel von dem was dort geschrieben wird.
 
 Und was genau diesen Fall angeht: um qualifiziert was sagen zu können wäre der Rest vom fraglichen Verstärker als Schaltbild von Nutzen.
 | 
                
     | Patrick Schnabel  
 
  
 13.09.2004,
 10:26
 
 @ Björn
 | Rauschen von ELKOs | 
    
     | » » in einem Audio-Forum (Link auf Thread finde ich leider nicht mehr) habe» » ich gelesen, daß sich der Klang eines Leistungsverstärkers verbessern
 » » soll, wenn man einen Spannungsregler, LM 338, verwendet (o.k. manche
 » » Signal wird der vom Verstärker fernhalten) und dann auch noch nur
 » kleine
 » » Kondensatoren vorzugsweise Folienkondensatoren hinter dem Regler
 » » verwendet.
 »
 » Erstmal musst du auch sagen, wie die Stromversorgung des Verstärkers
 » vorher aufgebaut war. Wenn das nur eine gesiebte Gleichspannung war,
 » schafft man mit einem Spannungsregler sicher stabilere Spannungen.
 » Schau mal in das Datenblatt des LM338 z.B. auf www.reichelt.de Dort ist
 » das Rauschen mit 0.003% von Vout angegeben, also sehr gering. Ein
 » Kondensator am Ausgang des Spannungsreglers soll ihn vor Schwingneigungen
 » bewahren. Empfohlen wird im Datenblatt ein 1µF Tantalelko. Tantalelkos
 » sind auf Dauer gesehen jedoch nicht sehr zuverlässig (nicht selbstheilend,
 » ein kleiner Durchschlag schließt sofort den ganzen Kondensator kurz). Daher
 » wäre ein Elko empfehlenswerter. Da Elkos aber eine hohe Eigenimpedanz
 » haben, schaltet man einen keramischen Kondensator (impedanzarm) mit ca.
 » 100nF parallel (vorzugsweise keramischer Vielschichtkondensator vom Typ
 » X7R). Ein riesen Elko ist am Ausgang nicht erforderlich, da der
 » Spannungsregler ja die Spannung nachregelt.
 » Meine Schaltungen mit Spannungsreglern dimensioniere ich in etwa so: Nach
 » der Gleichrichtung einen entsprechend großen Elko zur Glättung (ca. 1000µF
 » pro 1A Laststrom), ganz nah an den Reglerbeinchen am Eingang einen
 » keramischen Kondensator (X7R, 100nF), von Adjust nach Masse 10µF Elko +
 » 100nF X7R, am Ausgang möchlichst nahe am Regler wieder 100nF X7R und ca.
 » 10µF oder etwas mehr Elko. Dabei nicht die Schutzdioden laut Datenblatt
 » vergessen!
 
 Hallo Björn,
 
 hast Du mir einen Schaltplan von Deiner Netzteilschaltung? Das eignet sich für einen Artikel.
 -- Gruß von Patrick
 
 https://www.elektronik-kompendium.de/
 | 
                
     | Björn 
 
  
 Hamm,
 13.09.2004,
 12:32
 
 @ Patrick Schnabel
 | Rauschen von ELKOs | 
    
     | » » » in einem Audio-Forum (Link auf Thread finde ich leider nicht mehr)» habe
 » » » ich gelesen, daß sich der Klang eines Leistungsverstärkers verbessern
 » » » soll, wenn man einen Spannungsregler, LM 338, verwendet (o.k. manche
 » » » Signal wird der vom Verstärker fernhalten) und dann auch noch nur
 » » kleine
 » » » Kondensatoren vorzugsweise Folienkondensatoren hinter dem Regler
 » » » verwendet.
 » »
 » » Erstmal musst du auch sagen, wie die Stromversorgung des Verstärkers
 » » vorher aufgebaut war. Wenn das nur eine gesiebte Gleichspannung war,
 » » schafft man mit einem Spannungsregler sicher stabilere Spannungen.
 » » Schau mal in das Datenblatt des LM338 z.B. auf www.reichelt.de Dort ist
 » » das Rauschen mit 0.003% von Vout angegeben, also sehr gering. Ein
 » » Kondensator am Ausgang des Spannungsreglers soll ihn vor
 » Schwingneigungen
 » » bewahren. Empfohlen wird im Datenblatt ein 1µF Tantalelko. Tantalelkos
 » » sind auf Dauer gesehen jedoch nicht sehr zuverlässig (nicht
 » selbstheilend,
 » » ein kleiner Durchschlag schließt sofort den ganzen Kondensator kurz).
 » Daher
 » » wäre ein Elko empfehlenswerter. Da Elkos aber eine hohe Eigenimpedanz
 » » haben, schaltet man einen keramischen Kondensator (impedanzarm) mit ca.
 » » 100nF parallel (vorzugsweise keramischer Vielschichtkondensator vom Typ
 » » X7R). Ein riesen Elko ist am Ausgang nicht erforderlich, da der
 » » Spannungsregler ja die Spannung nachregelt.
 » » Meine Schaltungen mit Spannungsreglern dimensioniere ich in etwa so:
 » Nach
 » » der Gleichrichtung einen entsprechend großen Elko zur Glättung (ca.
 » 1000µF
 » » pro 1A Laststrom), ganz nah an den Reglerbeinchen am Eingang einen
 » » keramischen Kondensator (X7R, 100nF), von Adjust nach Masse 10µF Elko +
 » » 100nF X7R, am Ausgang möchlichst nahe am Regler wieder 100nF X7R und
 » ca.
 » » 10µF oder etwas mehr Elko. Dabei nicht die Schutzdioden laut Datenblatt
 » » vergessen!
 »
 » Hallo Björn,
 »
 » hast Du mir einen Schaltplan von Deiner Netzteilschaltung? Das eignet sich
 » für einen Artikel.
 
 Hallo Patrick,
 
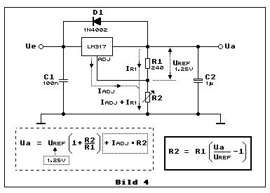
 bei meinen Schaltungen mit Spannungsreglern habe ich mich sehr an dem Elektronik-Minikurs "Integrierte fixe und einstellbare 3-pin-Spannungsregler" ( http://www.elektronik-kompendium.de/public/schaerer/ureg3pin.htm ) und dort besonders am Abschnitt "LM317: Rippelspannungs- und Transientenunterdrückung und Schutzdioden" orientiert.
 (Grafik dazu:
  ) Dort habe ich jedoch zu C3 noch einen 100nF keramischen Kondensator parallel geschaltet, da ich für C3 einen Elko verwende (das Datenblatt empfiehlt einen Tantalkondensator). Ausgangsseitig habe ich einen 10µF Elko eingebaut, dem wiederum ein 100nF parallel geschaltet ist.
 Als R1 verwende ich 120 Ohm. Das Datenblatt vom LM317 gibt als typischen Mindestlaststrom 3.5mA an, als maximalen Wert jedoch 10mA. Mit 120 Ohm ist man da auf der sicheren Seite, dass der Ausgang auch bei Leerlauf nicht hochläuft. Wenn aber auf jeden Fall eine Last angeschlossen ist (z.B. Kontroll-LED), dann kann R1 natürlich auch geringer sein.
 Werf aber ruhig mal einen Blick ins Datenblatt des LM317, dort sind viele interessante Schaltungsvorschläge angegeben (z.B. wie man auch bis 0V herunterregeln kann oder eine einstellbare Strombegrenzung).
 
 Viele Grüße,
 Björn
 | 
                
     | Christoph Becker-Freyseng 
 
  
 14.09.2004,
 22:10
 
 @ Björn
 | Rauschen von ELKOs | 
    
     | Danke für die Antworten. Ich hab's jetzt etwa so aufgebaut und wirklich "gute Gleichspannung" --- auch unter Last.
 Wenn alles funktioniert, kann ich meine Schaltpläne noch einscannen (ein unkompliziertes, kostenloses Programm zum Schaltpläne-Zeichnen unter Linux habe ich leider noch nicht entdeckt).
 
 Aber vieles ist ja bereits hier auf den Seiten aufgeführt. Nur eben nicht ob ein großer Elko hinter dem die Stromqualität verschlechtern kann ...
 Erwähnenswert ist außerdem eine interessante Schaltung zum Erden der Geräte und gleichzeitigem Verhindern von Brummschleifen.
 (http://sound.westhost.com/earthing.htm)
 
 
 Christoph Becker-Freyseng
 | 
                
     | Christoph Becker-Freyseng 
 
  
 14.09.2004,
 22:34
 
 @ till
 | Rauschen von ELKOs | 
    
     | Genau! Es steht da viel esoterisches Zeug.
 Manches ist aber auch wieder direkt messbar oder per A/B Vergleichshören ermittelbar --- sprich es hat einen Effekt aber die Messmethoden sind (abgesehen vom Testhören) unzureichend/lückenhaft. (Natürlich sind die Messungen und v.a. das Testhören auch nicht sicher richtig durchgeführt worden ...)
 
 Ich warte auf den Stickstoff gekühlten Audio-Verstärker; der rauscht auch weniger (zumindest das elekrische Signal, dafür hat man dann beim Musik hören ein angenehmes Pfeifen und Pumpen des Kühlsystems
  
 
 Bei mir geht's um (halbwegs preisgünstige) Aktiv-Boxen.
 Dazu setze ich den TDA7293 ein (das Datenblatt ist z.B. bei reichelt.de). Ich verwende (abgesehen von kleinen Änderungen) gleich die erste Schaltung aus dem Datenblatt.
 Dort werden in die Stromversorgung 1000uF Kondensatoren geschalten. Diese sind eigentlich dem Netzteil zuzurechnen.
 Und genau bei denen weiß ich nicht welche Dimensionierung sinnvoll ist, wenn der Strom durch zwei LM338 Spannungregler (mit Aufbau etwa wie in dem oberen Posting) geliefert.
 +/- 27V und der Trafo liefert etwa 3,75 Ampere und 2x30V (galvanisch voneinander getrennt). Hinter jedem Gleichrichter ist ein 4.700uF Elko (und einige kleine Kondensatoren gegen Schwingungen vom LM338 etc.; wie eben im Datenblatt beschrieben).
 
 Übrigens habe ich zum Gleichrichten Schottky-Dioden genommen, aber nicht wegen der Frequenz, sondern wegen dem geringeren Spannungsabfall und der Erwärmung.
 
 Vielen Dank,
 Christoph Becker-Freyseng
 | 
                
     | Björn 
 
  
 Hamm,
 14.09.2004,
 23:40
 
 @ Christoph Becker-Freyseng
 | Rauschen von ELKOs | 
    
     | » Danke für die Antworten. Ich hab's jetzt etwa so aufgebaut und wirklich» "gute Gleichspannung" --- auch unter Last.
 »
 » Wenn alles funktioniert, kann ich meine Schaltpläne noch einscannen (ein
 » unkompliziertes, kostenloses Programm zum Schaltpläne-Zeichnen unter Linux
 » habe ich leider noch nicht entdeckt).
 »
 » Aber vieles ist ja bereits hier auf den Seiten aufgeführt. Nur eben nicht
 » ob ein großer Elko hinter dem die Stromqualität verschlechtern kann ...
 » Erwähnenswert ist außerdem eine interessante Schaltung zum Erden der
 » Geräte und gleichzeitigem Verhindern von Brummschleifen.
 » (http://sound.westhost.com/earthing.htm)
 »
 »
 » Christoph Becker-Freyseng
 
 Hallo Christoph,
 
 als Programm zum Zeichnen von Schaltplänen probier mal Eagle von www.cadsoft.de  Das gibt es als Linux- und Windows-Version und ist in einer eingeschränkten Version (z.B. Begrenzung der Platinengröße) für den nicht-kommerziellen Gebrauch kostenlos. Vor allem ist es eines der verbreitesten Programme für diesen Zweck, so dass sicherlich viele Leute mit deinen Dateien was anfangen können.
 Und nochmal zu dem Elko: Ich denke nicht, dass ein großer Elko hinter dem Regler die Stabilität verschlechtert. Aber ab einer gewissen Größe ist eben auch keine Verbesserung mehr drin, warum soll man ihn also unnötig überdimensionieren. Außerdem müssen beim Einschalten des Netzteils zunächst alle Kondensatoren geladen werden. Wenn der Glättungselko schon recht groß ist und dann zusätzlich ein großer Elko hinter dem Regler geladen werden muss, dann gibt das schon eine große Stromspitze im Einschaltmoment. Dementsprechend müsste auch wieder der Gleichrichter dimensioniert werden, um diesen Strom zu überstehen.
 
 Gruß,
 Björn
 | 
                
     | BatailIonDAmour 
 15.09.2004,
 04:24
 
 @ Christoph Becker-Freyseng
 | regelungstechnik... | 
    
     | » Hi,» in einem Audio-Forum (Link auf Thread finde ich leider nicht mehr) habe
 » ich gelesen, daß sich der Klang eines Leistungsverstärkers verbessern
 » soll, wenn man einen Spannungsregler, LM 338, verwendet (o.k. manche
 » Signal wird der vom Verstärker fernhalten) und dann auch noch nur kleine
 » Kondensatoren vorzugsweise Folienkondensatoren hinter dem Regler
 » verwendet.
 » Wie kann das sein? Kleine Kapazität bei der Spannungsversorgung bedeutet
 » doch quasi eine höhere Impedanz der Spannungsversorgung. (Der LM 338 hat
 » selbst einen recht hohen Peak-Strom aber dennoch). Und zudem filtern
 » Kondensatoren gewöhnlich das Rauschen von Spannungsreglern eher weg
 » (sprich ihr Rauschen ist geringer).
 »
 » Einzige Erklärung die mir dazu einfällt ist, daß ELKOs rauschen und damit
 » die "Stromqualität" verschlechtern.
 » Wie groß ist das Rauschen eines ELKOs, beim Laden / Entladen? Kann das
 » relevant sein? Auch bezüglich der anderen Störeffekte, wenn ich hinter
 » einem solchen LM338 nur etwa 10 uF Folienkondensatoren einsetze? Und
 » bezüglich Audio also NF-Technik und "viel Strom" (4 Ampere und Peak etwas
 » mehr ...).
 »
 » (hier noch ein Link auf Messungen des Rauschens verschiedener
 » Spannungsversorgungen:
 » http://www.tnt-audio.com/clinica/regulators_noise1_e.html
 » der LM338 ist leider nicht getestet. Dafür aber verschiedene Batterien und
 » Akkus, die selbstverständlich auch rauschen ...
 » es schaut hier eher andersherum aus als in dem Audio-Forum beschrieben.
 » Aber es geht auch um Versorgung von OPAs also kleine Ströme.
 » )
 »
 » Vielen Dank,
 » Christoph Becker-Freyseng
 
 hi
 so ein spannungsregler ist regelungstechnik pur.
 eins vorneweg: in der letzten regelungs-prüfung hatte ich ne gnaden-4
  . also alles ohne gewähr. 
 der gegler arbeitet so: spannung am ausgang messen, mit einer referenzspannung vergleichen und aus der differenz nach bestimmten regeln (reglerverhalten) den widerstand des längsgliedes einstellen.
 
 ein regelkreis besteht aus dem regler und der regelstrecke (last/verstärker). der regler muss individuell auf die regelstrecke angepasst sein! durch einbringen eines grossen C hinterm dem regler fügst du der regelstrecke ein verzögerungsglied hinzu: aus der reinen proportional-strecke (P-strecke) wird eine proportional-strecke mit verzögerung erster ordnung (PT1-strecke). folglich passt der regler nun nicht mehr zur strecke.
 
 ein falsch designter regler führt im schlimmsten fall zu einem aufschaukeln des systems (der regelkreis ist nicht stabil und schwingt). weiterhin treten statische (Usoll<>Uist) und dynamische (überschwingen) regelabweichungen auf.
 offensichtlich leidet durch den C in diesem fall die dynamik des regelkreises -> stärkere spannungsschwankungen treten auf. -> C lieber weglassen.
 
 hoffe, das war irgendwie verständlich
 grüsse
 | 
                
     | BatailIonDAmour 
 15.09.2004,
 04:42
 
 @ Christoph Becker-Freyseng
 | Rauschen von ELKOs | 
    
     | siehste, bastel übrigens auch grad n aktivboxensystem aus TDA72XX. je ein TDA7296 für die hochtöner + je ein TDA7294 für tief/mittelton. zwei TDA7294 in brücke für einen optionalen subwoofer dazu. (alles noch im bau)
 eine längsregelung und gedanken über das rauschen der spannung NACH ner linearregelung halte ich für SEHR stark übertrieben
  . eine wesentlich besseres aufwand/nutzen-verhältnis erreicht man imho eher durch optimierte platienenlayout, masseführung, EMV etc und natürlich durch gut abgestimmte lautsprecher. 
 klingt auch etwas schizophren, wenn du erst 2W an der gleichrichtung durch schottky sparst und dann die leistung mit vollen händen annem längsregler rauszuschaufeln *gg*.
 in meiner alten endstufe hatte ich nen dicken ringkerntrafo, gleichrichterbrücke und danach 2*40mF zur glättung. war völlig überdimensioniert aber damals hatte ich noch nich so die ahnung
  . diesmal habe ich 2*10mF konzipiert. 
 gut nacht!
 | 
                
     | Christoph Becker-Freyseng 
 
  
 16.09.2004,
 00:30
 
 @ BatailIonDAmour
 | Rauschen von ELKOs | 
    
     | Ist ja cool, daß Du auch gerade Boxen baust. Nach welchen Prinzip (Bassreflex/Q5, Transmissionline, Horn, ...)?Wie gestaltest Du die Oberfläche?
 
 Wenn Du auch mit den TDA729X arbeitest, weißt Du dann wie es mit der Clipping-Anzeige funktioniert? Ich fand die Angaben im Datenblatt dazu etwas dubios ...
 
 Nachdem die Kondensatoren wohl nicht besonders nutzen habe ich jetzt nur Kleine eingebaut, um Schwingungen zu unterdrücken (wie im Datenblatt beschrieben).
 
 Die Schottky-Dioden sind praktisch nicht teurer, wie eine andere Lösung und es ist eine Stelle weniger zum Kühlen.
 
 Der Spannungsregler siebt halt noch Störungen aus der Gleichspannung (obwohl der TDA7293 bereits das selbst gut dämpft).
 Ein weiter Punkt und für mich entscheidend: Die Spannung geht auch im Leerlauf nicht rauf. Das ist wichtig, weil ich auch noch die Aktivweichen, Lautstärkeregelung ... mit Strom versorgen muß. Die 7815 bzw. 7915 sind aber dann recht knapp bemessen (max 35V) und einen weiteren Trafo wollte ich nicht einsetzen.
 
 (
 Die Leerlaufspannung kann scheinbar wesentlich höher liegen als die "Normalpannung". Bei dem Netzteil für mein Control-Center geht die Leerlaufspannung auf knapp 30V, obwohl der Trafo regulär nur 18V liefert.
 )
 
 
 Christoph Becker-Freyseng
 | 
                
     | Christoph Becker-Freyseng 
 
  
 16.09.2004,
 00:37
 
 @ Björn
 | Rauschen von ELKOs | 
    
     | » als Programm zum Zeichnen von Schaltplänen probier mal Eagle von» www.cadsoft.de  Das gibt es als Linux- und Windows-Version und ist in
 
 Super genau soetwas habe ich gesucht
   
 
 » Und nochmal zu dem Elko: Ich denke nicht, dass ein großer Elko hinter dem
 » Regler die Stabilität verschlechtert. Aber ab einer gewissen Größe ist
 » eben auch keine Verbesserung mehr drin, warum soll man ihn also unnötig
 » überdimensionieren.
 
 Das stimmt. Ich nehme jetzt dahinter einfach kleine Kondensatoren und gut. Ich war mir eben nur nicht sicher was jetzt richtig ist und es wird viel erzählt ...
 Eigentlich sollte der Regler auch problemlos Strom "nachliefern" können, solange die Spannungsdifferenz zwischen Ein- und Ausgang groß genug ist.
 
 » Außerdem müssen beim Einschalten des Netzteils zunächst alle Kondensatoren geladen werden. Wenn der Glättungselko schon
 » recht groß ist und dann zusätzlich ein großer Elko hinter dem Regler
 » geladen werden muss, dann gibt das schon eine große Stromspitze im
 » Einschaltmoment. Dementsprechend müsste auch wieder der Gleichrichter
 » dimensioniert werden, um diesen Strom zu überstehen.
 
 Ich hab' daher schon extra eine Einschaltverzögerung gebaut (wie sie beim ElKo beschrieben ist).
 
 
 Christoph Becker-Freyseng
 | 
                
     | BatailIonDAmour 
 16.09.2004,
 06:37
 
 @ Christoph Becker-Freyseng
 | Rauschen von ELKOs | 
    
     | » Ist ja cool, daß Du auch gerade Boxen baust. Nach welchen Prinzip» (Bassreflex/Q5, Transmissionline, Horn, ...)?
 » Wie gestaltest Du die Oberfläche?
 
 nee, keine experimente bei mir. ich brauch die teile in zwei wochen, weil ich für ein halbes jahr von daheim weggehe
  . hatte noch zwei visaton W130S, ein Paar eaton(?)-hochtöner und die TDAs inner grabbelkiste gehabt. werden zwei kleine 10liter-bassreflex-dinger mit elektronischer frequenzgangkorrektur. die elektronik kommt ins gehäuse vonnem alten autoverstärker. ich hab mal gesehn, dass jemand mit einseitig lackiertem plaxiglas einen schönen oberflächeneffekt erreicht hat (sieht aus wie klavierlack). vielleicht versuch ich das mal, wenn ich mehr zeit habe.
 machst du was richtig spezielles? vielleicht ne schöne transmissionline
  ? 
 » Wenn Du auch mit den TDA729X arbeitest, weißt Du dann wie es mit der
 » Clipping-Anzeige funktioniert? Ich fand die Angaben im Datenblatt dazu
 » etwas dubios ...
 
 haben die sehr stiefmütterlich behandelt. mein 7294 hat im datenblatt pin5=n.c.. ne clippingdetectionfunktion wird nicht erwähnt. aber beim 7293 scheints n ganz normaler open collector ausgang zu sein... klemm doch einfach mal ne LED und vorwiderstand (10kohm?) über Vs+ an pin5 an und guck, obs funkt.
 n bissl detaillierter wird die klippingfunktion beim TDA7360 erklärt.
 
 » Nachdem die Kondensatoren wohl nicht besonders nutzen habe ich jetzt nur
 » Kleine eingebaut, um Schwingungen zu unterdrücken (wie im Datenblatt
 » beschrieben).
 »
 » Die Schottky-Dioden sind praktisch nicht teurer, wie eine andere Lösung
 » und es ist eine Stelle weniger zum Kühlen.
 »
 » Der Spannungsregler siebt halt noch Störungen aus der Gleichspannung
 » (obwohl der TDA7293 bereits das selbst gut dämpft).
 » Ein weiter Punkt und für mich entscheidend: Die Spannung geht auch im
 » Leerlauf nicht rauf. Das ist wichtig, weil ich auch noch die Aktivweichen,
 » Lautstärkeregelung ... mit Strom versorgen muß. Die 7815 bzw. 7915 sind
 » aber dann recht knapp bemessen (max 35V) und einen weiteren Trafo wollte
 » ich nicht einsetzen.
 »
 » (
 » Die Leerlaufspannung kann scheinbar wesentlich höher liegen als die
 » "Normalpannung". Bei dem Netzteil für mein Control-Center geht die
 » Leerlaufspannung auf knapp 30V, obwohl der Trafo regulär nur 18V liefert.
 » )
 
 klar, für die ganze lowpower-elektronik hab ich auch je nen LM7815 und 7915.
 benutze n ringkerntrafo. die sind i.d.R. spannungshärter als andere bauformen, weil die streuinduktivitäten sehr klein sind. der hat 2*18V~, macht +-25V=.
 
 schöne grüsse
 | 
                
     | Andreas 
 
  
 22.09.2004,
 09:25
 
 @ Christoph Becker-Freyseng
 | Rauschen von ELKOs | 
    
     | noch einscannen (ein» unkompliziertes, kostenloses Programm zum Schaltpläne-Zeichnen unter Linux
 » habe ich leider noch nicht entdeckt).
 »
 
 Probiers mal mit 'gschem' - hat mir auf Anhieb gut gefallen ...
 
 Gruss
 -Andreas
 | 
                
     | Christoph Becker-Freyseng 
 
  
 22.09.2004,
 22:24
 
 @ BatailIonDAmour
 | Rauschen von ELKOs | 
    
     | Hi,
 sorry das ich erst jetzt Antworte. Ich war die letzten Tage außer Gefecht ...
 
 Klavierlackeffekt hört sich ganz gut an.
 
 Ich bring Sand an die Boxen an. Dann wird er angemalt und das ganze sieht aus wir Sandstein. Ist recht cool und auch klanglich geschickt, da der Sand Schwingungen des Gehäuses reduziert.
 
 Beim TDA hab ich nachgemessen, falls er klirrt habe ich zwischen Vcc und dem Pin 24V (mit 27V an Vcc) zuvor 5V. Ich werde eine LED (~20mA, 2V) mit 1k1 Vorwiderstand dort hinbauen.
 
 Wo geht's bei Dir hin?
 
 Ciao,
 Christoph Becker-Freyseng
 |