Gegentakt-Endstufe ohne Ruhestrom:
Theorie und Grundlage
- Elektronik-Minikurse: Inhaltsverzeichnis WICHTIG: Diverse technische Infos
- Elektronik-Minikurse: Philosophie (Sinn, Vorwissen, Praxisbezug)
- Hilfe bei Leserfragen. (WICHTIG: Unbedingt zur Kenntnis nehmen!)
- Simulieren und Experimentieren, ein Vorwort von Jochen Zilg
- Autor: Thomas Schaerer Opamp-Buch Timer555-Buch
Einleitung
Der vorliegende Elektronik-Minikurs erweitert die bereits vorhandene Grundlage im Elektronik-Kompendium in:
Thermische Kompensation nur mit Dioden

Bild 1 wiederholt das Schaltbild aus obigem Link. Wie bereits bekannt,
sind die Übernahmeverzerrungen eine Folge davon, dass eine
Eingangswechselspannung zuerst die Basis-Emitter-Schwellenspannung von
T1 bei der positiven und von T2 bei der negativen Halbwelle überwinden
muss. Diese Verzerrung wird durch eine Vorspannung, erzeugt durch D1 und
D2, unterdrückt. Dadurch verschiebt sich die Endstufe vom reinen B- in
den AB-Betrieb. Die Verzerrungsarmut, die man durch diese Massnahme
erreicht, erkauft man sich durch einen Ruhestrom, der von +Ub durch die
beiden Kollektor-Emitter-Pfade von T1 und T2 nach GND fliesst. Je
geringer die Verzerrung, umso höher der Ruhestrom. Es gibt aber eine
Methode für geringe Verzerrung, trotz B-Betrieb, also ohne Ruhestrom in
den Endstufentransistoren. Davon später. Zunächst, man liest zu allen
Betriebsarten von Audioverstärkern ergiebig auf dieser
Wiki-Seite.
So elegant einfach wie die Schaltung in Bild 1 aussieht, so wenig ideal
arbeitet sie in der Praxis. Die Diodenflussspannung der von D1 und D2
sind etwa gleich gross wie die Basis-Emitter-Schwellenspannung der
Transistoren T1 und T2. Wie aber kommt es zum AB-Betrieb?
Man stelle sich zunächst vor, die Verbindungen zwischen dem Netzwerk R1,
R2, D1, D2 und den Basen von T1 und T2 sind getrennt. Man wählt R1 und
R2 so niedrig, dass der Strom durch D1 und D2 gerade so gross ist, damit
die Diodenflussspannungen an D1 und D2 geringfügig grösser sind als die
Basis-Emitter-Schwellenspannungen von T1 und T2. Es genügt dabei ein
Spannungsunterschied von wenigen Millivolt. Nun stellt man die
Verbindungen wieder her.
Weil der Innenwiderstand der Basis-Emitter-Strecke von T1 sehr
niedrohmig ist, wird die geringfügig höhere Diodenflussspannung von D1
von der T1-Basis-Emitter-Strecke bis zum Wert ihrer Schwellenspannung
beinahe kurzgeschlossen. Beinahe, weil sowohl die Diodenflussspannung
von D1 und die Basis-Emitter-Schwellenspannung von T1 nicht ganz so
"hart" sind. Anders gesagt, der differenzielle Quellwiderstand von D1
und der differenzielle Eingangswiderstand von der
T1-Basis-Emitter-Strecke ist grösser als Null Ohm. Beide Spannungswerte
sind etwas stromabhängig. D1 bekommt etwas weniger Strom, dafür etwas
mehr die Basis von T1. Das Produkt aus diesem Basisstrom und der
Stromverstärkung von T1 ergibt den Kollektorstrom.
Die genau selben Betrachtungen gelten für D2 und T2. Diese beiden
Kollektorströme in T1 und T2 in Serie bewirken den sogenannten
Ruhestrom. Es gilt dabei das Gesetz der Kette mit dem schwächsten Glied.
Der Transistor mit der etwas niedrigeren Stromverstärkung erzeugt auch
einen etwas niedrigeren Kollektorstrom. Dieser bestimmt die Grösse des
Ruhestromes durch beide Transistoren. Diese Asymmetrie sorgt natürlich
für
nichtlineare Verzerrungen
(Klirrfaktor), welche aber durch die Gegenkopplung einer vollständigen
Verstärkerschaltung weitgehend kompensiert werden.
Eine solche komplementäre Endstufe arbeitet im AB-Betrieb. Die
Übernahmeverzerrung bleibt auch bei kleinen Ausgangsamplituden niedrig.
Wenn sich T1 und T2 im Betrieb mit einer Last zwischen Ua und GND
erwärmen, dann sinken ihre Basis-Emitter-Schwellenspannungen um etwa 2
mV pro Grad Celsius. Bei einem Temperaturanstieg von 20 Grad, was sehr
leicht möglich ist, wären die Basis-Emitter-Schwellenspannungen bereits
40mV niedriger als die Diodenflussspannungen. Dies ist aber, wie bereits
erwähnt, nicht möglich, weil die Basen von T1 und T2 fest ans
Widerstands-Dioden-Netzwerk gekoppelt sind. Die Folge davon ist eine
temperaturbedingte empfindliche Zunahme der Basis- und Kollektorströme
von T1 und T2, und das ist der Ruhestrom.
Es folgt eine positive Rückkopplung: Je wärmer T1 und T2, desto
niedriger ihre Basis-Emitter-Schwellenspannungen und um so höher der
Ruhestrom der wiederum T1 und T2 weiter anheizt. Der Ruhestrom schwillt
an und erreicht durch die Stromverstärkungen von T1 und T2 und der durch
R1 und R2 begrenzten Basisströme einen Grenzwert. Dieser kann aber so
gross werden, dass T1 und T2 zerstört werden. Aber schon lange zuvor,
erreicht der Ruhestrom einen, für einen vernünftigen
Endstufenwirkungsgrad, unzulässig hohen Wert. Diese Schaltung ist auf
diese einfache Art definitiv auch dann nicht brauchbar, wenn man die
Dioden und die Transistoren thermisch koppelt, da meist beträchtliche
Temperaturunterschiede zwischen der Sperrschicht der
Leistungstransistoren und der Dioden auf Grund der thermischen
Übergangswiderstände auftreten.
Anstelle von Dioden kann man NTC-Widerstände verwenden, wobei der
NTC-Widerstand am Kühlkörper thermisch mit den Leistungstransistoren
gekoppelt sein muss. Diese Methode wird hier nicht weiterdiskutiert. Man
findet diese Methode nur noch in sehr alten Schaltungen, in einer Zeit
als die damals modernen Germanium-Transistoren den Elektronenröhren das
Fürchten lernten.
Thermische Kompensation mit Dioden und Emitterwiderständen

Eine ganz andere Kompensationsmethode zeigt Bild 2. Dazu dienen die beiden Emitterwiderstände R3 und R4, die eine Stromgegenkopplung bewirken. Diese wird um so wirksamer, je grösser man den Wert dieser Widerstände dimensioniert. Allerdings liegen diese Widerstände in Serie zum angeschlossenen Verbraucher an Ua (Lautsprecher). Dadurch wird die maximale Ausgangsleistung und auch der Wirkungsgrad der Endstufe reduziert. R3 und R4 müssen klein sein gegenüber dem Verbraucherwiderstand. Dies verschlechtert allerdings wieder etwas die thermische Stabilität. Diese Methode eignet sich eher nur für niedrige Treiberleistung, wie z.B. für das Ansteuern niederohmiger Kopfhörer.
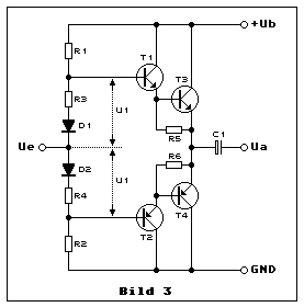
Darlington-Endstufe, Ruhestrom in den Treibertransistoren

In dieser Schaltung fliesst der Ruhestrom nicht durch die
Endstufentransistoren T3 und T4. Er fliesst durch die
Treibertransistoren T1 und T2, die viel geringere Leistungen und somit
geringere Erwärmungen verkraften müssen. Bei kräftigen Endstufen
empfiehlt es sich allerdings auch T1 und T2 mit kleinen Kühlkörpern zu
versehen, damit die Temperaturdrift des Ruhestromes möglichst klein
bleibt. Keinesfalls dürfen T1 und T2 auf den selben Kühlkörper mit T3
und T4 montiert werden, ausser dieser Kühlkörper ist derart
überdimensioniert, dass dieser sich auch bei starker Überlast nur mässig
erwärmt.
T3 und T4 leiten erst bei etwas grösseren Ausgangsströmen. Es empfiehlt
sich die Vorspannung U1 so gross zu wählen, das an R5 und R6 eine
Spannung von je etwa 0.4 V abfällt. Diese Spannung wird von R3, bzw. R4
erzeugt. In Serie mit den Dioden D1 und D2 entstehen Spannungen U1 von
je etwa 1.1 V. In diesem Fall sind die Ausgangsleistungstransistoren T3
und T4 auch bei höheren Sperrschichttemperaturen im Ruhezustand
gesperrt. Bei ansteigendem Ausgangsstrom, z.B. bei einem Sinussignal,
steigt die Basis-Emitter-Spannung bei T3, bzw. bei T4, auf etwa 0.7 V
(Basis-Emitter-Schwellenspannung) und stabilisiert sich. Die grösseren
Ströme fliessen in die Basen der Leistungstransistoren T3 und T4 und
nicht durch die Widerstände R5 und R6.
R5 und R6 dienen zusätzlich als Ableitwiderstände, welche für das
schnellere Ausräumen der Ladungsträger in der Ausschaltphase von T3 und
T4 beitragen. Diese Überlegung ist vor allem bei höherfrequenten
Anwendungen wichtig.
Leistungsendstufen arbeiten normalerweise nicht mit geregelter
Betriebsspannung. Eine ungeregelte Betriebsspannung ist aber
lastabhängig und somit ist auch die Spannung über R3, R4 und R5, R6
nicht stabil. Der Ruhestrom ist also auch abhängig von den Schwankungen
der Betriebsspannung +Ub. Abhilfe schafft man, in dem man R1 und R2
durch Konstantstromquellen ersetzt.
Wer sich in dieses Gebiet der Verstärkertechnik vertiefen möchte,
empfehle ich das Kapitel "Breitbandverstärker" des Buches
Halbleiter-Schaltungstechnik von U.Tietze und Ch.Schenk
(Springer-Verlag).
Die Schaltungen in den Bildern 1 bis 3 werden nicht weiter vertieft. Ich
liefere dazu auch keine Berechnungsgrundlagen. Diese Schaltungen und die
Erklärungen dienen bloss als Einleitung zum folgenden Kapitel das sich
mit dem Prinzip der verzerrungsarmen ruhestromlosen Endstufe befasst.
Ruhestromlose Endstufe mit sehr geringer Verzerrung

Bild 4 zeigt ruhestromlose Endstufen und dazugehörige
Ua-Spannunsdiagramme.
Teilbild 4.1: Gerade bei niedrigen Ausgangsspannungen fallen die
Übernahmeverzerrungen besonders auf.
Teilbild 4.2 zeigt, wie diese Verzerrung praktisch beseitigt werden
kann, ohne dass man einen Ruhestrom durch die Endstufen-Transistoren
benötigt. Nachteile gibt es selbstverständlich trotzdem, die aber je
nach Anwendung ausser Acht gelassen werden könnnen. Die Lupe zeigt, dass
ein sehr kleiner Rest der Übernahmeverzerrung übrig bleibt. Diese
Restverzerrung erhöht sich mit zunehmender Signalfrequenz, weil dadurch
das Verhältnis von der Leerlaufverstärkung (Open-Loop-Gain) zur
Verstärkung, gegeben durch die Gegenkopplung (Closed-Loop-Gain),
abnimmt.
Etwas mehr im Detail. Die Gesamtverstärkung der Schaltung in Teilbild
4.2 beträgt 1. Die Einbeziehung der Basis-Emitter-Strecken in den
Gegenkopplungspfad hat zur Folge, dass die
Basis-Emitter-Schwellenspannung von etwa 600 bis 700 mV um den Faktor
der Leerlaufverstärkung des Opamp OP reduziert wird. Hat diese
Verstärkung einen Wert von 100'000, wird die
Basis-Emitter-Schwellenspannung von T1 und T2 auf 6 bis 7 µV an Ua
reduziert. Deshalb verschwindet die Übernahmeverzerrung aus dem
sichtbaren Bereich am Oszilloskopen. Da diese sehr hohe
Leerlaufverstärkung nur gerade für DC- und AC-Spannungen bei niedrigen
Frequenzen gilt, muss dieser Idealzustand differenziert betrachtet
werden.
Die Übernahmeverzerrung gibt es natürlich nach wie vor, jedoch nicht
mehr an Ua, dafür am Ausgang des Opamp. Dort ändert sich die Spannung im
niedrigen Spannungsbereich sehr schnell, wenn die Gegenkopplung wegen
den Basis-Emitter-Schwellenspannungen von T1 und T2 augenblicklich nicht
wirkt und die sehr hohe Leerlaufverstärkung des Opamp in Aktion tritt.
Diese sorgt dafür, dass mit der maximal möglichen Geschwindigkeit, die
der verwendete Opamp zulässt, seine Ausgangsspannung auf den
Spannungswert der Basis-Emitter-Schwellenspannung von T1 oder T2 sehr
schnell ändert. Da nur eine kleine Spannung von etwa zwei mal 0.7 V
gesprungen werden muss, macht sich am Ausgang Ua praktisch keine
Übernahmeverzerrung bemerkbar. Begrenzend wirkt wegen der sehr kleinen
Spannungsänderung nur die Unitygain-Bandbreite und nicht die Slewrate
des Opamp. Je höher diese Bandbreite ist, um so niedriger die
Übernahmeverzerrung bei höheren Frequenzen.
Leider ist die Leerlaufverstärkung eines Opamp frequenzabhängig und sie
reduziert sich mit etwa 20dB, also einem Faktor 10, pro Frequenzdekade.
Wir verwenden zunächst einen BiFET-Opamp des Typs LF356, der allseits in der
Fachwelt sehr gut bekannt und preiswert ist. Bei niedrigen
Signalfrequenzen unterhalb 1 KHz bleibt die Übernahmesverzerrung, auch
bei kleiner Ausgangsspannung, so niedrig, dass sie auf dem
Oszilloskopbildschirm kaum auffällt. Erhöht man die Eingangsfrequenz
allerdings auf die Grenzfrequenz des Audiobereiches von 20 KHz,
reduziert sich die Leerlaufverstärkung des Opamp auf etwa 46 dB, einem
Faktor 200. Die Übernahmesverzerrung reduziert sich jetzt halt nur noch
auf 3 bis 3.5 mV und nicht mehr bis in den 10-Mikrovoltbereich im
Bereich der unteren Audiofrequenzen. Und dies gilt auch nur bei einer
vollständigen Gegenkopplung mit Verstärkung 1.
Wird ein Lautsprecher bei gedämpfter Zimmerlautstärke betrieben, liegt
die Ausgangsspannung der Endstufe oft nur im Bereich von wenigen 100 mV.
Die Übernahmesverzerrung scheint relativ gross. Allerdings darf man
jetzt nicht vergessen, dass die Signalfrequenz von 20 kHz bereits
ausserhalb des Hörbereiches liegt. Die erste signifikant in Erscheinung
tretende Oberwelle liegt bei der dreifachen Grundfrequenz, also bei 60
kHz. Es mag sein, dass der Musikgenuss einer mithörenden Fledermaus
beeinträchtigt wird, für den Menschen sind diese hohen
Oberwellenfrequenzen jedoch völlig irrelevant.
Um die audiophilen Leser nicht vor den Kopf zu stossen: Es kann sein,
dass durch subtrahierende Frequenzmischeffekte aus den
Oberwellenanteilen Frequenzen mit sehr niedrigen Spannungen im
Hörbereich auftreten können. Dies mag sich beim Benutzen von
Qualitätskopfhörern, - die kosten aber mehr als 100 Euro! - , störend
auswirken. Baut man sich jedoch einen Feld-Wald-und-Wiesen-Verstärker
z.B. für kleine Küchenlautsprecher, dann eignet sich das vorliegende
einfache Verstärkerprinzip, wie Teilbild 4.2 zeigt, bestens. Damit
kommen wir zur praktischen Anwendung im nachfolgenden
Elektronik-Minikurs:
Thomas Schaerer, ??.03.2000 ; 07.08.2002 ; 14.03.2003(dasELKO) ; 21.12.2003 ; 31.01.2005 ; 27.12.2005 ; 05.08.2012 ; 11.03.2014
