Vom Dioden-Schalter zum
elektronischen UKW-Antennenumschalter
- Elektronik-Minikurse: Inhaltsverzeichnis WICHTIG: Diverse technische Infos
- Elektronik-Minikurse: Philosophie (Sinn, Vorwissen, Praxisbezug)
- Hilfe bei Leserfragen. (WICHTIG: Unbedingt zur Kenntnis nehmen!)
- Simulieren und Experimentieren, ein Vorwort von Jochen Zilg
- Autor: Thomas Schaerer Opamp-Buch Timer555-Buch
Einleitung
In diesem Elektronik-Minikurs wird das Schalten analoger Signale mit
Dioden thematisiert. Wer dies zum ersten Mal liest, überlegt sich
vielleicht, wie dies überhaupt möglich ist, weil die Diode schliesslich
nur zwei Anschlüsse besitzt. Es fehlt doch eindeutig ein dritter
Anschluss um die Diode zu steuern. Und dazu fällt dem Leser ein, dass
dies fixfertiger Quatsch sein muss, denn eine Diode leitet elektrischen
Strom nur in eine Richtung, nämlich von der Anode zur Kathode. Die Diode
ist also ein Gleichrichter und daher kann man analoge Signale, also
analoge Spannungen und Ströme, gar nicht schalten, ohne dass diese nicht
gleichgerichtet und damit unbrauchbar verzerrt werden. Also was soll's?
Vielleicht ein verspäteter Aprilscherz. Man schaltet zum nächsten
Elektronik-Minikurs, vielleicht gibt's dort etwas Brauchbares!
Aber nein, halt mein Freund! Lies bitte weiter, weil das was der Titel
verspricht, funktioniert tatsächlich und es gibt sinnvolle Anwendungen,
vor allem in der Hochfrequenztechnik. Nun aber eines nach dem andern,
schön der Reihe nach. Wir beginnen im folgenden Kapitel zunächst mit
einem kurzen geschichtlichen Rückblick, den zu lesen auch für jüngere
(angehende) Elektroniker interessant sein dürfte oder sein sollte...
Elektronik-Nostalgie: Die Geschichte der Diode
Eines der wichtigsten Bauelemente der Elektronik ist die Diode. Bei
Gleichrichtung oder Wechselrichtung und bei Modulation oder Demodulation
erfüllt die Diode u.v.a. als elektronisches Ventil ihre typische Funktion.
Die Diodentechnik hat eine sehr lange Geschichte hinter sich. Sie
verlief - sieht man von ganz alten mechanischen Methoden ab -
zweigleisig. Sie teilte sich in Vakuumröhren- und Halbleitertechnik.
Die Erfindung von gleichrichtenden Elementen stand in engem Zusammenhang
mit dem Aufkommen der Funktechnik. Nachdem Heinrich Hertz 1888 die
elektromagnetische Welle experimentell nachgewiesen hatte, war es 1896
zum ersten Mal gelungen, eine brauchbare telegraphische Funkstrecke
einzurichten. Ob Hertz oder Tesla der erste Entdecker/Erfinder war, sei
hier dahingestellt. Ich weiss nur, dass ich gelesen habe, dass Tesla die
Ehre zukommt, die man damals Marconi zukommen liess. Wer sich für Tesla
interessiert, empfehle ich den Geschichte-Elektronik-Minikurs
Der Stromkrieg zwischen Edison und Tesla.
Auch der deutsche Physiker Ferdinand Braun, der von 1850 bis 1918 lebte,
beschäftigte sich mit diesem Thema. Dabei entdeckte er 1901 die
gleichrichtende Wirkung einer Anordnung, die aus Kupferkies mit
aufgesetzter Metallspitze bestand. Da dieses Element den
amplitudenmodulierten niederfrequenten Schwingungsanteil aus einer
Hochfrequenzschwingung aufzeigen - aufdecken - konnte, nannte Braun
diese Anordnung "Aufdecker" oder auf lateinisch "Detektor".
Nachdem Walter Schottky die physikalischen Vorgänge des braunschen
Detektors geklärt hatte, war man 1906 soweit, das Element technisch
einsetzen zu können. Die Herstellung solcher Geräte war allerdings noch
recht umständlich, weshalb Schottky schon damals vorschlug, anstelle des
Kupferkieses - einem Mineral aus Kupfer, Eisen und Schwefel -
Halbleitermaterialien wie Germanium und Silizium zu verwenden. Doch die
mangelhaft entwickelte Technologie stoppte zunächst diese Entwicklung.
Im Jahre 1906 wurde von Robert von Lieben eine Elektronenröhre erfunden,
die bereits 1913 technisch ausgereift war und dem Funktionieren als
Gleichrichter (Vakuumröhren-Diode) und Verstärker (Triode =
Lieben-Röhre) diente. Als dann 1913 Alexander Meissners geniale
Erfindung - die durch Rückkopplung selbstschwingende Verstärkerschaltung
- patentiert wurde, konnte sich die Rundfunktechnik so weit entwickeln,
dass im Jahre 1920 in Berlin das erste Konzert drahtlos per Funk
übertragen werden konnte.
In der Schweiz begann das Radiozeitalter mit den ersten lokalen
Mittelwellensendern in Basel, Bern und Zürich im Jahre 1924 und etwas
später in Chur mit Sendeleistungen von je 0.5 kW. Ich selbst erinnere
mich noch gut daran, wie ich als Kind in den 1950er-Jahren mit einem
Kristalldetektor-Radio diesen Ortssender in Basel lautstark mit
Kopfhörer empfangen konnte, wohnte ich doch nur etwa 100 bis 150 Meter
von diesem Sender entfernt, der auf dem Dach der Militärkaserne
installiert war. Dass dieser Sender meinen Spieltrieb in Sachen
Elektronik, etwa Ende der 1950er-Jahre früh weckte, lag auf der Hand.
Dieser Sender ging etwa mitte der 1970er-Jahre kaputt. Jahrelang sendete
er noch verzerrt bis er dann endlich abgestellt wurde. Eine Reparatur
lokaler Mittelwellensender lohnte sich wegen des damals bereits sehr
guten landesweiten UKW-Versorgungsnetzes nicht mehr.
Doch zurück zum eigentlichen Thema! Bis in die 1940er-Jahre
beherrschte die Röhre das Gebiet der Nachrichtentechnik. Erst dann war
man technologisch so weit, Germanium zur Herstellung von Dioden verwenden
zu können. Seit dieser Zeit bestimmt die Halbleitertechnik die
Entwicklung der Elektronik.
Eine mir bekannte Nische für die Verwendung von Radioröhren
(Vakuumröhren) blieb jedoch bis heute erhalten: Es ist die Funktechnik
für mittlere Hochfrequenzen, hauptsächlich im Lang- und
Mittelwellenbereich, bei sehr hohen Sendeleistungen, weit oberhalb des
100kW-Bereiches. Die stärksten Sender gibt es auf der Langwelle mit
Leistungen bis zu 2000 kW. Diese Sender haben eine enorme
Bodenwellenreichweite. Aber auch in diesem Leistungsbereich wird die
Röhre, je länger desto mehr, durch Halbleiter verdrängt. Bei sehr hohen
Spannungen und Strömen werden einzelne Bauteile zu komplexen Baugruppen
seriell und parallel verschaltet. Zwecks hohem Wirkungsgrad wird die
modulierte HF-Spannung oft in Pulsbreitenmodulation (PWM) realisiert.
Zwischen Leistungsendstufe und Antenne wird mit mächtigen
LC-Tiefpassfiltern die Antennenabstrahlung von Oberwellen gereinigt.
Wichtiger Link betreffs Dioden!
- Halbleiterdiode von Patrick Schnabel
Das Innenleben der Diode

Woraus besteht eine Diode? Aus p- und n-dotiertem Kristall, wobei der
Kristall aus Silizium oder Germanium besteht. p-dotierter Kristall
enthält in sehr kleinen Mengen Indium (In) und n-dotiertes enthält
Antimon (Sb). Durch diese unterschiedliche Art der Dotierung hat man
zwei unterschiedliche Leitungstypen zur Verfügung. Im n-leitenden
Kristall beruht die Stromleitung vorwiegend aus der Bewegung negativer
Ladungen (Elektronen), während im p-leitenden Kristall vorwiegend die
positiven Ladungen, die man als Löcher bezeichnet, bewegt werden. Diese
Elektronen und Löcher (Mayoritätsträger) befinden sich jeweils im
Kristallgitter zwischen zwei Atomkernen.
Interessant wird es, wenn beide Leitungstypen zusammengebracht werden.
Dann erhält man den pn-Übergang, die sogenannte Grenzschicht. An der
Grenzfläche der beiden Zonen wandern durch die natürliche
Wärmebewegung Elektronen in den andern, den p-Bereich; dort ergänzen
sie sich mit den Löchern. Man sagt dem auch: sie rekombinieren. Das
gleiche geschieht mit den Löchern, die in den n-leitenden Bereich
eindringen. Durch die Rekombination (Neutralisation eines Elektrons mit
einem Loch) verschwinden in der Übergangszone die meisten
Mayoritätsträger. Diese Grenzschicht wird also quasi zum Isolator, sieht
man von den relativ wenigen Minoritätsträgern ab, welche das Ideal
eines Isolators verhindern. Diese ladungsarme Grenzschicht ist
allerdings extrem dünn.
Weshalb ergänzen sich nicht alle n-leitenden und p-leitenden Teilchen im
gesamten Kristall, bzw. weshalb rekombinieren sie nicht überall? Die
Antwort: Da elektrisch geladene Teilchen von einer Schicht in die
andere übergehen, wird die Neutralitätsbedingung im Material gestört.
Die festeingebauten Atomrümpfe mit ihren positiven und negativen
Ladungen bleiben zurück. Innerhalb einer gewissen Zone entstehen
zu beiden Seiten der Grenze Raumladungen, d.h. die n-Schicht wird leicht
positiv und die p-Schicht leicht negativ.
Demzufolge baut sich eine elektrische Feldstärke und damit
zusammenhängend eine elektrische Spannung auf. Diese Spannung wirkt in
ihrer Polarität dem Majoritätsträgerfluss entgegen, d.h. sie hemmt
die Difussion der Elektronen in die p-Schicht und der Löcher in die
n-Schicht. Es werden nur solange Majoritätsträger in die andere
Schicht wandern, bis ein Gleichgewicht hergestellt ist zwischen der
abstossenden Wirkung der Raumladung und der Bewegungsenergie der Löcher
bzw. Elektronen. Diese Gleichgewichtsspannung nennt man deshalb auch
Antidifussionsspannung. Siehe Bild 1 links.
Diese Antidifussionsspannung ist abhängig vom pn-Dichtegefälle und vor
allem von der Temperatur. Diese Spannung hat bei Germanium einen Wert
von etwa 0.25 V und bei Silizium etwa 0.65 V.
Die wichtigste Erkenntnis bezüglich pn-Übergang: Macht man einen
Halbleiter dadurch leitend, dass man ihn auf der einen Seite p- und auf
der andern n-dotiert. Dadurch entsteht die Übergangszone - auch
Grenzschicht genannt - die an freien Ladungsträgern durch Diffusion und
anschliessender Rekombination verarmt, also wieder hochohmig wird.
Entscheidend ist, dass diese Grenzschicht von aussen steuerbar ist.
Dieser Effekt wird in der Diode ausgenutzt.
Wird die Diode an einen Stromkreis geschlossen, in dem die n-Schicht die
positive und die p-Schicht die negative Spannung erhält, wandern die
Elektronen zur positiven und die Löcher zur negativen Seite. Die
Grenzschicht verbreitert sich, die elektrische Isolation wird besser,
bzw. der bereits hohe Innenwiderstand einer spannungslosen Diode erhöht
sich zusätzlich. Dadurch verringert sich die Kapazität zwischen Anode
und Kathode, eine wichtige Eigenschaft für hochfrequente Anwendungen. Es
gibt dazu sogar spezielle Kapazitätsdioden. Siehe Bild 1 mitte.
Wird die Diode an einen Stromkreis geschlossen, in dem die n-Schicht die
negative und die p-Schicht die positive Spannung erhält, werden die
Elektronen und Löcher von den gleichpoligen Spannungsanschlüssen
abgestossen. Die Folge davon ist, dass Elektronen und Löcher in grosser
Anzahl in die "gegnerische" Kristallschicht strömen. Siehe Bild 1
rechts. Damit fliesst ein Strom und das Prinzip des elektrischen
Ventils, der Diode, ist erklärt.
Wichtig ist noch zu wissen, dass diese Durchwanderung erst stattfinden
kann, wenn die Antidiffussionsspannung überwunden ist. Diese Spannung
manifestiert sich stets als Durchflussspannung. Bei Germanium ist es
etwa 0.25 V und bei Silizium etwa 0.65 V.
Auch Leuchtdioden (z.B. aus Gallium-Arsenid) haben
Antidiffusionsspannungen. Diese ist dabei von der emittierten
Lichtwellenlänge abhängig. Je kurzwelliger das Licht ist, um so höher
ist die Antidiffusionsspannung, bzw. der Spannungsabfall zwischen der
Anode und der Kathode. Man nennt diese Spannung auch Flussspannung. Bei
einer Infrarot-LED ist es etwa 1.1 V, bei einer roten LED etwa 1.8 V,
bei einer grünen LED bis etwa 2.5 V und bei einer blauen LED bis etwa
3.6 V. Es gibt auch UV-LEDs in Metall im blaunahen UV-Bereich mit noch
höherer Flussspannung. Vielleicht gibt es eines Tages Röntgen- und
Gammastrahlen-LEDs mit Flussspannungen im 100-V-Bereich... :-)
Das Ersatzschema der Diode

Will man mit einer Diode analoge Ströme, bzw. Spannungen bei hohen
Frequenzen schalten, ist es nötig, dass man ausser den allgemein
bekannten Parametern, wie maximaler Strom, Diodenflussspannung und
maximale Sperrspannung, auch über den Bahnwiderstand Rs, den
Durchlasswiderstand Rd, die Induktivität Ls und über die
Sperrschichtkapazität Cs Bescheid weiss. Datenblätter liefern solche
Informationen. Man kann für nicht zu hochfrequente Anwendungen (UKW)
durchaus die gut bekannten Dioden 1N4148 (identisch mit 1N914) aus
Silizium oder 1N270 aus Germanium verwenden. Für besonders hohe
Frequenzen, bis weit in den GHz-Bereich, eignen sich sogenannte
PIN-Dioden besser. Mikrowellen-PIN-Dioden haben mit weniger als 1 nH
eine sehr niedrige Eigeninduktivität. Auch die Sperrschichtkapazität ist
besonders niedrig, wobei der Hersteller besonders darauf achten muss,
dass die Kapazität zwischen den Anschlüssen am Gehäuse die
Gesamtkapazität nur minimal verschlechtert.
Rd ist stark abhängig von der Grösse des Stromes, wie die
Annäherungsformel in Bild 2 rechts unten illustriert. Diese Formel
alleine macht jedoch nur Sinn zwischen DC bis etwa 100 kHz. Oberhalb
dieser Frequenz wird Rd von der Frequenz beeinflusst und dies je stärker
je niedriger der Diodenstrom ist. Es ist eigentlich eine Impedanz. Etwa
im Bereich zwischen 10 µA bis 1 mA, wirkt sich die Frequenz signifikant
aus. Erhöht man den Strom allerdings auf 5 bis 10 mA, ist Rd praktisch
frequenzunabhängig und der Wert von Rd kommt nahe an den Wert von Rs und
dieser liegt in der Regel bei etwa 0.5 Ohm oder weniger. Beim hier
vorgestellten elektronischen UKW-Antennenumschalter (Bild 8) fliesst bei
eingeschalteter Diode ein Strom von 17 mA. Damit wird im Bereich von 100
MHz sicher gestellt, dass die Spannungsverluste durch die Diode gering
bleiben.
So schaltet die Diode analoge Signale
In den folgenden Kapiteln wird zum leichteren Verständnis die Diodenschaltung mit einer funktionsäquivalenten Schaltung mit sogenannten CMOS-Analogswitches voranstellend verglichen. Auf diese spezielle Art von elektronischen Schaltern gehe ich hier nur symbolisch ein. Man könnte sich daher ebenso Relaiskontakte vorstellen.

In den Bildern 3 bis 5 geht es um das Schalten nieder- und
hochfrequenter Signalspannungen, z.B. Audiosignale oder
Antennenspannungen. Der Unterschied liegt im höheren Diodenstrom und den
niedrigeren Koppelkapazitäten C1 und C2 für hohe Frequenzen.
Teilbild 3.1 illustriert symbolisch die Funktionsweise der Schaltung.
Der analoge Schalter (ASW = Analog-Switch) schaltet mit einer
Steuerspannung von +12 VDC ein und mit -12 VDC aus. Bei +12 VDC ist der
Kontaktwiderstand sehr niederohmig und die Signalspannung wird vom
Generator zum Ausgang Ua praktisch dämpfungsfrei übertragen, wenn R im
Vergleich zum Kontaktwiderstand sehr gross ist. Das ist hier mit 10
k-Ohm auch der Fall. R kann auch wesentlich geringer sein, was besonders
dann wichtig ist, wenn bei offenem Schalter verhindert werden muss, dass
die parasitäre Interkontaktkapazität höherfrequente Signalanteile
überträgt. Diese Kapazität wirkt mit R als passives Hochpassfilter
erster Ordnung.
Teilbild 3.2 zeigt den funktionsidentischen Diodenschalter. Wenn
Schalter S in Position "-12V" ist, sperrt die Diode. Sie ist hochohmig.
Solange die Signalspannung des Generators kleiner bleibt als die
Sperrspannung über der Diode D, wirkt sie als offener Schalter und Ua
ist spannungslos. Aber man denke auch hier daran, dass die parasitäre
Kapazität über der Diode D, und diejenige welche durch die Leiterbahnen
auf der Leiterplatte zustande kommt, mit R2 ebenfalls ein passives
Hochpassfilter erster Ordnung bildet. Stört dies, müssen R1 und R2
reduziert werden, was allerdings den Generator mehr belastet.
Wenn Schalter S in Position "+12V" ist, leitet Diode D einen Strom, der
sich durch die Spannung von +12 VDC dividiert durch R1 plus R2 ergibt.
Dies sind etwa 1 mA. Die Durchflussspannung der Diode vernachlässigen
wir. Der Durchlasswiderstand Rd einer Kleinsignaldiode liegt bei diesem
Strom bei etwa 30 Ohm, was bei R1 plus R2 von etwa 10 k-Ohm
unproblematisch ist.
Wenn man die Steuerspannung umschaltet, entstehen an Ua kurzeitige
positive oder negative Spannungsimpulse mit maximalen Amplitiudenwerten
mit der halben Steuerspannung und dies sind +6 V und -6 V. Die
Zeitkonstante ergibt sich dabei aus C2 und dem ohmschen
Eingangswiderstand der Folgeschaltung. Diese hohen Spannungsspitzen sind
nicht für alle Folgeschaltungen verträglich. Dazu kommt, wenn eine
solche Diodenschaltung für Audiozwecke verwendet wird, dann knallt es
bei jedem Ein- und Ausschalten ganz gehörig aus den Lautsprechern.
Dieses Problem existiert nicht, wenn man an Stelle von Dioden moderne
CMOS-Analogswitches verwendet, - vorausgesetzt man beschaltet diese
Teile richtig.
Bei einer niedrigen Frequenz bis etwa 20 kHz und einer Belastung an Ua
von 100 pF und mehr als 1 k-Ohm ist eine Vollaussteuerung von etwa 11
Vpp möglich. R1 und R2 sind auch bei stark reduziertem Diodenstrom durch
die Überlagerung einer hohen Generatorspannung noch immer viel grösser
als Rd (Bild 2). Diese Situation verschlechtert sich jedoch bei höheren
Frequenzen bei gleicher Belastung an Ua. Bei grosser Generatoramplitude
erhöht sich Rd zu stark, was
nichtlineare
Verzerrungen zur Folge hat. Bei einer Generatorfrequenz von 200 kHz
sind unverzerrt noch etwa 5 Vpp und bei 1 MHz noch etwa 1 Vpp möglich.
Die Schaltung von Teilbild 3.3 ist identisch mit der in Teilbild 3.2,
jeoch für wesentlich höhere Frequenzen konzipiert. R1 und R2 sind rund
17 mal niedriger. Der Diodenstrom erhöht sich um den selben Faktor.
Gemäss Datenblätter bleibt Rd bei diesem Strom und einer
Frequenzbandbreite zwischen 10 MHz und mehr als 1 GHz unterhalb von 0.5
Ohm. Und damit sind wir in Richtung UKW-Antennenumschalter schon ein
ganzes Stück näher gerückt.
An dieser Stelle muss ich allerdings erwähnen, dass ich im Bereich der
analogen Hochfrequenztechnik nicht die ausreichende Erfahrung habe um
eine Schaltung so zu dimensionieren, dass sie hinsichtlich Diodenstrom,
minimale Signaldämpfung, Rauschen und Frequenzbandbreite optimal ist.
Ich verwendete für mein Antennenprojekt damals auch keine PIN-Dioden.
Ich benutzte ganz normale Silizium-Kleinsignaldioden des Typs 1N914. Man
kann auch Germanium-Dioden, z.B. des Typs 1N270 verwenden, womit man
etwas höhere Frequenzbandbreiten bei gleichen Diodenströmen erreicht,
allerdings muss man Ge-Dioden, um sie wirklich auszuschalten, im
Sperrbetrieb betreiben. Die Diode muss mit negativer Spannung
abgeschaltet werden. Bei Si-Dioden geht es auch ohne negative Spannung,
sofern die Signalspannung sehr klein ist, weil die Diode genügend
sperrt. Eine 1N914-Diode hat im spannungslosen Zustand eine
Sperrschichtkapazität von 4 pF, eine 1N270-Diode bei einer Sperrspannung
von nur -1 V bloss 0.8 pF. Für hochfrequente Anwendungen ist die
1N270-Diode je nach Schaltung vorteilhafter.

Teilbild 4.1 illustriert eine andere Methode des Schaltens analoger Signalspannungen. Wenn der Schalter - hier wiederum angedeutet als Analog-Switch (ASW) - mit -12 VDC offen ist, überträgt R das Generatorsignal nach Ua. Im Vergleich zu Bild 3 zeigt sich ein wichtiger Unterschied. In Bild 3 ist die Schaltung an Ua niederohmig, wenn der Signalweg eingeschaltet ist und mittelohmig, gegeben durch R, wenn der Signalweg ausgeschaltet ist. In Bild 4 ist dies umgekehrt. Bild 4 zeigt aber noch einen andern Unterschied und dies ist ein klarer Nachteil. Im Falle der Diodensteuerung, in Teilbild 4.2, wird die Signalspannung durch das Widerstandsverhältnis von R2/R1 in Richtung Ua geteilt, bzw. gedämpft und zwar ohne dass Ua belastet ist. Diese Belastung käme noch dazu. Man kann sich natürlich fragen, wozu ich überhaupt über etwas schreibe, das derart untauglich ist. Ganz einfach, es gibt in Verbindung mit Bild 3 eine sinnvolle Anwendung und damit kommen wir zu Bild 5.
Der erste Schritt zum Umschalten mit Dioden

Wir betrachten zunächst Teilbild 5.1 und wir erkennen sogleich, dass
darin die Schaltungen aus Teilbild 3.1 und Teilbild 4.1 "verheiratet"
sind. Welchen Vorteil hat dies? Das dreieckige Symbol mit der
Bezeichnung I ist ein Spannungsinverter. Woraus dieser besteht, ist hier
irrelevant. Wenn der Eingang auf +12 VDC geschaltet ist, liegt der
Ausgang auf -12 VDC und umgekehrt. Wenn ASW1 und ASW2 aus analogen
CMOS-Switches besteht, dann darf die Signalspannung des Generators
theoretisch knapp den Wert von 24 Vpp erreichen, sofern die
Betriebsspannung mit ±12 VDC erfolgt.
Im Falle von Diodenschaltern (Teilbilder 5.2 und 5.3) darf die
Generatorspannung maximal weniger als halb so gross sein, weil die
Diodenströme nach GND und nicht nach -12 VDC fliessen. Bei
eingeschalterer Diode D1 liegt die Arbeitspunktspannung bei der halben
positiven Betriebsspannung von etwa +6 VDC. Würde man die Diodenströme
nach -12 VDC fliessen lassen, um so die maximale AC-Spannung an Ua zu
erhöhen, sperren die Dioden bei Ausschaltung nicht genügend, weil sie
erhalten dann keine Umkehrspannung. Dies hätte zur Folge, dass bereits
eine geringe Generatorspannung von etwas mehr als die
Diodenflussspannung, den Diodenschalter im eigentlich ausgeschalteten
Zustand einschalten würde und dies an Ua mit einem mit Halbwellen
gleichgerichteten Signal. Ganz einfach, wenn der Knoten R1/D1 auf
GND-Pegel anstatt auf -12 VDC geschaltet würde, käme dies praktisch auf
das selbe heraus, wie wenn man diesen Knoten DC-mässig offen legen
würde.
Noch einmal zurück zu Teilbild 5.1. Es leuchtet sogleich ein, dass die
Schaltung an Ua einen niedrigen Ausgangswiderstand hat, unabhängig
davon, ob die Übertragung der Generatorspannung eingeschaltet ist oder
nicht. Der Ausgangswiderstand des Generators gilt hier als theoretisch 0
Ohm. Wenn ASW1 und ASW2 gleich grosse Widerstandswerte im
eingeschalteten Zustand haben, dann ist der Quellwiderstand an Ua immer
gleich gross. Wenn der Schalter auf +12 VDC liegt, ist ASW1 ein- und ASW2
ausgeschaltet und wenn der Schalter auf -12 VDC liegt, ist ASW1 aus- und
ASW2 eingeschaltet. Diese Methode mit symmetrisch niedrigem
Ausgangswiderstand der Schaltung an Ua, hat den grossen Vorteil, dass
sich die parasitäre Kapazität über dem offenen Kontakt von ASW1 kaum
mehr störend auswirkt, weil die Grenzfrequenz dieses parasitären
Hochpassfilters, bestehend aus dieser Kapazität und dem sehr niedrigen
Widerstand des geschlossenen Schalters ASW2 extrem hoch ist. Allerdings
sollte man trotzdem darauf achten, dass die Anordnung der Leiterbahnen
diese parasitäre Kapazität nicht zusätzlich signifikant erhöht. Im
umgekehrten Fall, wenn ASW1 ein- und ASW2 ausgeschaltet ist, dann gibt
es keinen Widerstand der die Eingangsquelle (Generator) belastet. Auch
hier darf der Einfluss der parasitären Kapazität des offenen
ASW2-Kontaktes äusserst gering sein, weil der geschlossene ASW1 sehr
niederohmig ist und beide Komponenten ein Tiefpassfilter mit ebenfalls
extrem hoher Grenzfrequenz bildet.
Wir übertragen dies jetzt auf die Diodenschaltung in Teilbild 5.2 mit der
selben Funktionalität. Wenn der Schalter auf +12 VDC liegt, fliesst über
R1, D1 und R2 ein Strom von etwa 1 mA. Vergleiche dazu Teilbild 3.2. Der
Ausgang von I liegt auf -12 V und D2 sperrt. Der Diodenschalter ist
eingeschaltet. An Ua liegt die Generatorspannung. Da zwischen +12V und
-12V pratisch 0 Ohm liegen, wird die Generatorspannung durch die
Parallelschaltung von R1, R2 und R3 belastet.
C1, C2 und C3 dienen der DC-Entkopplung. Zwischen dem Generatorausgang
und dem Knoten C1/D1 liegt entweder eine Spannung von etwa +6 VDC oder
-12 VDC. C1 benötigt es, um diese DC-Spannunswerte durch den Generator
nicht kurz zu schliessen. Zwischen den Knoten D1/R2 und D2/R3 müssen
DC-Spannungswerte liegen, damit D1 und D2 richtig schalten können. Dafür
sorgt die DC-Entkopplung mit C2. Beim Knoten R3/D2 liegt eine
DC-Spannung von etwa +0.65 VDC (Diodenschalter = Aus) und etwa -12 VDC
(Diodenschalter = Ein). Diese DC-Spannung muss mit C3 entkoppelt werden,
damit die an Ua angeschlossene Schaltung keine DC-Spannung bekommt.
Wenn der Schalter auf -12 VDC liegt, ist D1 gesperrt und D2 leitet mit
etwa dem selben Strom. Damit ist D2 niederohmig. D2 schliesst
geringfügige hochfrequente Ströme, welche durch die
Sperrschichtkapazität der Diode D1 und der parasitäten Kapazität
zwischen den Leiterbahnen übertragen wird, kurz. Die Werte von C1 bis C3
müssen in Abhängigkeit von R1, R2, R3 und dem Eingangswiderstand der auf
Ua folgt, so dimensioniert werden, dass die AC-Spannung bei der
niedrigst zu übertragenen Frequenz nicht signifikant gedämpft wird.
Wir betrachten jetzt Teilbild 5.3 der die selbe Schaltung wie Teilbild
5.2 enthält, jedoch für wesentlich höhere Frequenzen dimensioniert ist.
R1 und R2 sind genauso wie in Bild 3.3 17 mal niedriger. Dies betrifft
hier ebenso auf R3 zu. Die Diodenströme von D1 und D2 erhöhen sich um
den selben Faktor. Gemäss Datenblätter bleibt Rd (Bild 2) bei diesem
Strom und einer Frequenzbandbreite von mehr als 1 GHz unterhalb von 0.5
Ohm. Mit dieser erweiterten Schaltung sind wir in Richtung
UKW-Antennenumschalter zusätzlich ein weiteres Stück näher gerückt, weil
es dort wichtig ist, dass restliches Antennensignal von der
ausgeschalteten Antenne wirksam unterdrückt wird. Dafür sorgt die
Kurzschlusssteuerung durch R3 und D2.
Das Umschalten mit T-Gliedern, ein entscheidender Vorteil

T-Glieder, wie Teilbild 6.1 illustriert, sind spezielle
Signaldämpfungsglieder, wie sie oft in der Hochfrequenztechnik
eingesetzt werden. Gegenüber einem gewöhnlichen Dämpfungsglied mit nur
zwei Widerständen - in Teilbild 6.1 wären dies R1 und R3 - hat ein
T-Glied den Vorteil, dass es in beiden Richtungen die selbe Dämpfung
hat. Ua und Ue sind vertauschbar. Solche Dämpfungsglieder machen dort
Sinn, wo eine Rückdämpfung gefordert ist. Dies ist dann z.B. sinnvoll,
wenn viele Geräte parallel über eine gemeinsame Leitung mit einem
Signal versorgt werden und ein gewisses Risiko besteht, dass die Geräte
sich gegenseitig stören können.
Teilbild 6.2 ist ein T-Glied aus Schaltern, wobei diese Schalter
wiederum aus Relais, analogen CMOS-Switch (ASW) oder Dioden bestehen
können. Ua und Ue sind auch hier vertauschbar und es geht bei der
Anwendung ebenso um eine Art Rückdämpfung. Nämlich, wenn das T-Glied
ausgeschaltet ist - AWS1 und ASW2 offen sind und ASW3 geschlossen ist -
sorgt der kurzschliessende Schalter ASW3 dafür, dass störende Signale
über die parasitären Kapazitäten von ASW2 (vom Gerät) nicht in die
Signallleitung zurückfliessen können. Oder im Falle eines Umschalters
sorgt die ASW2-Funktion dafür, dass eine gegenseitige Beeinflussung
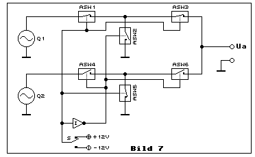
unterdrückt wird. Dazu mehr in Bild 7:

Wenn Schalter S auf +12 VDC liegt, dann sind ASW1, ASW3 und ASW5 geschlossen und ASW2, ASW4 und ASW6 sind offen. Signalquelle Q1 ist nach Ua durchgeschaltet. Wenn Schalter S auf -12 VDC liegt, dann sind ASW1, ASW3 und ASW5 offen und ASW2, ASW4 und ASW6 sind geschlossen. Signalquelle Q2 ist nach Ua durchgeschaltet. Gäbe es ASW3 und ASW6 nicht, dass heisst, diese beiden Schalter wären überbrückt, dann würde diese Umschaltung wegen Dauerkurzschluss ganz einfach nicht funktionieren, weil entweder ist ASW2 oder ASW6 eingeschaltet und einer von diesen beiden Schaltern würde das Signal über ASW1 oder ASW4 kurzschliessen. Daher sind bei dieser Art von Umschaltung ASW3 und ASW6 zwingend nötig. Auch bei der Umschaltung mittels Dioden ist dem ebenso, wie wir gleich im übernächsten Kapitel sehen werden. Und damit kommen wir zur elektronischen Antennenumschaltung mittels Dioden.
Die Vorgeschichte zur elektronische Antennenumschaltung
Etwa mitte der 1980er-Jahre wurde in der Siedlung in der ich wohne,
beschlossen, die lokale UKW/TV-Antennenanlage auf dem Dach des einen
Hauses der moderneren "globalen" Kabelantennenanlage (ASCOM und später
CABLECOM) zu opfern. Dieses Opfer hat natürlich den imensen Vorteil,
dass man seither viel mehr Radio- und TV-Stationen empfangen kann. Ob
besonders dieses Mehr an TV-Stationen eine zusätzliche geistige
Bereicherung ist, möchte ich an dieser Stelle nicht thematisieren. Die
Tatsache, dass ich dies jedoch hier auch nur ganz kurz andeute, dürfte
erahnen lassen welch "positive" Einstellung ich dazu habe. Aber kommen
wir wieder zurück zum Technischen. Oder vielleicht doch noch nicht ganz.
Politik ist die Ursache, dass dieser Antennenumschalter überhaupt
existiert. Irgendwann beschloss die hochverehrte graue Eminenz des
Kabelantennenbetreibers einen gewissen lokalen privaten UKW-Sender vom
Netz zu nehmen, weil er angeblich nicht mehr zur Region gehörte. Er war
und ist durch den "Äther" jedoch problemlos zu empfangen.
Ich holte aus dem Keller eine alte verstaubte UKW-Faltdipolantenne, die
ich schon mal vor mehr als 40 Jahre im Estrich meines Elternhauses im
Einsatz hatte und montierte diese unter dem Dach des Balkons. Die
Antennenspannung war dort gross genug. Das einzige was ich noch
brauchte, war ein elektronischer Antennenumschalter, mit dem man
zwischen der Kabelantenne und der eigenen Dipolantenne umschalten kann.
Also baute ich diesen, wobei ich dieser Schaltung eine Umschaltung per
Logiksignal verpasste, damit ich diese Schaltung, gesteuert durch
weitere Schaltungen, auch aus der Küche bedienen kann. Von dort wähle
ich nämlich ebenso die 16 Sendestationen des UKW-Empfängers im
Wohnzimmer, und dies HF-gesteuert in umgekehrter Richtung auf dem Kabel
von dem die aktiven Küchenlautsprecher vom Verstärker im Wohnzimmer das
Stereo-Signal erhalten. Soviel zum historischen Hintergrund und zu
meiner Motivation...
Die elektronische Antennenumschaltung

Die Schaltung besteht aus einem Steuerteil (oben) und dem eigentlichen
Antennenumschalter (unten). KA bedeutet Kabelantenne, HA Heimantenne
(z.B. eine private UKW-Faltdipolantenne) und REC Receiver.
Die Widerstandsverhältnisse von R12/R14 und R13/R15 sind so gewählt,
dass oberhalb einer Spannung von etwa 2 V am Steuereingang S die
Transistoren T4 und T5 leiten, bzw. eingeschaltet sind. Der
Eingangswiderstand von S entspricht etwa dem Parallelwiderstandswert von
R14 und R15 von etwa 43 k-Ohm. R12 und R13 sind irrelevant, weil ein
Basisstrom einen viel kleineren Basis-Emitter-Widerstand bewirkt und
dieser ist mit R12 bzw. R13 parallelgeschaltet. Eingang S ist somit TTL-
und (H)CMOS-kompatibel. Als LOW-Pegel gilt eine Spannung die deutlich
unter 2 V und als HIGH-Pegel eine die deutlich über 2 V liegt. Der
HIGH-Pegel darf selbstverständlich auch den Wert der Betriebsspannung,
hier +12 VDC oder mehr haben. Begrenzend wirkt einzig die
Verlustleistung über R15. Bei einem 1/4-Watt-Widerstand wären dies 108
V...
Bei HIGH-Pegel an S leiten T4 und T5. Dadurch haben die Kollektoren von
T4 und T5 beinahe GND-Potential (Sättigungseffekt). Über R10 fliesst ein
T2-Basis- bzw. ein T4-Kollektorstrom. Dies ezeugt ein T2-Kollektorstrom
und T2 leitet. Bei LOW-Pegel an S sind T4 und T5 offen und über R11
fliesst ein Strom in die Basis von T3. T3 hat eine Inverterfunktion. Er
schliesst und es fliesst ein Strom aus der Basis von T1 über R9 zum
Kollektor von T3, und T1 leitet.
Bei HIGH-Pegel an S ist also T2 leitend (LED HA leuchtet) und bei
LOW-Pegel an S ist T1 leitend (LED KA leuchtet). R7 und R8 dienen einzig
dem Zweck, dass bei fehlendem Basisstrom die Basis auf das
Emitterpotential definiert ist. Dies gilt für T1 und T2. Diese Massnahme
ist hier nicht zwingend nötig, aber es ist so die "sauberere" Lösung.
Bei sehr geringen Kollektorströmen oder bei Anwendungen mit
Darlington-Transistoren ist dies, wegen der sehr hohen
Stromverstärkung, auf jedenfall zu empfehlen.
Bei HIGH-Pegel an S sind die beiden Relais REL1 und REL2 angezogen und
D4 sperrt (hochohmiger Zustand). Der Eingang HA ist daher auf REC
durchgeschaltet. Für die Heimantenne verwendete ich Relais um die
Spannungsverluste besonders niedrig zu halten. Man könnte aber ebenso
auch hier ein Diodenschaltnetzwerk verwenden. D7 wirkt als Freilaufdiode
um beim Abschalten von REL1 und REL2 T2 vor selbstinduktiven
Überspannungsspitzen zu schützen.
Bei LOW-Pegel an S sind REL1 und REL2 stromlos, aber durch D4 fliesst
ein Strom und damit ist D4 im eingeschalteten niederohmigen Zustand.
Dadurch werden geringe Antennenströme, welche durch die parasitäre
Kapazität zwischen den offenen Kontakten von REL1 übertragen werden,
nach GND kurzgeschlossen. D1 und D3 sind stromdurchflossen und daher als
Schalter eingeschaltet. D2 ist stromlos und so in seiner
Kurzschlussfunktion unwirksam. Der Eingang KA ist daher auf REC
durchgeschaltet. Eine Kabelantennenanlage bietet in der Regel einen
genügend hohen Pegel, dass die Schaltung mittels Diodenschaltnetzwerk,
mit höherer Dämpfung als mit Relais, problemlos funktioniert. Gemäss
Angaben des Elektronikbuchautors Nührmann beträgt die minimale
Antennenspannung an der Anschlussbuchse einer Kabelantennenanlage 353 µV
und die maximale Antennenspannung 11.18 mV (bei 75 Ohm). Diese niedrige
Spannung erlaubt es auch, die Dioden unipolar zu steuern: Eingeschaltet
wenn stromdurchflossen und ausgeschaltet wenn stromlos. Eine negative
Sperrspannung ist hier nicht nötig.
Es gibt zwei Möglichkeiten die Dämpfung des Diodenschaltnetzwerkes zu
reduzieren: Man erhöht etwas die Widerstände R1, R2, R4 und R5 oder man
schaltet noch besser in Serie zu ihnen kleine Induktivitäten. C1 bis C10
sollten induktionsarme Keramik-Kondensatoren sein. D5 und D6 begrenzen
die Spannungsimpulse bei den Umschaltvorgängen durch Schalter S auf
maximal 1.4 Vpp bei Si-Dioden und auf maximal 0.6 Vpp bei Ge-Dioden.
Ein paar Worte zu den Relais. Ich benutzte irgendwelche gerade vorhandene
Reedrelais. Den Typ weiss ich nicht mehr, auch nicht mehr wie gross die
Kapazität zwischen den offenen Kontakten ist. Die Schaltung funktioniert
jedenfalls problemlos. Wenn jemand besseres bevorzugt, gibt es für
entsprechend tiefen Griff in den Geldbeutel auch Deluxe-Relais. Zu
erwähnen sei das sehr kleine HF-Relais RF300 oder RF303 (sensitive
Ausführung) im TO5-Transistorgehäuse von der Firma TELEDYNE. Die
Interkontaktkapazität beträgt nur 0.4 pF und hat einen maximalen
Kontaktwiderstand von 0.15 Ohm. Es gibt zwei Spulentypen für
Betriebsspannungen mit 5 VDC oder 12 VDC.
Zum Schluss kommen wir noch zur optionalen Induktivität L. Wenn man eine
aktive Antenne (Antenne mit Verstärker) betreiben will, muss diese
gespiesen werden. In dem die Betriebsspannung, hier 12 VDC, über L in das
Antennensignal eingespiesen wird, hat man eine Phantomspeisung. Das
heisst, beim Antennenvertärker kann man ebenfalls mittels Induktivität
die DC-Spannung für den Betrieb des Verstärkers auskoppeln. C10
schliesst allfällige HF-Restspannungen nach GND kurz.
Wie wird eine Dipolantenne angeschlossen?

Bevor man eine (Falt-)Dipolantenne an der Buchse HA anschliessen kann, muss
man das symmetrische HF-Signal vom Dipol mittels kleinem HF-Übertrager
asymmetrieren. Zwischen der Antenne und diesem sogenannten
Symmetrie-Übertrager dient ein unabgeschirmtes zweiadriges
Flachband-UKW-Antennenkabel mit dem typischen Wellenwiderstand von 240
oder 300 Ohm. Zwischen Übertrager und HA-Anschluss dient das typische
Koaxialkabel mit einem Wellenwidertstand von 75 Ohm. Die Frage ist jetzt,
wo findet man einen solchen Übertrager? Ich habe mal im CONRAD- und
FARNELL-Katalog nachgeschaut. Ich wurde nicht fündig. Das einfachste ist
der Weg ins Radio/TV-Geschäft oder in die Radio/TV-Abteilung eines
grossen Kaufhauses, wo alles etwas billiger ist. Dort besorgt man sich
einen Adapter mit einem Symmetrie-Übertrager, der auf der einen Seite
ein kurzes Stück symmetrisches Flachband-UKW-Antennenkabel mit Stecker
und auf der andern Seite einen Anschluss für das Koaxialkabel mit 75 Ohm
hat. Hersteller von solchen Adaptern ist z.B. die Firma HIRSCHMANN.
Diesen Adapter montiert man mit dem Plastikgehäuse in die Nähe des
Anschlusses der Dipolantenne und man verbindet das zweiadrige Kabel
gleich mit der Antenne. An die Gegenseite des Adapters schliesst man das
Koaxialkabel, das man mit der Buchse HA der elektronischen
Antennenumschaltung verbindet. Das Koaxialkabel hat bei meiner Anwendung
eine Länge von 5 Metern.
Wer überhaupt noch keine UKW-Antenne besitzt, hat zwei Möglichkeiten.
Man besorgt sich eine Stabantenne. An diese kann man direkt das
Koaxialkabel anschliessen. Oder man besorgt sich eine UKW-Dipolantenne,
die bereits einen zusätzlichen asymmetrischen 75-Ohm-Anschluss hat. Bei
CONRAD gibt es solche Antennen von der einfachen UKW-Ringdipolantenne
bis zur UKW-Hochleistungsantenne mit Reflektor und Direktoren und
eingebauten Symmetrieübertragern.
Thomas Schaerer, 11.12.2002 ; 14.03.2003(dasELKO) ; 14.12.2003 ; 05.03.2006 ; 08.02.2008 (wie05.03.2006)
