Forum
Relais an serieller Schnittstelle (Elektronik)
» Moin moin!
»
» Ich möchte gerne ein Relais mit einer seriellen Schnittstelle ansteuern.
» Das steuern der seriellen Schnittstelle via Programmcode stellt kein
» Problem dar
»
» Da ich elektrotechnisch nicht allzu bewandert bin und in meiner Wohnung
» keinen Großbrand auslösen möchte, habe ich mich erst mal an euch gewandt.
»
» Erst mal zu meinem Vorhaben:
»
» Ich will ein Relais schalten, ich habe bis jetzt dieses im Auge:
»
» http://www.produktinfo.conrad.com/datenblaetter/500000-524999/504153-da-01-de-Miniatur_Leistungsrelais_833H_1C_C12.pdf
»
» Wenn ich richtig verstanden habe, kann ich einzelne Leitungen der
» seriellen Schnittstelle HIGH und LOW setzen. HIGH entspräche +12V, LOW
» -12V.
»
» Ich will kein Gerät mit Hilfe des Relais steuern, sondern es einfach nur
» durchschalten.
»
» Pin-Belegung der seriellen Schnitstelle:
»
»
»
» Steuerbar sind die Leitungen RTS (6) und DTR (7).
»
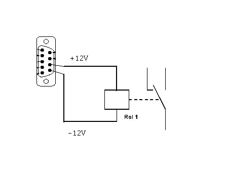
» Meine Milchmädchenrechnung schlägt mir folgendes Schaltbild vor:
»
»
»
» Oder sollte ich das eine Ende mit der Masse der seriellen Schnittstelle
» verbinden? Keine Ahnung, aber bevor ich irgendwas hier zusammenlöte, frage
» ich euch mal lieber =)
»
» So, wem jetzt noch nicht die Haare zu Berge stehen oder sich "Oh Gott oh
» Gott, das wird nie was!" denkt, der möchte gerne antworten, ich bin
» dankbar für jegliche Hilfestellung =)
»
» (Sicherlich ist hier und da noch eine Diode oder ein Widerstand
» angebracht?)
Hallo,
1. Zur Ansteuerung der RS232 braucht man ein kleines Programm
2. Besser ist die Ansteuerung des RELAIS über einen TRANSISTOR siehe auch:
http://www.franksteinberg.de/erel.htm
NAGUS
Gesamter Thread:



